提高材料的香蕉app免費視頻在線觀看:耐腐蝕性是預防或減緩腐(fu)蝕(shi)(shi)發生的根本措施。通過(guo)改(gai)(gai)變材(cai)料(liao)(liao)化學(xue)成分(fen)、結構組織等(deng)措施提(ti)高材(cai)料(liao)(liao)的耐腐(fu)蝕(shi)(shi)性(xing)成本是巨大的。由于材(cai)料(liao)(liao)的腐(fu)蝕(shi)(shi)是從表(biao)(biao)面(mian)(mian)開始,因此,人們從改(gai)(gai)變表(biao)(biao)面(mian)(mian)性(xing)能開始,提(ti)高材(cai)料(liao)(liao)耐腐(fu)蝕(shi)(shi)性(xing)。目前,材(cai)料(liao)(liao)表(biao)(biao)面(mian)(mian)改(gai)(gai)性(xing)的主(zhu)要(yao)方法有熱處理、表(biao)(biao)面(mian)(mian)涂(tu)覆、電鍍、機械表(biao)(biao)面(mian)(mian)強化等(deng)。機械表(biao)(biao)面(mian)(mian)強化屬(shu)于物理強化的一(yi)種,具有成本低、綠色無污染、實用(yong)性(xing)強等(deng)特點。
1. 實(shi)驗設計
為進一步研究超聲(sheng)滾壓對材料性能的影響,特別是耐腐蝕性能的影響,浙江至德鋼業有限公司以S30408不銹鋼(gang)為實驗材料,以人工模擬的工業冷卻水為介質,進行了實驗研究。
材料采用厚度為2mm的不銹鋼板,其化學成分見表7-1,采用超聲滾壓加工技術對材料的單面進行表面處理,材料加工前后外觀如圖7-2所示,經超聲表面滾壓后,用肉眼觀察,材料表面光潔度明顯增大,如同“鏡面”,但是也可以觀察到加工“刀痕”。對不同試樣,主要改變步距這個參數,工具頭的線速度和靜壓力均相等,分別是2m/min和0.1MPa,步距分別為0.05mm、0.10mm、0.15mm,0.20mm和0.25mm.隨著步距的減小,材料的光潔度增大,“刀痕”越來越不明顯。

2. 表面(mian)粗糙度
為了(le)研究(jiu)超(chao)聲表(biao)(biao)面(mian)(mian)(mian)滾(gun)壓(ya)(ya)對表(biao)(biao)面(mian)(mian)(mian)質(zhi)量的影響,首先采(cai)用光學顯微鏡觀察(cha)表(biao)(biao)面(mian)(mian)(mian)形(xing)貌(mao),其次采(cai)用TR-200觸針式(shi)粗糙度檢測儀測Ra數值。放大200倍后,試(shi)樣表(biao)(biao)面(mian)(mian)(mian)形(xing)貌(mao)如(ru)圖(tu)7-3所示。其中,圖(tu)7-3(f)為原始試(shi)樣,表(biao)(biao)面(mian)(mian)(mian)條狀加工痕(hen)跡清晰可見;圖(tu)7-3(a)~(e)為不同步距(ju)下超(chao)聲滾(gun)壓(ya)(ya)后的表(biao)(biao)面(mian)(mian)(mian)形(xing)貌(mao)。從圖(tu)中可以看出,試(shi)樣表(biao)(biao)面(mian)(mian)(mian)滾(gun)壓(ya)(ya)而形(xing)成(cheng)了(le)光滑(hua)的金屬層,但是新形(xing)成(cheng)的金屬表(biao)(biao)面(mian)(mian)(mian)還存在一定的缺(que)(que)陷,但隨(sui)著步距(ju)的減(jian)小,缺(que)(que)陷數量減(jian)少,尺寸減(jian)小。
在試樣表(biao)面(mian)隨機選(xuan)取3個(ge)位置進(jin)行粗糙度測試,取平均值作為最終結(jie)果,各試樣的Ra數值如表(biao)7-2所示(shi)。


圖7-4為(wei)不(bu)同步距(ju)(ju)下超聲(sheng)滾壓(ya)試(shi)樣表面(mian)(mian)(mian)粗(cu)(cu)糙(cao)(cao)度的(de)變化。從圖中可(ke)以看(kan)出(chu),加工(gong)步距(ju)(ju)對表面(mian)(mian)(mian)粗(cu)(cu)糙(cao)(cao)度有重要(yao)的(de)影響,表面(mian)(mian)(mian)粗(cu)(cu)糙(cao)(cao)度隨著加工(gong)步距(ju)(ju)的(de)減小(xiao)而減小(xiao),表面(mian)(mian)(mian)粗(cu)(cu)糙(cao)(cao)度可(ke)降低到(dao)0.037μm.未處(chu)理(li)表面(mian)(mian)(mian)粗(cu)(cu)糙(cao)(cao)度Ra為(wei)0.283μm,與未處(chu)理(li)表面(mian)(mian)(mian)相比較,處(chu)理(li)表面(mian)(mian)(mian)因被碾壓(ya)而形成光滑的(de)金屬層,從而降低了(le)表面(mian)(mian)(mian)粗(cu)(cu)糙(cao)(cao)度。
3. 表面(mian)硬度
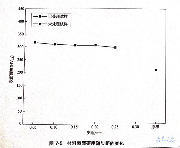
鍍(du)層的硬(ying)度(du)采用(yong)(yong)帶(dai)有(you)金剛石壓(ya)頭(tou)的HV-1000型顯微(wei)硬(ying)度(du)計來測(ce)(ce)定。其方法是用(yong)(yong)金剛石壓(ya)頭(tou)在(zai)鍍(du)層表面(mian)壓(ya)一個(ge)四角棱(leng)錐形凹痕,在(zai)顯微(wei)鏡下放大400倍(bei)觀察。實(shi)驗(yan)時,加載(zai)載(zai)荷為0.1HV(0.9807N),持續時間(jian)10s.每(mei)個(ge)試樣(yang)測(ce)(ce)量(liang)3次,取平均值。圖7-5為硬(ying)度(du)測(ce)(ce)量(liang)結果,未處(chu)理(li)表面(mian)的硬(ying)度(du)是210HV;超聲波(bo)處(chu)理(li)后(hou),材料(liao)的表面(mian)硬(ying)度(du)最大可達317HV.從圖中可以看出,顯微(wei)硬(ying)度(du)隨步距的減小(xiao)而(er)增大,但影響較(jiao)小(xiao)。硬(ying)度(du)提高可歸因于(yu)晶(jing)粒細化(hua)、加工硬(ying)化(hua)及晶(jing)體組織變(bian)化(hua)的共同作用(yong)(yong)。

4. 耐腐蝕性(xing)
采用(yong)電(dian)(dian)(dian)(dian)化(hua)學(xue)技(ji)術分析(xi)材料(liao)處理表面的(de)(de)(de)耐(nai)腐蝕性能(neng),測量了動電(dian)(dian)(dian)(dian)位極(ji)(ji)化(hua)曲(qu)線(xian)。實驗(yan)采用(yong)三電(dian)(dian)(dian)(dian)極(ji)(ji)體系:待測試樣為(wei)(wei)工作電(dian)(dian)(dian)(dian)極(ji)(ji),氧(yang)化(hua)汞電(dian)(dian)(dian)(dian)極(ji)(ji)為(wei)(wei)參比電(dian)(dian)(dian)(dian)極(ji)(ji),箔片電(dian)(dian)(dian)(dian)極(ji)(ji)為(wei)(wei)輔助電(dian)(dian)(dian)(dian)極(ji)(ji)。工作電(dian)(dian)(dian)(dian)極(ji)(ji)是尺寸為(wei)(wei)10mmx10mm的(de)(de)(de)試樣,將銅線(xian)與試樣焊接,采用(yong)混(hun)合的(de)(de)(de)A、B環氧(yang)樹(shu)脂封(feng)裝(zhuang)試樣,只(zhi)保留超聲(sheng)加工面為(wei)(wei)工作面。對于未處理試樣,采用(yong)300、500、800的(de)(de)(de)砂紙打磨(mo)。封(feng)裝(zhuang)完后,所(suo)有試樣先采用(yong)去離子(zi)水超聲(sheng)清洗,再采用(yong)酒精清洗風干,放干燥(zao)皿(min)中(zhong)備用(yong),試樣如圖7-6所(suo)示(shi)(shi)。腐蝕介質是CaCl+NaHCO3配制成(cheng)0.4g/L的(de)(de)(de)CaCO3溶液,Cl-的(de)(de)(de)含量為(wei)(wei)248mg/kg,pH值(zhi)7.5~8.5.電(dian)(dian)(dian)(dian)化(hua)學(xue)實驗(yan)在(zai)室溫下進行,掃描速(su)度為(wei)(wei)10mV/s.試樣的(de)(de)(de)動電(dian)(dian)(dian)(dian)位極(ji)(ji)化(hua)曲(qu)線(xian)如圖7-7所(suo)示(shi)(shi)。

從(cong)圖(tu)7-7中(zhong)(zhong)可(ke)以(yi)看出,經USRP處理的(de)(de)(de)樣(yang)式,其維(wei)鈍(dun)電(dian)(dian)(dian)(dian)(dian)流(liu)密(mi)度減(jian)小,腐(fu)蝕(shi)(shi)速(su)度降低。未處理試樣(yang)的(de)(de)(de)腐(fu)蝕(shi)(shi)電(dian)(dian)(dian)(dian)(dian)位(wei)(wei)約(yue)(yue)為(wei)(wei)-179mV,加(jia)工(gong)步距為(wei)(wei)0.05mm和0.10mm的(de)(de)(de)試樣(yang)腐(fu)蝕(shi)(shi)電(dian)(dian)(dian)(dian)(dian)位(wei)(wei)約(yue)(yue)為(wei)(wei)-160mV,加(jia)工(gong)步距為(wei)(wei)0.25mm的(de)(de)(de)試樣(yang)腐(fu)蝕(shi)(shi)電(dian)(dian)(dian)(dian)(dian)位(wei)(wei)約(yue)(yue)為(wei)(wei)-210mV.從(cong)以(yi)上實驗數據可(ke)以(yi)看出,處理試樣(yang)的(de)(de)(de)腐(fu)蝕(shi)(shi)電(dian)(dian)(dian)(dian)(dian)位(wei)(wei)和維(wei)鈍(dun)電(dian)(dian)(dian)(dian)(dian)流(liu)密(mi)度的(de)(de)(de)變化(hua)規律與(yu)(yu)加(jia)工(gong)步距之間不(bu)成線性(xing)關(guan)系,因此,并不(bu)是粗(cu)糙度越(yue)(yue)小,耐腐(fu)蝕(shi)(shi)性(xing)越(yue)(yue)好。但是,加(jia)工(gong)步距為(wei)(wei)0.05mm的(de)(de)(de)試樣(yang)(粗(cu)糙度值最(zui)小),腐(fu)蝕(shi)(shi)電(dian)(dian)(dian)(dian)(dian)位(wei)(wei)最(zui)大(da)、維(wei)鈍(dun)電(dian)(dian)(dian)(dian)(dian)流(liu)密(mi)度最(zui)小,因此,其耐點(dian)蝕(shi)(shi)性(xing)能(neng)最(zui)好、腐(fu)蝕(shi)(shi)速(su)率最(zui)小,與(yu)(yu)未處理試樣(yang)比(bi)較(jiao),工(gong)步距為(wei)(wei)0.25mm的(de)(de)(de)試樣(yang),其點(dian)蝕(shi)(shi)電(dian)(dian)(dian)(dian)(dian)位(wei)(wei)反而(er)降低,這(zhe)可(ke)能(neng)是在超聲表面加(jia)工(gong)過程中(zhong)(zhong),造成鈍(dun)化(hua)膜的(de)(de)(de)不(bu)均性(xing)引起的(de)(de)(de),如圖(tu)7-3(e)所示。
a. 表面粗(cu)糙度(du)和硬(ying)度(du)
經超聲滾壓處(chu)理后,材(cai)料表(biao)面形成(cheng)的新光滑的金屬(shu)層使表(biao)面粗糙度(du)降低。表(biao)面粗糙度(du)隨(sui)著(zhu)步距的減(jian)小而減(jian)小,最小為0.037μm,與原樣(yang)比較,降低了87%.
b. 表面硬度(du)提高(gao)
試樣經USRP處理后,表(biao)面硬度最大可提(ti)高51%,但(dan)加(jia)工(gong)步距對表(biao)面硬度的影響(xiang)較小。
c. 耐腐蝕(shi)性
超(chao)聲滾(gun)壓表面處理使(shi)不銹(xiu)鋼在循環水中(zhong)的腐蝕(shi)電流密度降低。當加工步距為(wei)0.05mm時,S30408不銹(xiu)鋼的耐腐蝕(shi)性(xing)最(zui)好,步距對(dui)耐腐蝕(shi)性(xing)能影(ying)響較小。

