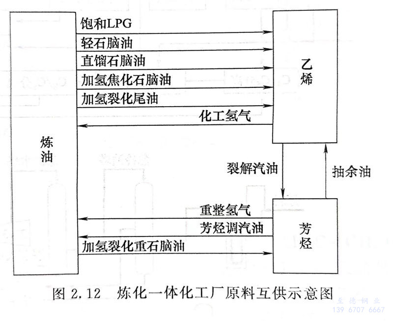
一(yi)、裝(zhuang)置簡介(jie)
我國乙(yi)烯(xi)工業起(qi)步于20世紀60年(nian)(nian)代,最早是1964年(nian)(nian)從原聯邦德國引進的魯奇公(gong)(gong)司(si)的原油(you)(you)裂解技術及(ji)年(nian)(nian)產(chan)(chan)3.6萬噸(dun)乙(yi)烯(xi)裝(zhuang)置(zhi)(zhi)。20世紀70年(nian)(nian)代先(xian)后建成(cheng)了(le)年(nian)(nian)產(chan)(chan)30萬噸(dun)、11.5萬噸(dun)和7.3萬噸(dun)的三(san)套乙(yi)烯(xi)裝(zhuang)置(zhi)(zhi),分別(bie)由日本(ben)東洋工程公(gong)(gong)司(si)、三(san)菱(ling)油(you)(you)化(hua)公(gong)(gong)司(si)及(ji)法國石(shi)(shi)油(you)(you)研(yan)究院和貝西姆公(gong)(gong)司(si)引進,專利技術分別(bie)來(lai)自美(mei)國魯姆斯公(gong)(gong)司(si)、日本(ben)三(san)菱(ling)油(you)(you)化(hua)及(ji)法國石(shi)(shi)油(you)(you)研(yan)究院。21世紀后,年(nian)(nian)產(chan)(chan)百萬噸(dun)的乙(yi)烯(xi)裝(zhuang)置(zhi)(zhi)在我國大量建成(cheng)投產(chan)(chan)。煉化(hua)一體化(hua)工廠原料互供示意圖見圖2.12。

現(xian)以(yi)裂解(jie)技(ji)術為(wei)主(zhu)體對乙烯(xi)裝置(zhi)(zhi)進(jin)行簡單介(jie)紹。根據裂解(jie)方(fang)式(shi)的(de)不(bu)同,乙烯(xi)生(sheng)產分(fen)(fen)為(wei)管式(shi)爐裂解(jie)法(fa)、催化裂解(jie)法(fa)、部分(fen)(fen)氧化法(fa)和(he)熱載體裂解(jie)法(fa)等。但(dan)任何(he)裂解(jie)法(fa)得到的(de)裂解(jie)氣都是(shi)混合物,需(xu)要(yao)分(fen)(fen)離(li)(li)才能得到純凈的(de)烯(xi)烴產品。通過混合物的(de)分(fen)(fen)離(li)(li)制取(qu)烯(xi)烴、芳烴的(de)方(fang)法(fa)主(zhu)要(yao)有(you)三種(zhong):深(shen)(shen)冷(leng)分(fen)(fen)離(li)(li)、油(you)吸(xi)收中冷(leng)分(fen)(fen)離(li)(li)和(he)超(chao)吸(xi)附分(fen)(fen)離(li)(li)。目前(qian)國內的(de)大(da)部分(fen)(fen)乙烯(xi)裝置(zhi)(zhi)采用的(de)分(fen)(fen)離(li)(li)技(ji)術都是(shi)深(shen)(shen)冷(leng)分(fen)(fen)離(li)(li)法(fa)。基本分(fen)(fen)離(li)(li)流程(cheng)有(you)順序分(fen)(fen)離(li)(li)、前(qian)脫乙烷(wan)和(he)前(qian)脫丙烷(wan)三種(zhong),采用哪種(zhong)分(fen)(fen)離(li)(li)流程(cheng)與裂解(jie)原料有(you)關。
乙烯和丙烯在20世紀70年代,基本上都是由醇類脫水制得。隨著原料乙烯需求量的急劇增加,利用石油產品的熱裂解制作原料乙烯的生產方法成為現代乙烯生產的主要途徑。目前原料乙烯大部分以石油系碳氫化合物或濕天然氣為原料制得。乙烯裂解裝置主要以輕柴油為原料,采用高溫裂解和深冷分離工藝,即用六塔順序分離生產純乙烯、純丙烯、混合C4等產品。
二、典型乙烯(xi)裂解裝置的工藝及(ji)特(te)點
典(dian)型乙烯裂解裝置的工藝流程示(shi)意圖如圖2.13所示(shi)。

乙(yi)烯裂(lie)解裝置大(da)致可以分為四個部分,即裂(lie)解系統(tong)、壓縮及干(gan)燥系統(tong)、乙(yi)烯分離(li)系統(tong)和(he)丙烯分離(li)系統(tong)。
1. 裂解系統(tong)
裂解系(xi)(xi)統是指(zhi)裂解爐區及高(gao)壓(ya)蒸汽發生系(xi)(xi)統,其工藝流(liu)程示(shi)意圖(tu)如圖(tu)2.14所示(shi)。

原料輕柴油經急冷水、急冷油兩級換熱,預熱后加入適量的稀釋蒸汽送入輕柴油裂解爐對流段。在對流段被加熱后進入輻射段加熱,至770~800℃并完成裂解反應。由乙烯精餾塔釜返回的循環乙烷經回收冷流量氣化后,按比例加入稀釋蒸汽并注入少量CS2送入乙烷裂解爐,在對流段被預熱后進入輻射段,在輻射段加熱到800~863℃進行裂解反應。
輕柴油(you)(you)(you)和(he)乙(yi)烷(wan)經(jing)(jing)加(jia)熱(re)(re)裂(lie)(lie)解(jie)(jie)(jie)得到乙(yi)烯、丙烯、丁二烯及其他副產(chan)品混合的裂(lie)(lie)解(jie)(jie)(jie)氣(qi)(qi)。裂(lie)(lie)解(jie)(jie)(jie)氣(qi)(qi)由裂(lie)(lie)解(jie)(jie)(jie)爐(lu)(lu)出(chu)(chu)來后(hou)直接進入廢熱(re)(re)鍋爐(lu)(lu),迅速冷卻,同時產(chan)生高(gao)壓蒸(zheng)汽(qi)(qi)。由開(kai)工鍋爐(lu)(lu)給水(shui)泵過(guo)來的高(gao)壓鍋爐(lu)(lu)給水(shui)經(jing)(jing)蒸(zheng)汽(qi)(qi)過(guo)熱(re)(re)爐(lu)(lu)、裂(lie)(lie)解(jie)(jie)(jie)爐(lu)(lu)對(dui)流段加(jia)熱(re)(re)后(hou),進入廢熱(re)(re)鍋爐(lu)(lu)汽(qi)(qi)包,產(chan)生的高(gao)壓蒸(zheng)汽(qi)(qi)再經(jing)(jing)蒸(zheng)汽(qi)(qi)過(guo)熱(re)(re)爐(lu)(lu)過(guo)熱(re)(re)至(zhi)520℃后(hou)送入透平和(he)工藝設備。混合裂(lie)(lie)解(jie)(jie)(jie)氣(qi)(qi)進入急冷器,用急冷油(you)(you)(you)進行冷卻。之后(hou)又經(jing)(jing)過(guo)油(you)(you)(you)氣(qi)(qi)塔(ta)、水(shui)洗塔(ta)進一(yi)步冷卻。水(shui)洗塔(ta)頂部出(chu)(chu)來的裂(lie)(lie)解(jie)(jie)(jie)氣(qi)(qi)被送入裂(lie)(lie)解(jie)(jie)(jie)氣(qi)(qi)壓縮機進行壓縮。油(you)(you)(you)氣(qi)(qi)塔(ta)和(he)水(shui)洗塔(ta)底(di)部分別獲(huo)得裂(lie)(lie)解(jie)(jie)(jie)焦油(you)(you)(you)和(he)裂(lie)(lie)解(jie)(jie)(jie)汽(qi)(qi)油(you)(you)(you)。
2. 壓縮及干燥系統
裂(lie)(lie)解氣進(jin)入五段(duan)(duan)(duan)離心式裂(lie)(lie)解氣壓縮機,在三段(duan)(duan)(duan)出口至四段(duan)(duan)(duan)入口間進(jin)入堿(jian)洗(xi)塔,經(jing)堿(jian)洗(xi)脫除硫化氫和(he)二氧(yang)化碳。經(jing)三段(duan)(duan)(duan)堿(jian)洗(xi)和(he)一段(duan)(duan)(duan)水(shui)洗(xi)后的裂(lie)(lie)解氣送入四段(duan)(duan)(duan)、五段(duan)(duan)(duan)壓縮,送入分(fen)離部分(fen),以便在較高的壓力下進(jin)行(xing)深冷分(fen)離。經(jing)過壓縮后的裂(lie)(lie)解氣首(shou)先進(jin)入干燥器進(jin)行(xing)干燥,然后進(jin)入乙烯分(fen)離系統。
3. 乙烯分離系統
干燥后的裂解氣進入高壓脫乙烷塔進行C2/C3分離,C2經過加氫、冷卻分離出氫氣,然后進入脫甲烷塔進行甲烷脫除。脫除甲烷后的C2進入乙烯精餾塔獲得乙烯產品。乙烯產品在送出裝置前先進行5級壓縮。壓縮后的乙烯可以氣相產品送出裝置。壓縮乙烯也可以進行制冷,一方面為脫甲烷塔等提供制冷劑,另一方面可作為液體乙烯產品送出裝置。
4. 丙烯分離系統
從高壓脫乙烷塔底部出來的C3被送至低壓脫乙烷塔作進一步分離。塔底出來的C3被送入脫丙烷塔進行C3/C4分離。脫丙烷塔頂出來的C3,進入C3加氫系統,然后送至丙烯精餾塔獲得丙烯產品。脫丙烷塔底出來的C4/C5 物料進入脫丁烷塔進行C4/C5分離。從丙烯精餾塔出來的丙烯進入加工三段壓縮機壓縮,以液體丙烯作為產品送出裝置。
三、乙烯裂解裝置的工(gong)藝特點
裂解系統溫度較高,裂解氣中含有氫氣、硫化氫和二氧化碳等腐蝕性介質,裂解部分的廢熱蒸汽系統為高溫高壓工況,C2分離系統為超低溫(-101℃及以下)工況,C3分離系統為低溫(-46℃及以下)介質工況。裝置中的典型介質有氫氣、二氧化碳、乙烯、丙烯和高壓蒸汽等。
四(si)、乙烯裂解(jie)裝置的配管設計
主要是對裂解爐(lu)、塔、換熱器、罐、泵、壓縮機等設(she)備的配管設(she)計。

