可鍛(duan)鑄(zhu)鐵(tie)是(shi)將白口鑄(zhu)鐵(tie)坯件通過石墨化或氧化脫碳熱處理,改變其(qi)金(jin)相組織或成分(fen),而獲得具有(you)較高韌(ren)性的(de)一種鑄(zhu)鐵(tie)件。與灰鑄(zhu)鐵(tie)管(guan)件相比,可鍛(duan)鑄(zhu)鐵(tie)管(guan)件的(de)優(you)點(dian)是(shi)具有(you)韌(ren)性,其(qi)屈服強度(du)與鋼(gang)近似。
可鍛鑄鐵管件與管子的連接為螺紋(wen)連接,通常適用于公稱通徑(jing)為6~150 mm(即DN6~DN150),輸送水(shui)、油、空氣、煤氣、蒸(zheng)汽用的一般管路連接上。
1. 彎頭、三通(tong)和(he)四通(tong)
彎(wan)頭、三(san)通和(he)四通型式見圖 7-1 ,尺寸見表 7-2 。


2. 異(yi)徑彎(wan)頭
異徑彎頭型式(shi)見圖 7-2,尺寸見表 7-3。

3. 45°彎頭
45°彎(wan)頭型式見圖 7-3 ,尺寸見表(biao) 7-4 。

4. 中大、中小異徑三通
中(zhong)大、中(zhong)小(xiao)異徑三通型式見圖 7-4 ,尺寸見表 7-5 。



5. 異徑(jing)三通
異(yi)徑(jing)三通型式見圖(tu) 7-5 ,尺寸(cun)見表 7-6 。

6. 異徑四通(tong)
異徑四通型式見圖 7-6 ,尺寸(cun)見表 7-7 。

7. 短月彎、單彎三通和雙彎彎頭
短月(yue)彎(wan)、單彎(wan)三通和雙彎(wan)彎(wan)頭型式見圖 7-7 ,尺寸見表 7-8 。

8. 異徑單彎三通
異徑單彎三通型(xing)式(shi)見(jian)圖 7-8 ,尺寸見(jian)表 7-9 。

9. 異(yi)徑雙彎(wan)彎(wan)頭
異徑雙彎彎頭型(xing)式(shi)見(jian)(jian)圖 7-9 ,尺寸(cun)見(jian)(jian)表 7-10 。

10. 長月彎
長月彎(wan)型式見圖(tu) 7-10 ,尺寸(cun)見表 7-11 。

11. 45°月彎
45°月(yue)彎(wan)型式見圖(tu) 7-11 ,尺(chi)寸(cun)見表 7-12 。

12. 外接頭
外(wai)接頭型式見圖 7-12 ,尺寸見表 7-13 。


13. 內外絲(si)接頭
內外絲接頭型式見圖 7-13 ,尺寸見表 7-14 。

14. 內(nei)外螺絲(si)
內外螺(luo)絲(si)型式見圖 7-14 ,尺寸見表 7-15 。


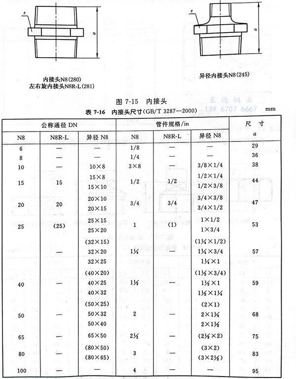
15. 內接(jie)頭(tou)
內接頭見圖 7-15 ,尺寸見表 7-16 。

16. 鎖緊螺母(mu)
鎖緊(jin)螺母型式見(jian)圖7-16,尺寸見(jian)表7-17。鎖緊(jin)螺母可以是(shi)平的(de)或凹(ao)入(ru)式的(de),允(yun)許加工一個表面。s尺寸(扳手(shou)對(dui)邊寬度)由制(zhi)造(zao)商(shang)自(zi)行決定。螺紋應符合GB/T 7307《非(fei)螺紋密封管螺紋》的(de)規定。

17. 管(guan)帽和管(guan)堵(du)
管(guan)帽(mao)和管(guan)堵(du)型(xing)式見(jian)圖7-17,尺(chi)寸見(jian)表7-18。管(guan)帽(mao)可以是六邊形(xing)、圓形(xing)或其他(ta)形(xing)狀,由制造方決定。

18. 活接頭
活接頭型式見圖7-18,尺寸見表7-19。其他類型座的設計和材料應符合表中所給出的尺寸a、b。 墊圈見7.2.20條。 活(huo)接(jie)頭(tou)U1和U2可否(fou)同套管一起供應由制造方決定。

注:活(huo)接(jie)頭(tou)(無論是否有適合于閥座設計的墊圈)應作(zuo)為(wei)一個完整組(zu)件(jian)(jian)來(lai)使(shi)用,因為(wei)活(huo)接(jie)頭(tou)的部件(jian)(jian)可以(yi)由不(bu)同的制造(zao)商(shang)來(lai)加工,也可以(yi)不(bu)同類型活(huo)接(jie)頭(tou)的部件(jian)(jian)由同一個制造(zao)商(shang)來(lai)做,這(zhe)些部件(jian)(jian)沒有必(bi)要(要求)具有互換性。
19. 活(huo)接彎頭
活接彎(wan)頭型式見圖(tu)7-19,尺寸(cun)見表7-20。其(qi)他類型座的設計和(he)材料應符合表中(zhong)給出的尺寸(cun)a、b和(he)c。


注:活接(jie)頭(tou)(無論是(shi)否有適合于閥座設(she)計(ji)的墊圈)應作為(wei)一個完整組件來(lai)使用,因為(wei)活接(jie)頭(tou)的部件可以由不同(tong)的制造商來(lai)加工,也可以不同(tong)類型活接(jie)頭(tou)的部件由同(tong)一個制造商來(lai)做,這些(xie)部件沒(mei)有必(bi)要(要求)具有互換性。
20. 墊圈
墊(dian)圈的型(xing)式(shi)見圖 7-20 ,尺寸(cun)見表 7-21 。

墊(dian)圈材料和厚度根據用途,訂貨時由(you)供需雙方協定。

