化工鋼制有縫對焊管件是用碳鋼、低合金鋼和奧氏體不銹鋼鋼板制造的具有縱向焊縫的管件,其品種包括三(san)通(等徑和異徑)、彎頭(短半徑90°和長半徑90°、45°)、異徑管或異徑接頭(同心和偏心)三種,與接管連接的方式為對焊連接,端部外徑分為Ⅰ系列和(he)Ⅱ系(xi)列,是專供化工行(xing)業大型管道使用的一種管件。
1. 結(jie)構型式與(yu)尺(chi)寸
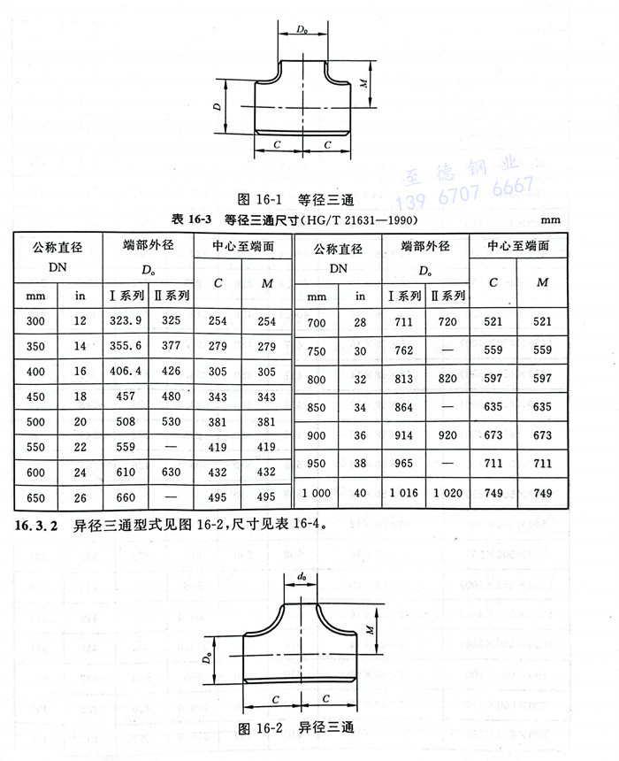
a. 等徑三(san)通型式(shi)見圖 16-1 ,尺寸見表 16-3 。
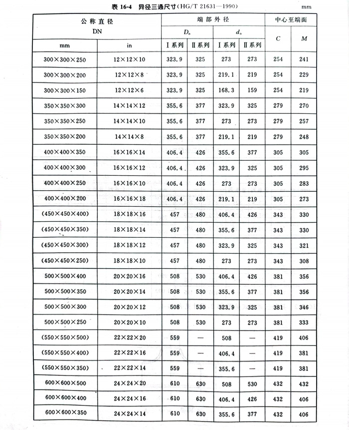
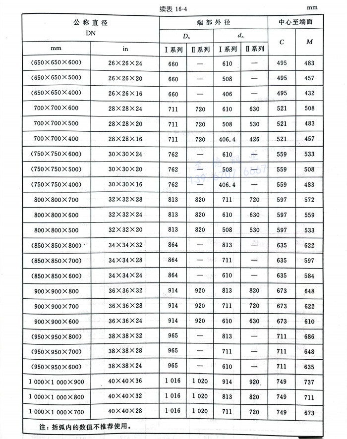
b. 異徑(jing)三(san)通型(xing)式見圖 16-2 ,尺寸見表 16-4 。



c. 彎頭型式見圖 16-3,尺寸見表 16-5 。

d. 異徑管型式見圖 16-4 ,尺寸(cun)見表(biao) 16-6 。


2. 公差
成型管件的主要(yao)尺寸偏(pian)差(cha)見圖 16-5 及表 16-7。


