化(hua)工(gong)鋼制承(cheng)插焊(han)管(guan)件(jian)是(shi)以美國和日本(ben)管(guan)件(jian)相關標準(zhun)為依據,并結合我國化(hua)工(gong)行業(ye)實(shi)際情況(kuang)制定的(de)一種專用管(guan)件(jian)標準(zhun),常用于小型管(guan)道。
1. 承插焊90°彎頭(90°SWE)
承插焊(han)90°彎(wan)頭型(xing)式(shi)見圖17-1,尺寸見表17-4。
2. 承插焊(han)45°彎(wan)頭(45°SWE)
承插焊45°彎(wan)頭型式見圖(tu)17-2,尺(chi)寸見表17-5。


3. 承插焊三通(SWT)
承插焊三通(tong)型式見(jian)圖17-3,尺(chi)寸(cun)見(jian)表17-6。
4. 承插焊異徑(jing)三(san)通(SWRT)
承插焊異徑三(san)通型式見圖17-4,尺寸(cun)見表17-7。


5. 承插焊管接(jie)頭(SWC)
承插焊(han)管接頭型式見圖(tu)17-5,尺寸見表17-8。
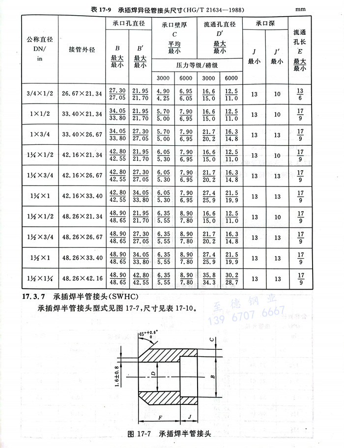
6. 承插焊異徑管(guan)接頭(tou)(SWRC)
承插焊異徑管(guan)接頭型式見(jian)圖17-6,尺(chi)寸見(jian)表(biao)17-9。
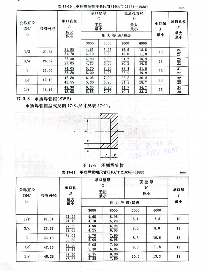
7. 承插焊半管(guan)接頭(SWHC)
承(cheng)插焊半管(guan)接頭型式見(jian)(jian)圖17-7,尺寸見(jian)(jian)表17-10。
8. 承插焊管帽頭(SWP)
承插焊管帽型式見圖17-8,尺寸見表17-11。



9. 承插焊活接頭
承插焊(han)活接頭(tou)型(xing)式見(jian)圖17-9,尺寸見(jian)表17-12。

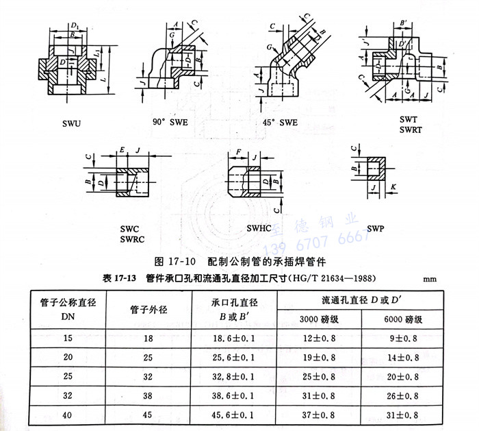
10. 承插焊(han)管(guan)件配公制管(guan)的加工尺寸
配制公制管的鍛(duan)鋼承插焊管件型式見圖17-10,其承口孔(kong)和流通孔(kong)直徑加工(gong)尺寸見表17-13。

其(qi)他尺寸A、C、G、J、E、K、F、L等都相同(見圖14-10)。
異徑(jing)管(guan)(guan)接頭的(de)小端(duan)(duan)承口孔直徑(jing)為B',流通孔直徑(jing)按小端(duan)(duan)D'開孔。用于公制管(guan)(guan)子的(de)鍛鋼承插焊(han)管(guan)(guan)件,須在書(shu)寫名(ming)稱之尾加“(A)”,如(ru)90°SWE(A)、SWT(A)、SWU(A)····。

