襯(chen)(chen)塑鋼(gang)管(guan)和(he)管(guan)件(jian)是在鋼(gang)管(guan)和(he)管(guan)件(jian)內部(bu)襯(chen)(chen)以聚丙烯(PP)、聚乙(yi)烯(PE)及聚氯乙(yi)烯(PVC)等非金屬材料,以適(shi)應化工(gong)、石油(you)化工(gong),醫藥、紡織(zhi)和(he)冶(ye)金等部(bu)門輸送(song)腐蝕性介質的需(xu)要。這種襯(chen)(chen)塑鋼(gang)管(guan)和(he)管(guan)件(jian)的公稱壓力為PN20,相(xiang)當于2.0 MPa。
1. 襯塑直管
a. 管端用(yong)螺紋(wen)法(fa)蘭連接(jie)的(de)襯塑鋼管型式見圖18-1,尺寸見表18-2。
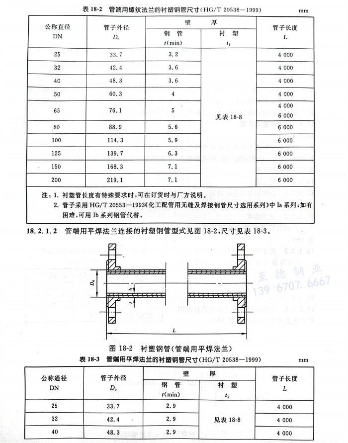
b. 管(guan)端(duan)用平法蘭連接的襯塑鋼管(guan)型式見圖(tu)18-2,尺寸見表18-3。



2. 襯塑管(guan)件
a. 襯塑鋼制彎頭(tou)
襯(chen)塑鋼制彎頭型式見圖18-3,尺寸見表18-4。
b. 襯塑鋼制三通、異徑管
襯塑鋼制三通、異(yi)徑管型式見(jian)圖18-4,尺寸見(jian)表(biao)18-5。
c. 襯塑鑄(zhu)鋼彎頭(tou)
襯塑(su)鑄鋼彎頭(tou)型(xing)式(shi)見圖18-5,尺寸見表18-6。
d. 襯(chen)塑(su)鋼制三通、異徑管
襯塑鑄(zhu)鋼三通(tong)、異(yi)徑管型式(shi)見(jian)圖18-6,尺寸(cun)見(jian)表18-7。







e. 襯塑層
襯塑層厚度尺(chi)寸見表 18-8

3. 襯塑管端部連(lian)接法蘭
根據襯(chen)塑工藝的不(bu)同,對于DN≤200mm襯(chen)塑管端部(bu),可采(cai)用突面帶頸螺(luo)紋(wen)法蘭(lan)連接,其公稱壓(ya)力PN為1.0MPa及2.0MPa兩級。
PN1.0MPa突(tu)面帶(dai)頸螺紋(wen)鋼(gang)制管(guan)法蘭(lan)型式(shi)見(jian)圖18-7,尺寸見(jian)表18-9。
PN2.0MPa突(tu)面帶(dai)頸螺(luo)紋鋼制管法蘭型式見圖(tu)18-7,尺(chi)寸見表18-10。


4. 公(gong)差
襯(chen)塑管(guan)(guan)及管(guan)(guan)件主要尺寸偏差見(jian)圖 18-8 及表 18-11。



