ISO(國際標準化組織)制定并實施的比較典型的管件標準有對焊管件(jian)及螺紋連接管件兩類。對焊管件標準側重于介紹非合金鋼、合金鋼以及不銹鋼對焊管件;螺紋連接管件標準側重于介紹不銹鋼螺紋管件。非合金鋼和合金鋼對焊管件(ISO 3419:1981)及不銹鋼對焊管件(ISO 5251:1981)是ISO早期制定的標準,目前仍然在使用。不銹鋼螺紋管件(ISO 4144:2003)則是ISO近期制定的標準。
不銹(xiu)鋼對焊管件 ISO 5251
1. 適用范圍
ISO 5251:1981 標準規定了用于管道工程質量(liang)要求的(de)(de)對焊彎頭(tou)(tou)[具有或沒有直管端的(de)(de)3D型(90°和(he)180°和(he)5D型(90°)]、同(tong)心(xin)和(he)偏心(xin)異徑接頭(tou)(tou)、三通及管帽的(de)(de)尺寸、公差以及管件用一般用途的(de)(de)不銹鋼(gang)鋼(gang)號。
2. 符號含意
DN--公稱通徑(jing)(見ISO 6708);
D-大外徑(jing);
D1-小(xiao)外徑;
d--大內徑(jing);
d1-小(xiao)內徑(jing);
T-接近(jin)D處的壁厚;
T1-接近D1處的壁厚;
C--180°彎(wan)頭中心線(xian)直徑(jing);
B--180°彎(wan)頭自(zi)背(bei)面至端面或(huo)至直管端部開始處的尺寸;
F--90°彎頭自中心線(xian)至(zhi)端面或至(zhi)直管端部(bu)開始處的尺(chi)寸以及等徑和異(yi)徑三通自中心線(xian)至(zhi)端面d的尺(chi)寸;
H--異(yi)徑三(san)通自中心線至端面(mian)d1的尺(chi)寸;
K--管帽總高(gao)度;
L--異徑接(jie)頭總長度及(ji)彎頭直管端的長度;
R、R1-異徑接(jie)頭曲率半徑;
Q--角(jiao)直線偏差;
P--垂(chui)直線(xian)偏差(cha)。
3. 材料
a. 所(suo)使(shi)用的(de)鋼號按(an)以下規定:
TS46、TS47、TS57、TS58、TS60、TS61 (ISO 2604-2);
P46、P47、P61 (ISO 2604-4);
TW46、TW47、TW58、TW61 (ISO 2604-5)。
b. 經(jing)供需雙方協議(yi)可提供ISO 2604-2、ISO 2604-4和ISO 2604-5中所規定(ding)的其他鋼號。
c. 管件應由以下材(cai)料(liao)制(zhi)造:
①. 無縫鋼管(guan);
②. 焊接鋼管或焊接板材。焊縫應預先經供需雙方協議的無損檢驗方法檢驗。
d. 根據供(gong)需雙方協(xie)議,應進行晶間腐蝕試驗。例如,按照ISO 3651-2進行試驗。
4. 結構型(xing)式與(yu)尺(chi)寸
3D彎頭(tou)包括不帶(dai)直(zhi)管(guan)端(duan)和帶(dai)直(zhi)管(guan)端(duan)的(de)兩種(zhong)。不帶(dai)直(zhi)管(guan)端(duan)的(de)3D彎頭(tou)型(xing)式(shi)見圖(tu)19-7,尺(chi)寸見表19-10;帶(dai)直(zhi)管(guan)端(duan)的(de)3D彎頭(tou)型(xing)式(shi)見圖(tu)19-8,尺(chi)寸見表19-11。
5D彎頭(tou)(90°)型(xing)式見圖19-9,尺寸見表19-12。






同心(xin)(xin)和偏心(xin)(xin)異徑接頭型式(shi)見(jian)圖19-10,尺(chi)寸(cun)見(jian)表19-13。
推薦半徑: 同心異徑接頭(tou):R≥0.4D R1≥0.4D1 , 偏心異徑接頭(tou):R≥0.3D , R1≥0.3D1 。








等徑和異徑三通型式見圖19-11,尺寸見表19-14。









管帽型式見圖(tu)19-12,尺寸見表19-15。


5. 公(gong)差
a. 尺寸偏差
管件(jian)尺(chi)寸偏(pian)差見表 19-16

b. 直線性偏差
管(guan)件直線性偏(pian)差見表 19-17

c. 坡口偏(pian)差
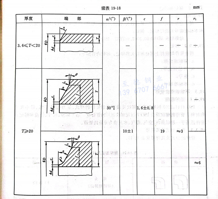
管件(jian)焊(han)端(duan)應切(qie)成(cheng)直(zhi)角。對于超過 3.6mm 的壁厚,其端(duan)部應加工成(cheng)坡口。端(duan)部形狀(zhuang)和尺寸見表 19-18。


6. 熱處理
熱處理應按生產(chan)廠和(he)采(cai)購(gou)方之間(jian)的(de)協議進行(xing),例如,根據ISO 2604-2《壓(ya)力用(yong)鋼(gang)質量(liang)要求(qiu) 第2部(bu)分(fen)(fen):軋(ya)制無縫(feng)鋼(gang)管》或ISO 2604-5《壓(ya)力用(yong)鋼(gang)質量(liang)要求(qiu) 第5部(bu)分(fen)(fen):縱向焊接的(de)奧氏體(ti)不銹(xiu)鋼(gang)管》。
7. 試(shi)驗
通常,對(dui)于按本標(biao)準條件生(sheng)產的(de)管件,不要求驗(yan)收試(shi)驗(yan)。
8. 檢驗合格證
a. 當(dang)用戶要求時,生(sheng)產廠應(ying)提(ti)供表明(ming)所(suo)提(ti)供的管(guan)件符(fu)合本標準(zhun)的檢(jian)驗合格證。
b. 本(ben)檢(jian)驗合(he)格證應符合(he)ISO 404《鋼和鋼材(cai)一般交貨技術條件》中的(de)5.2.1和5.2.2條的(de)要求。
9. 標記和印記
a. 標記
管件(jian)應(ying)按型(xing)式(即彎頭、異徑(jing)接頭、管帽、三(san)通)、角(jiao)度(對彎頭而言)、外徑(jing)、壁厚、鋼號(hao)和本標準編號(hao)來進行標記。例(li)如:
對焊(han)彎頭3D-90-60.3×2.9-TS47 ISO 5251
b. 印(yin)記
所有管件均應(ying)打上明(ming)顯而持久的印記(ji)。印記(ji)內(nei)容如下:
a. 商標或名稱;
b. 外徑和壁厚;
c. 鋼號;
d. 本(ben)標準編號(hao)。

