本篇(pian)重點(dian)介紹國際標準化組(zu)織(ISO)及美國機械工(gong)程師協(xie)會(ASME)發(fa)布(bu)的有代表性的管(guan)(guan)(guan)件(jian)(jian)(jian)標準。這些管(guan)(guan)(guan)件(jian)(jian)(jian)標準包括:ISO發(fa)布(bu)的非合(he)金鋼及合(he)金鋼對焊(han)(han)管(guan)(guan)(guan)件(jian)(jian)(jian)、不(bu)銹鋼對焊(han)(han)管(guan)(guan)(guan)件(jian)(jian)(jian)及不(bu)銹鋼螺紋(wen)(wen)管(guan)(guan)(guan)件(jian)(jian)(jian)3個國際標準;ASME發(fa)布(bu)的灰鑄(zhu)鐵(tie)螺紋(wen)(wen)管(guan)(guan)(guan)件(jian)(jian)(jian)、可鍛(duan)(duan)鑄(zhu)鐵(tie)螺紋(wen)(wen)管(guan)(guan)(guan)件(jian)(jian)(jian)、承(cheng)插焊(han)(han)和(he)螺紋(wen)(wen)連接鍛(duan)(duan)鋼制管(guan)(guan)(guan)件(jian)(jian)(jian)、工(gong)廠制造的鍛(duan)(duan)鋼對焊(han)(han)管(guan)(guan)(guan)件(jian)(jian)(jian)及鍛(duan)(duan)鋼制對焊(han)(han)小彎(wan)曲半徑彎(wan)頭和(he)180°彎(wan)頭等5個標準。
這些(xie)國(guo)外(wai)(含國(guo)際)典型管件標(biao)準(zhun)的(de)推薦,對(dui)我(wo)國(guo)石油(you)、化工、石油(you)化工等(deng)領域的(de)引進裝置,具有選用(yong)價值。
ISO(國際標(biao)準(zhun)化組織)制(zhi)定并實施的(de)比較典型的(de)管(guan)(guan)件(jian)(jian)標(biao)準(zhun)有對(dui)焊(han)管(guan)(guan)件(jian)(jian)及(ji)螺(luo)(luo)紋(wen)(wen)連接管(guan)(guan)件(jian)(jian)兩(liang)類(lei)。對(dui)焊(han)管(guan)(guan)件(jian)(jian)標(biao)準(zhun)側重(zhong)于(yu)介紹非(fei)合(he)金(jin)(jin)鋼(gang)(gang)(gang)、合(he)金(jin)(jin)鋼(gang)(gang)(gang)以及(ji)不銹(xiu)鋼(gang)(gang)(gang)對(dui)焊(han)管(guan)(guan)件(jian)(jian);螺(luo)(luo)紋(wen)(wen)連接管(guan)(guan)件(jian)(jian)標(biao)準(zhun)側重(zhong)于(yu)介紹不銹(xiu)鋼(gang)(gang)(gang)螺(luo)(luo)紋(wen)(wen)管(guan)(guan)件(jian)(jian)。非(fei)合(he)金(jin)(jin)鋼(gang)(gang)(gang)和合(he)金(jin)(jin)鋼(gang)(gang)(gang)對(dui)焊(han)管(guan)(guan)件(jian)(jian)(ISO 3419:1981)及(ji)不銹(xiu)鋼(gang)(gang)(gang)對(dui)焊(han)管(guan)(guan)件(jian)(jian)(ISO 5251:1981)是ISO早(zao)期制(zhi)定的(de)標(biao)準(zhun),目前(qian)仍然(ran)在使(shi)用。不銹(xiu)鋼(gang)(gang)(gang)螺(luo)(luo)紋(wen)(wen)管(guan)(guan)件(jian)(jian)(ISO 4144:2003)則(ze)是ISO近期制(zhi)定的(de)標(biao)準(zhun)。
不銹鋼螺紋管件(jian) ISO 4144:2003 標準
1. 適用范(fan)圍
ISO 4144:2003標準規定了螺紋(wen)(wen)連接不銹(xiu)鋼管(guan)(guan)件的(de)(de)型(xing)式、壓力(li)-溫度等級、最(zui)小尺寸和材(cai)料。管(guan)(guan)件的(de)(de)螺紋(wen)(wen)符合(he)ISO 7-1《用螺紋(wen)(wen)密封的(de)(de)管(guan)(guan)螺紋(wen)(wen) 第1部(bu)分:尺寸、公差和標記》;管(guan)(guan)件適(shi)用于(yu)一般以蒸汽、空氣(qi)、煤氣(qi)、水(shui)及油(you)為(wei)介質的(de)(de)管(guan)(guan)道。
2. 管(guan)件型(xing)式(shi)及其符(fu)號
管件的(de)型式及(ji)其符(fu)號(hao)見表19-19。


3. 壓力-溫度等級
壓力-溫(wen)度等(deng)級見表(biao)19-20。

4. 制造(zao)和材料
管件應采用鑄造、軋制、鍛造等方法制造。材料應為奧氏體不銹鋼(gang),其屈服極限至少等于ISO 2604-2中所規定的鋼號為TS47的屈服極限。制造管件的材料應嚴格經過ISO 4991:1994《壓力用途的鑄鋼件》5.2條表1所規定的固溶化退火熱處理。
5. 螺紋(wen)
a. 螺紋的選擇
管件的(de)螺(luo)紋(wen)(wen)應(ying)符合ISO7-1的(de)規定。外(wai)螺(luo)紋(wen)(wen)及內螺(luo)紋(wen)(wen)錐(zhui)度為1:16,但內螺(luo)紋(wen)(wen)可以為直螺(luo)紋(wen)(wen)。
例外情況:活接頭螺母及(ji)其配(pei)合(he)螺紋應符合(he)ISO 68-1、ISO 228-1、ISO 261、ISO 262或ISO 724-的規定。
b. 倒角
螺紋端部(bu)應進(jin)行倒角。
6. 結構型式(shi)與尺寸
a. 總(zong)則(ze)
管件(jian)尺寸在圖(tu)19-14~圖(tu)19-27中及表(biao)19-21~表(biao)19-34中規定(ding)。未規定(ding)的尺寸由制造(zao)廠(chang)自行處理。
管件接口型式見(jian)圖19-14,尺寸見(jian)表19-21。
彎頭(tou) E1、三通(tong) T1 及四通(tong) X1 型(xing)式見圖19-15,尺寸見表19-22。


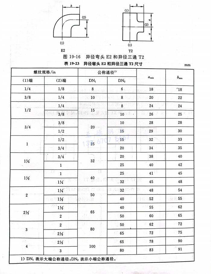
異徑(jing)彎頭(tou) E2 和 異徑(jing)三通 T2 型式見圖19-16,尺(chi)寸(cun)見表19-23。

45°彎頭 E3 型式(shi)見圖19-17,尺寸(cun)見表19-24。
外螺(luo)紋與內螺(luo)紋彎(wan)頭 E4 型式見圖(tu)19-18,尺寸見表19-25。

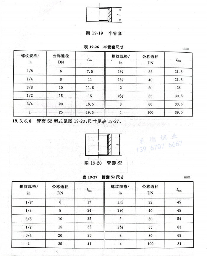
半管套S1 型(xing)式見圖19-19,尺寸(cun)見表19-26。
管套(tao)S2 型式見圖19-20,尺寸見表19-27。

異(yi)徑管套(tao)S3 型式(shi)見(jian)圖19-21,尺寸見(jian)表(biao)19-28。

異(yi)徑塞孔(kong)管(guan)套B1
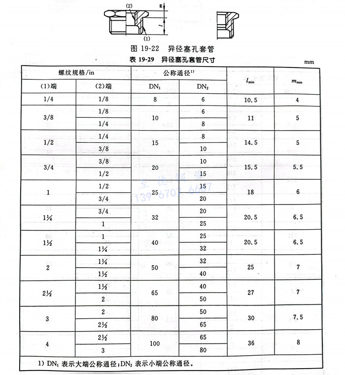
異(yi)徑(jing)塞孔(kong)管套可以有六角(jiao)形(xing)(xing)、八角(jiao)形(xing)(xing)、十(shi)角(jiao)形(xing)(xing)等種(zhong)(zhong)類。規格在(zai)1/2以下(xia)的(de)(de)只有六角(jiao)形(xing)(xing)1種(zhong)(zhong);規格為(wei)3/4~2的(de)(de)有六角(jiao)形(xing)(xing)或八角(jiao)形(xing)(xing)2種(zhong)(zhong);規格為(wei)22~4的(de)(de)有六角(jiao)形(xing)(xing)、八角(jiao)形(xing)(xing)或十(shi)角(jiao)形(xing)(xing)3種(zhong)(zhong)。異(yi)徑(jing)塞孔(kong)管套B1型式見(jian)圖(tu)19-22,尺寸見(jian)表19-29。

六角頭螺紋接套(tao)N1
六角(jiao)(jiao)(jiao)(jiao)頭螺(luo)紋(wen)接套可以(yi)有六角(jiao)(jiao)(jiao)(jiao)形(xing)(xing)(xing)(xing)、八角(jiao)(jiao)(jiao)(jiao)形(xing)(xing)(xing)(xing)、十角(jiao)(jiao)(jiao)(jiao)形(xing)(xing)(xing)(xing)等種(zhong)類(lei)。規(gui)格在(zai)1/2以(yi)下的只(zhi)有六角(jiao)(jiao)(jiao)(jiao)形(xing)(xing)(xing)(xing)1種(zhong);規(gui)格為3/4~2的有六角(jiao)(jiao)(jiao)(jiao)形(xing)(xing)(xing)(xing)或八角(jiao)(jiao)(jiao)(jiao)形(xing)(xing)(xing)(xing)2種(zhong);規(gui)格為2/2~4的有六角(jiao)(jiao)(jiao)(jiao)形(xing)(xing)(xing)(xing)、八角(jiao)(jiao)(jiao)(jiao)形(xing)(xing)(xing)(xing)或十角(jiao)(jiao)(jiao)(jiao)形(xing)(xing)(xing)(xing)3種(zhong),六角(jiao)(jiao)(jiao)(jiao)形(xing)(xing)(xing)(xing)螺(luo)紋(wen)接套型式 N1 見圖19-23,尺寸(cun)見表19-30。

異(yi)徑螺(luo)紋(wen)接套
異徑(jing)螺(luo)紋接套可以有(you)六角(jiao)(jiao)形(xing)(xing)(xing)、八(ba)角(jiao)(jiao)形(xing)(xing)(xing)、十角(jiao)(jiao)形(xing)(xing)(xing)等(deng)種(zhong)(zhong)類。規(gui)(gui)格在1/2以下(xia)的只有(you)六角(jiao)(jiao)形(xing)(xing)(xing)1種(zhong)(zhong);規(gui)(gui)格為3/4~2的有(you)六角(jiao)(jiao)形(xing)(xing)(xing)或(huo)八(ba)角(jiao)(jiao)形(xing)(xing)(xing)2種(zhong)(zhong);規(gui)(gui)格為2/2~4的有(you)六角(jiao)(jiao)形(xing)(xing)(xing)、八(ba)角(jiao)(jiao)形(xing)(xing)(xing)或(huo)十角(jiao)(jiao)形(xing)(xing)(xing)3種(zhong)(zhong)。異徑(jing)螺(luo)紋接套N2型式見(jian)圖(tu)19-24,尺寸見(jian)表(biao)19-31。



管帽C1
管帽(mao)(mao)由制造廠隨意選(xuan)擇(ze),可以為六角(jiao)形、八角(jiao)形或(huo)十角(jiao)形。管帽(mao)(mao)C1型式見圖19-25,尺寸見表19-32。
管塞P1和P2
管(guan)塞(sai)由制(zhi)造廠隨意選(xuan)擇,可(ke)以為(wei)實心的或空心的。管(guan)塞(sai)P2可(ke)以為(wei)六(liu)角(jiao)(jiao)頭形、八角(jiao)(jiao)頭形、十角(jiao)(jiao)頭形等種類。規格在1/2以下的只有(you)(you)六(liu)角(jiao)(jiao)形1種;規格為(wei)3/4~2的有(you)(you)六(liu)角(jiao)(jiao)形或八角(jiao)(jiao)形2種;規格為(wei)2%~4的有(you)(you)六(liu)角(jiao)(jiao)形、八角(jiao)(jiao)形或十角(jiao)(jiao)形3種。管(guan)塞(sai)P1和(he)P2的型式見(jian)圖(tu)19-26,尺寸見(jian)表19-33。

平(ping)座(zuo)(zuo)U1、U2和U3活(huo)接頭及(ji)錐(zhui)座(zuo)(zuo)U4、U5和U6 活(huo)接頭
平座(zuo)U1、U2和U3活接(jie)頭及錐座(zuo)U4、U5和U6活接(jie)頭型式見圖19-27,尺(chi)寸(cun)見表19-34。

7. 試(shi)驗和檢(jian)驗
a. 管件應進(jin)行以(yi)下視(shi)覺性的檢驗:
管件內、外(wai)表面(mian)要光(guang)滑、無(wu)裂紋(wen)、無(wu)有害刮痕(hen)、毛(mao)刺、粘砂或(huo)其他缺陷(xian)。
管件全部螺紋(wen)部分應完好無(wu)損,不稀疏、無(wu)裂(lie)紋(wen)或其他缺陷。
b. 管件螺紋的檢驗(yan)應按(an)(an)照(zhao)ISO 7-2進(jin)行,或按(an)(an)其他適合的方法進(jin)行。
c. 螺(luo)紋(wen)的(de)軸線精度(du)應達到(dao)規定角度(du)的(de)士0.5°范圍內。
d. 當檢驗(yan)(yan)生(sheng)產的管件(jian)時(shi)(shi),應對每一(yi)個管件(jian)進(jin)行下(xia)述試(shi)驗(yan)(yan)以保(bao)證管件(jian)不(bu)產生(sheng)泄漏。為了試(shi)驗(yan)(yan)管件(jian),螺紋端(duan)要密(mi)封。當加壓使(shi)管件(jian)內部的壓力達到(dao)6bar的空氣壓力后(hou),在保(bao)持此壓力的同時(shi)(shi),按表19-35所規定(ding)的最小試(shi)驗(yan)(yan)持續時(shi)(shi)間,觀(guan)察管件(jian)有無泄漏現象。

e. 水壓(ya)試(shi)驗(yan)可以(yi)在30 bar壓(ya)力下進行,以(yi)代替空氣壓(ya)力試(shi)驗(yan)。試(shi)驗(yan)方法(fa)和試(shi)驗(yan)持(chi)續時間按19.3.7.4條規定。
f. 由諸如(ru)鍛件、軋制棒料或擠壓管材等材料制成(cheng)的(de)管件,則不(bu)需要做泄(xie)漏檢驗。
g. 管件應(ying)能(neng)夠通過晶間腐蝕試(shi)(shi)驗并(bing)合(he)格,晶間腐蝕試(shi)(shi)驗按ISO 4990《鑄鋼(gang)件交貨的一(yi)般技術要求》中的B.9.1條進(jin)行。當(dang)做腐蝕試(shi)(shi)驗時,應(ying)對每(mei)一(yi)熱處理裝爐量的一(yi)根(gen)管件做試(shi)(shi)驗。
8. 印記
管件應以商標(biao)、材料代號或(huo)縮寫以及螺紋標(biao)記(ji)做印記(ji)。但是,當容納標(biao)志的(de)位置不夠時,標(biao)志可以省略。
9. 標記(ji)
①. 標記內容
符合 ISO 4144:2003(E)的管件,應按(an)以下內(nei)容依次(ci)進行標記:
a. 管(guan)件(jian)型(xing)式;
b. 標準(zhun)編號(hao)ISO 4144;
c. 螺(luo)紋規(gui)格標記;
d. 符號(見表19-19);
e. 材料。
②. 標記示例
具有材料牌號為TS47鋼、內(nei)圓錐螺紋為Rc2的等徑內(nei)螺紋彎(wan)頭E1的標記為: 彎(wan)頭 ISO 4144-Rc2E1 TS47
具有材料牌號為(wei)TS61鋼、內(nei)圓(yuan)錐螺(luo)紋為(wei)Rc2、支管為(wei)1%的(de)主(zhu)管異徑三通T2的(de)標記為(wei): 異徑三(san)通(tong) ISO 4144-Rc2 × 1/4 T2 TS61

