本章(zhang)所(suo)介紹的(de)美國(guo)管(guan)件(jian)(jian)(jian)標準(zhun)主要(yao)為(wei)美國(guo)機械工程師協會(即ASME)近期發布的(de)最新標準(zhun),這些管(guan)件(jian)(jian)(jian)標準(zhun)主要(yao)為(wei):灰鑄鐵螺紋管(guan)件(jian)(jian)(jian)(ASME B16.4-1998)、可鍛鑄鐵螺紋管(guan)件(jian)(jian)(jian)(ASME B16.3-1998)、承插焊和螺紋連(lian)接鍛鋼制管(guan)件(jian)(jian)(jian)(ASME B16.11-2005)、工廠(chang)制造的(de)鍛鋼對焊管(guan)件(jian)(jian)(jian)及鍛鋼制對焊短半(ban)徑彎頭(tou)(tou)和180°彎頭(tou)(tou)等。
承(cheng)插焊和螺(luo)紋連接(jie)鍛鋼(gang)制管(guan)件 ASME B16.11-2005 標(biao)準(zhun)
一、 適用范圍
1. 總則
ASME B16.11-2005標準適用于表20-30~表20-39所示的承插焊式(shi)和(he)螺紋連(lian)接式(shi)兩種鍛制管件(jian)的壓力-溫度等級、材料、尺寸、公差(cha)和(he)標志(zhi)。
a. 管件型式/形狀(zhuang)
本標準所包含(han)的(de)(de)管件型式(shi)(按(an)磅(bang)級及規格區分)見(jian)表(biao)20-26。表(biao)20-30~表(biao)20-39所示的(de)(de)管件也可制成承插焊(han)端(duan)和螺紋(wen)端(duan)組合式(shi)管件。
b. 專用管(guan)件
經供需雙方協(xie)商(shang),可以制造(zao)帶特殊(shu)螺紋或(huo)特殊(shu)锪孔的(de)管(guan)件。這些管(guan)件,當(dang)符(fu)合(he)(he)本(ben)標(biao)(biao)準(zhun)的(de)所(suo)有其他條文(wen)規定時(shi),只(zhi)要(yao)作適當(dang)的(de)標(biao)(biao)志(zhi)(見20.3.8條標(biao)(biao)志(zhi)內容(rong)),則應被(bei)認為是與本(ben)標(biao)(biao)準(zhun)相符(fu)合(he)(he)的(de)管(guan)件。
c. 質量體系
按(an)本標準制(zhi)(zhi)造(zao)(zao)(zao)的(de)(de)產(chan)品(pin),應(ying)按(an)質(zhi)量(liang)(liang)體系(xi)(xi)(xi)程(cheng)序(xu)生產(chan),該程(cheng)序(xu)應(ying)按(an)照ISO 9000系(xi)(xi)(xi)列的(de)(de)某一合適的(de)(de)標準的(de)(de)原則制(zhi)(zhi)定。制(zhi)(zhi)造(zao)(zao)(zao)廠(chang)有責(ze)任(ren)確(que)定是否需要由一個獨立的(de)(de)組(zu)織機構(gou)對(dui)產(chan)品(pin)制(zhi)(zhi)造(zao)(zao)(zao)廠(chang)的(de)(de)質(zhi)量(liang)(liang)體系(xi)(xi)(xi)程(cheng)序(xu)進行(xing)注冊和/或(huo)(huo)認證。采購方在制(zhi)(zhi)造(zao)(zao)(zao)廠(chang)的(de)(de)場所(suo)應(ying)能得(de)到演示程(cheng)序(xu)符合性(xing)的(de)(de)詳(xiang)細文(wen)件。應(ying)采購方的(de)(de)請求(qiu),采購方可以得(de)到產(chan)品(pin)制(zhi)(zhi)造(zao)(zao)(zao)廠(chang)提供(gong)的(de)(de)其所(suo)使用的(de)(de)該質(zhi)量(liang)(liang)體系(xi)(xi)(xi)程(cheng)序(xu)的(de)(de)書面概括說(shuo)明。所(suo)謂產(chan)品(pin)制(zhi)(zhi)造(zao)(zao)(zao)廠(chang)是指按(an)本標準標志(zhi)或(huo)(huo)識別(bie)要求(qiu)顯示在產(chan)品(pin)上(shang)的(de)(de)完整(zheng)廠(chang)名或(huo)(huo)商標。
2. 使用條(tiao)件
選擇適(shi)合于特定流(liu)體使用條件(jian)的管件(jian)型式和材料的標準不在本標準的范圍內。
3. 焊接
安裝(zhuang)焊接(jie)(jie)要求不在本(ben)標準的范(fan)圍(wei)內。安裝(zhuang)焊接(jie)(jie)應按(an)照(zhao)適(shi)用的管道(dao)規范(fan)或包含安裝(zhuang)該管件(jian)的管道(dao)系統的規程進行。
4. 標準計量單位
無論(lun)是(shi)以米制(zhi)計量(liang)單(dan)位(wei)(wei)(wei)或是(shi)英(ying)制(zhi)計量(liang)單(dan)位(wei)(wei)(wei)表(biao)示(shi)的(de)(de)(de)數值(zhi)均視為標準值(zhi)。在正文中英(ying)制(zhi)單(dan)位(wei)(wei)(wei)值(zhi)列于括號內,以每(mei)種(zhong)單(dan)位(wei)(wei)(wei)制(zhi)表(biao)示(shi)的(de)(de)(de)數值(zhi)并非精確相等。因此,每(mei)種(zhong)單(dan)位(wei)(wei)(wei)制(zhi)必須單(dan)獨(du)使(shi)用(yong)。混合使(shi)用(yong)兩種(zhong)單(dan)位(wei)(wei)(wei)制(zhi)的(de)(de)(de)數值(zhi)可能會(hui)造成與標準的(de)(de)(de)不一致性。
二、壓(ya)力等(deng)級
1. 總則
對于螺紋(wen)端管件(jian),應(ying)(ying)標(biao)(biao)為(wei)2000、3000和(he)6000磅(bang)(bang)級(ji);對于承插(cha)焊(han)端管件(jian),應(ying)(ying)標(biao)(biao)為(wei)3000、6000和(he)9000磅(bang)(bang)級(ji)。
a. 壓(ya)力-溫度(du)等級的計算依(yi)據(ju)
為了確定等級,將相應(ying)(ying)(ying)于(yu)各磅級管(guan)(guan)(guan)件(jian)(jian)的(de)(de)管(guan)(guan)(guan)壁(bi)厚度(du)系列號示(shi)于(yu)表(biao)20-27中(zhong)。設計(ji)溫(wen)(wen)度(du)和(he)其他(ta)使用(yong)(yong)(yong)條件(jian)(jian)應(ying)(ying)(ying)受(shou)所適(shi)用(yong)(yong)(yong)的(de)(de)管(guan)(guan)(guan)道規(gui)(gui)范(fan)(fan)或管(guan)(guan)(guan)件(jian)(jian)結構材料(liao)(liao)規(gui)(gui)程的(de)(de)限(xian)制(zhi)。這些(xie)限(xian)制(zhi)中(zhong),管(guan)(guan)(guan)件(jian)(jian)的(de)(de)最大許用(yong)(yong)(yong)壓力應(ying)(ying)(ying)是按等同(tong)材料(liao)(liao)(如按各種材料(liao)(liao)規(gui)(gui)范(fan)(fan)中(zhong)材料(liao)(liao)的(de)(de)化學成分和(he)力學性(xing)能對比得(de)出的(de)(de))制(zhi)成的(de)(de)直(zhi)無縫管(guan)(guan)(guan)計(ji)算(suan)求出的(de)(de)。用(yong)(yong)(yong)于(yu)此(ci)種計(ji)算(suan)的(de)(de)壁(bi)厚應(ying)(ying)(ying)是ASME B36.10M中(zhong)對管(guan)(guan)(guan)子規(gui)(gui)格和(he)相應(ying)(ying)(ying)管(guan)(guan)(guan)壁(bi)厚度(du)序列號的(de)(de)表(biao)列值減去(qu)12.5%的(de)(de)制(zhi)造公(gong)差和(he)其他(ta)公(gong)差(例如螺紋公(gong)差)。任何腐蝕裕量和(he)由于(yu)溫(wen)(wen)度(du)和(he)其他(ta)設計(ji)因(yin)素(su)引起許用(yong)(yong)(yong)應(ying)(ying)(ying)力的(de)(de)任何變化應(ying)(ying)(ying)同(tong)樣適(shi)用(yong)(yong)(yong)于(yu)管(guan)(guan)(guan)子和(he)管(guan)(guan)(guan)件(jian)(jian)。

b. 非(fei)標準管子壁厚
由于(yu)ASME B36.10M既不包(bao)(bao)括Sch160,也不包(bao)(bao)括NPS1/8、NPS1/4和NPS3/8雙倍(bei)加(jia)厚管的(de)壁厚,所以(yi)表(biao)20-28中的(de)數值可用于(yu)作為(wei)確定等級(ji)時管子(zi)的(de)公稱(cheng)壁厚。

c. 組(zu)合端管件
與承插焊端(duan)和(he)螺紋端(duan)組合制造的管件,其磅級應依據(ju)表20-27中(zhong)最低等級的端(duan)部形(xing)狀確定。
2. 耐壓(ya)試驗的可行性(xing)
本標準不(bu)要求(qiu)進行耐壓試(shi)驗,但管(guan)件應能承受適(shi)用(yong)的(de)(de)管(guan)道規范對無縫管(guan)所要求(qiu)的(de)(de)水(shui)壓試(shi)驗壓力。這(zhe)種無縫管(guan)的(de)(de)材料(liao)與(yu)管(guan)件的(de)(de)鍛材相(xiang)當,其Sch No.或(huo)壁(bi)厚與(yu)表20-27中的(de)(de)管(guan)件磅級和端部連接有關。
三、規(gui)格
1. 總(zong)則
公稱(cheng)管件(jian)規格的代號是NPS后(hou)跟無因次的數(shu)字。NSP與國際標準中所(suo)使用的標準公稱(cheng)通徑DN有關。它(ta)們之間(jian)的關系見(jian)表20-29。

2. 異徑管(guan)件規格(ge)
對(dui)于(yu)異徑(jing)三(san)通(tong)和(he)四(si)通(tong),應首先給出(chu)(chu)最(zui)大(da)主管(guan)(guan)開(kai)口(kou)(kou)規(gui)(gui)格(ge),緊(jin)接(jie)著(zhu)給出(chu)(chu)主管(guan)(guan)相對(dui)端的(de)開(kai)口(kou)(kou)規(gui)(gui)格(ge)。管(guan)(guan)件(jian)為三(san)通(tong)時,其支管(guan)(guan)規(gui)(gui)格(ge)放在最(zui)后(hou),管(guan)(guan)件(jian)為四(si)通(tong)時,第三(san)個(ge)給出(chu)(chu)的(de)是旁邊的(de)最(zui)大(da)開(kai)口(kou)(kou)規(gui)(gui)格(ge),緊(jin)接(jie)著(zhu)給出(chu)(chu)的(de)是對(dui)面的(de)出(chu)(chu)口(kou)(kou)尺寸。異徑(jing)三(san)通(tong)和(he)四(si)通(tong)出(chu)(chu)口(kou)(kou)的(de)表示方法見(jian)圖20-26。

四、材(cai)料(liao)(標準材(cai)料(liao))
管(guan)件(jian)的(de)(de)材料應包(bao)括鍛件(jian)、棒(bang)材、無縫管(guan)或管(guan)材。這些材料應符合ASME B16.34《法(fa)蘭、螺紋及焊接連接端的(de)(de)閥門》表1(包(bao)括表2中(zhong)可適用(yong)的(de)(de)注釋(shi))中(zhong)所列鍛造(zao)產品的(de)(de)冶煉工藝、化學成分要(yao)求和(he)力學性(xing)能(neng)要(yao)求。三通、彎頭和(he)四通不能(neng)用(yong)棒(bang)材制作。
五、結(jie)構型式與(yu)尺寸(cun)
1. 承插焊(han)管件
承插焊管件尺寸(cun)分米(mi)制(zhi)及英制(zhi)兩個系列。米(mi)制(zhi)管件型式見(jian)圖20-27,尺寸(cun)見(jian)表(biao)20-30;英制(zhi)管件型式見(jian)圖20-27,尺寸(cun)見(jian)表(biao)20-31。




a. 本體壁厚
承(cheng)插焊(han)管件本體(ti)壁(bi)厚應等于或大于表20-30和20-31中所示的G值。
b. 承口壁厚
承口的(de)平均(jun)壁厚(hou)和最(zui)小(xiao)壁厚(hou)應不小(xiao)于表20-30和表20-31中所(suo)示(shi)C的(de)相(xiang)應值。
c. 承口(kou)位置
承口底相對于承插焊管件中(zhong)心線的固定位置(zhi)應按表(biao)20-30和表(biao)20-31中(zhong)尺寸A的要求(qiu)予以(yi)保持。對于異徑管件,見20.3.5.4條。
d. 承口深(shen)度(du)
承口深度應不小(xiao)于表(biao)20-30和表(biao)20-31中所示(shi)J的(de)最小(xiao)值。
e. 承口孔
承口孔內表面(mian)應進(jin)行精加(jia)工(gong),不(bu)得有毛(mao)刺(ci)。
f. 垂直度
承插焊管件(jian)的端部(bu)平面與承口軸心線應成直角。
g. 寬度(du)
鍛(duan)件半徑(jing)不應使平焊表面的(de)寬(kuan)度減小到小于圖20-28所示(shi)值。

2. 螺紋管件
螺(luo)紋管(guan)件(jian)(jian)包(bao)括鍛(duan)造螺(luo)紋管(guan)件(jian)(jian)、帶內外螺(luo)紋的鍛(duan)造彎頭、非鍛(duan)造的螺(luo)紋管(guan)件(jian)(jian)、絲堵和絲套4類(lei)。每類(lei)螺(luo)紋管(guan)件(jian)(jian)尺(chi)寸又分米制和英制兩個系列。
米制(zhi)鍛造螺紋(wen)管件(jian)的型(xing)式(shi)(shi)見圖(tu)20-29,尺寸見表20-32;英制(zhi)鍛造螺紋(wen)管件(jian)的型(xing)式(shi)(shi)見圖(tu)20-29,尺寸見20-33。
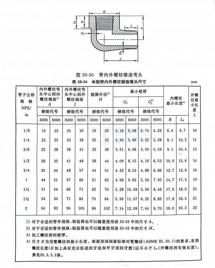
米制帶內(nei)外螺紋的(de)鍛造(zao)彎(wan)頭型式(shi)見圖20-30,尺寸見表20-34;英(ying)制帶內(nei)外螺紋的(de)鍛造(zao)彎(wan)頭型式(shi)見圖20-30,尺寸見表20-35。
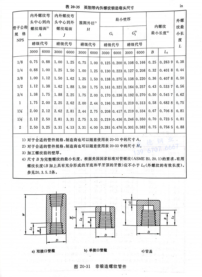
米制(zhi)(zhi)非(fei)鍛造(zao)螺紋(wen)管件的型(xing)式見(jian)圖20-31,尺寸(cun)見(jian)表(biao)20-36;英(ying)制(zhi)(zhi)非(fei)鍛造(zao)螺紋(wen)管件的型(xing)式見(jian)圖20-31,尺寸(cun)見(jian)表(biao)20-37。
米制絲堵和絲套的型式(shi)見(jian)(jian)圖20-32,尺寸見(jian)(jian)表(biao)20-38;英制絲堵和絲套的型式(shi)見(jian)(jian)圖20-32,尺寸見(jian)(jian)表(biao)20-39。







a. 壁厚
螺紋管(guan)件本體或(huo)端部壁厚應等于(yu)或(huo)大于(yu)表(biao)20-32~表(biao)20-37中所示的(de)最小G、G1和G2值。
b. 內螺紋(wen)
所有帶(dai)內(nei)螺(luo)紋(wen)的(de)(de)管件應(ying)按(an)美(mei)國(guo)國(guo)家標準(zhun)《錐(zhui)管螺(luo)紋(wen)》(ASME B 1.20.1)加工螺(luo)紋(wen)。當(dang)使用工作(zuo)量(liang)規(gui)時,螺(luo)紋(wen)加工的(de)(de)誤差從測量(liang)槽口開(kai)始(shi)應(ying)限(xian)制為大(da)一(yi)圈或小一(yi)圈螺(luo)紋(wen)內(nei)。測量(liang)基準(zhun)點是(shi)管件的(de)(de)開(kai)始(shi)端。只要(yao)倒(dao)(dao)角不超過內(nei)螺(luo)紋(wen)大(da)徑。當(dang)內(nei)螺(luo)紋(wen)的(de)(de)倒(dao)(dao)角超過此限(xian)制時,基準(zhun)點即為倒(dao)(dao)角錐(zhui)上的(de)(de)最后(hou)一(yi)牙螺(luo)紋(wen)刻(ke)痕。
c. 外螺紋(wen)
所有帶外螺(luo)(luo)(luo)紋(wen)的(de)(de)管件均(jun)應按美國國家標準《錐管螺(luo)(luo)(luo)紋(wen)》(ASME B1.20.1)加工螺(luo)(luo)(luo)紋(wen)。當使(shi)用工作量(liang)規(gui)時(shi),螺(luo)(luo)(luo)紋(wen)加工的(de)(de)誤(wu)差從(cong)環規(gui)的(de)(de)測量(liang)面開始限制為大一(yi)圈或小一(yi)圈螺(luo)(luo)(luo)紋(wen)內。測量(liang)的(de)(de)基準點是螺(luo)(luo)(luo)紋(wen)的(de)(de)端部。
d. 锪錐孔(kong)和倒角
所有內螺(luo)紋(wen)(wen)(wen)均應锪錐孔(kong),其距離不小于(yu)螺(luo)紋(wen)(wen)(wen)的一半,并常(chang)有與(yu)(yu)螺(luo)紋(wen)(wen)(wen)軸心大約成45°的夾角(jiao);所有的外螺(luo)紋(wen)(wen)(wen)均應帶有與(yu)(yu)軸線成30°~45°的倒角(jiao),以便在制作接(jie)頭(tou)時易(yi)進(jin)入連接(jie)和保護螺(luo)紋(wen)(wen)(wen)。锪錐孔(kong)與(yu)(yu)倒角(jiao)應與(yu)(yu)螺(luo)紋(wen)(wen)(wen)同心。各(ge)表中規定的螺(luo)紋(wen)(wen)(wen)長度,測量時應包括锪孔(kong)或倒角(jiao)。
3. 頸圈(quan)
表20-30~表20-33中所屬簡圖所示的(de)承插(cha)焊式或螺紋連接式兩(liang)種管(guan)件的(de)端部頸圈(quan)應能覆蓋岔口區。
4. 異(yi)徑管件
異徑(jing)(jing)管(guan)(guan)件(jian)應具有和(he)相(xiang)同規格管(guan)(guan)件(jian)(該(gai)管(guan)(guan)件(jian)與異徑(jing)(jing)管(guan)(guan)件(jian)的最大規格端(duan)部(bu)連接相(xiang)符合)一(yi)樣的中(zhong)心到端(duan)部(bu)、中(zhong)心到承(cheng)口(kou)底部(bu)、箍(gu)圈直徑(jing)(jing)和(he)外徑(jing)(jing)尺寸(cun)。
六(liu)、公差(cha)(附加公差(cha))
附加于表(biao)20-30~表(biao)20-31的承插焊管件所列各值的公差如下:
a. 通口的同心度(du)
承口(kou)(kou)孔(kong)和(he)管件通孔(kong)應(ying)同心,其公(gong)(gong)差對(dui)各種規格的管件均(jun)為(wei)0.8mm(0.03in)。相對(dui)承口(kou)(kou)孔(kong)應(ying)同心,其公(gong)(gong)差對(dui)各種規格的管件均(jun)為(wei)1.5mm(0.06 in)。
b. 軸線的重(zhong)合度(du)
管件通孔與承口(kou)孔軸線的同(tong)軸度最(zui)大(da)(da)允差為(wei)(wei)1mm/200 mm(0.06 in/ft)。螺紋同(tong)軸度的最(zui)大(da)(da)允差應為(wei)(wei)1mm/200 mm(0.06 in./ft)。
七、驗證(zheng)試驗
對按本標準制造(zao)的管件,不要求作驗(yan)證試(shi)驗(yan)。
八、標(biao)志
每個管件都應用鍛出凸(tu)(tu)字和/或打鋼印、電腐蝕或振動工(gong)具標記方法在(zai)鍛造(zao)管件的頸(jing)部(bu)、凸(tu)(tu)墊和凸(tu)(tu)轂部(bu)分做出永久(jiu)性的識別標志。圓筒形管件應標志在(zai)外徑或在(zai)焊(han)接安裝后標志不(bu)會消失(shi)或不(bu)會被涂掉的管件端部(bu)。本標準不(bu)要求對絲套、絲堵作標志。
1. 專用標志
標志(zhi)應(ying)包(bao)括但不局(ju)限于下(xia)列內(nei)容(rong):
a. 制造(zao)廠的名稱(cheng)或商標(biao)。
b. 材料(liao)標(biao)志 材料(liao)應按適合(he)的(de)ASTM管件規(gui)范A234、A403、A420、A815或B366,或按適合(he)的(de)ASTM鍛(duan)件技(ji)術規(gui)范A105、A182、A350、B160、B164、B462、B564,或ASME B16.34表(biao)1中(zhong)其他適用(yong)的(de)鍛(duan)件技(ji)術規(gui)范中(zhong)的(de)標(biao)志要求進行識別。
c. 產品(pin)符合證明(ming) 20.3.1.1a條所(suo)包(bao)含的(de)管(guan)件應標以ASTM管(guan)件技(ji)術(shu)規范的(de)材料(liao)識(shi)別標志“WP-”或“B16”符號,以表示符合本(ben)標準(zhun)。20.3.1.1b條所(suo)包(bao)含的(de)專用(yong)管(guan)件應標以B16 SPLD。
d. 磅(bang)級代號(hao) 根據適用(yong)(yong)情(qing)況(kuang),有2000、3000或(huo)6000或(huo)9000等(deng)4種表示方(fang)法。用(yong)(yong)另一(yi)種方(fang)法,根據適用(yong)(yong)情(qing)況(kuang)可以使用(yong)(yong)代號(hao)2M、3M、6M或(huo)9M表示,此處M代表1000。
e. 規(gui)格 指(zhi)與端(duan)部連接有關的公(gong)稱管(guan)子規(gui)格。
2. 標志的省略
當管(guan)件的(de)規格和形狀不允許(xu)作上述所有(you)標(biao)志時,標(biao)志符號(hao)可按上述相反的(de)順序進行省略。

