香蕉app免费视频在线观看
香蕉app免費視頻在線觀看:
首頁
香蕉app免費視頻在線觀看:
關于我們
香蕉app免費視頻在線觀看:
公司(si)簡介(jie)
香蕉app免費視頻在線觀看:
企業理(li)念
香蕉app免費視頻在線觀看:
核(he)心(xin)服務(wu)
香蕉app免費視頻在線觀看:
榮譽(yu)證書
香蕉app免費視頻在線觀看:
新聞(wen)中心
香蕉app免費視頻在線觀看:
企業資訊
香蕉app免費視頻在線觀看:
行業新聞
香蕉app免費視頻在線觀看:
產品中(zhong)心
香蕉app免費視頻在線觀看:
不銹鋼管
香蕉app免費視頻在線觀看:
不銹(xiu)鋼管件
香蕉app免費視頻在線觀看:
不銹鋼法蘭
香蕉app免費視頻在線觀看:
預制件加(jia)工
香蕉app免費視頻在線觀看:
車間(jian)設備
香蕉app免費視頻在線觀看:
生產設備
香蕉app免費視頻在線觀看:
檢測設備
香蕉app免費視頻在線觀看:
質保體系
香蕉app免費視頻在線觀看:
體系(xi)認證
香蕉app免費視頻在線觀看:
售(shou)后服務(wu)
香蕉app免費視頻在線觀看:
聯系(xi)我們
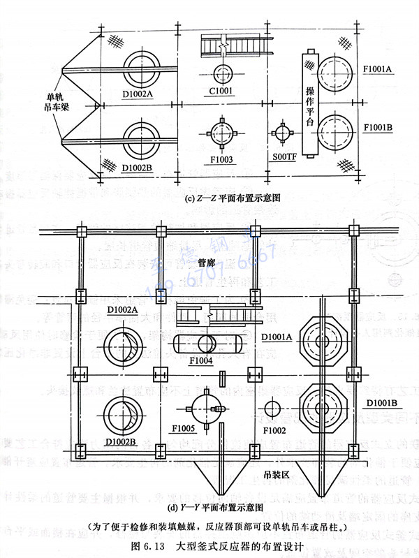
工程應用:大型釜式反應器的布局設計
發布日期:2024-06-05 14:09:23 人(ren)氣:453
大型釜式反(fan)應器的布局設計見圖 6-13
不銹無縫管工藝技術與裝備的現狀和發展
不透性石墨(impermeable graphite)的選用與工程應用
猜你喜歡
香蕉app免費視頻在線觀看:不銹鋼反應器的選用原則(釜式反應器,管式反應器,塔式反應器,固定床反應器,流化床反應器)