一、泵的布置方式和要求
①. 露天布(bu)置。
泵布置在(zai)管(guan)廊(lang)(lang)下或管(guan)廊(lang)(lang)與(yu)塔、容器(qi)之間,平行于管(guan)廊(lang)(lang)排成(cheng)一列。在(zai)管(guan)廊(lang)(lang)下布置泵時,一般是泵-原(yuan)動(dong)機(ji)的長(chang)軸與(yu)管(guan)廊(lang)(lang)成(cheng)直角,當(dang)泵-電機(ji)長(chang)軸過長(chang)妨礙(ai)通道時,可(ke)轉90°,即與(yu)管(guan)廊(lang)(lang)平行。泵也可(ke)分散布置在(zai)被抽吸設(she)備(bei)的附近(jin)。其優點是通風良(liang)好,操作(zuo)和檢修方便。
a. 在(zai)國(guo)內露天布(bu)置的(de)(de)泵(beng)(beng)(beng),一(yi)般都布(bu)置在(zai)管(guan)廊下,無(wu)論管(guan)廊上方是(shi)否布(bu)置空冷(leng)器。在(zai)6m一(yi)跨之內可布(bu)置大型(xing)泵(beng)(beng)(beng)1臺、中型(xing)泵(beng)(beng)(beng)2臺、小型(xing)泵(beng)(beng)(beng)3臺,一(yi)般泵(beng)(beng)(beng)單排布(bu)置,泵(beng)(beng)(beng)端第一(yi)個管(guan)口或(huo)出口中心線對齊,距管(guan)廊柱中心線的(de)(de)間距在(zai)0.6~2.0m之間。
b. 在(zai)(zai)(zai)國外露天布置的(de)泵(beng)(beng)(beng),在(zai)(zai)(zai)管(guan)廊(lang)上方(fang)無空冷器(qi)(qi)時,泵(beng)(beng)(beng)布置在(zai)(zai)(zai)管(guan)廊(lang)內側(ce),泵(beng)(beng)(beng)出口(kou)(kou)中(zhong)心線對(dui)齊(qi),距(ju)管(guan)廊(lang)柱中(zhong)心線0.6m。在(zai)(zai)(zai)管(guan)廊(lang)上方(fang)有空冷器(qi)(qi)時,如泵(beng)(beng)(beng)的(de)操作溫(wen)度為340℃以下,則(ze)泵(beng)(beng)(beng)布置在(zai)(zai)(zai)管(guan)廊(lang)外側(ce),泵(beng)(beng)(beng)出口(kou)(kou)中(zhong)心線對(dui)齊(qi),伸出管(guan)廊(lang)距(ju)柱中(zhong)心線0.6m,泵(beng)(beng)(beng)的(de)驅動機(ji)在(zai)(zai)(zai)管(guan)廊(lang)內側(ce);如泵(beng)(beng)(beng)的(de)操作溫(wen)度等于(yu)或高于(yu)340℃時,則(ze)泵(beng)(beng)(beng)布置在(zai)(zai)(zai)管(guan)廊(lang)外側(ce),泵(beng)(beng)(beng)出口(kou)(kou)中(zhong)心線對(dui)齊(qi),距(ju)管(guan)廊(lang)柱中(zhong)心線3m,泵(beng)(beng)(beng)的(de)驅動機(ji)也在(zai)(zai)(zai)管(guan)廊(lang)外側(ce)。
②. 半露天布置。
半露天布(bu)(bu)置(zhi)的泵適用于多雨(yu)地區,一般在管(guan)廊下(xia)方(fang)布(bu)(bu)置(zhi)泵,在上(shang)方(fang)管(guan)道上(shang)部設頂(ding)棚,或(huo)(huo)將泵布(bu)(bu)置(zhi)在框架的下(xia)層地面上(shang),以框架平(ping)臺作為頂(ding)棚。這些泵可根據(ju)與泵有關的設備布(bu)(bu)置(zhi)要(yao)求(qiu),將泵布(bu)(bu)置(zhi)成單排(pai)、雙排(pai)或(huo)(huo)多排(pai)。
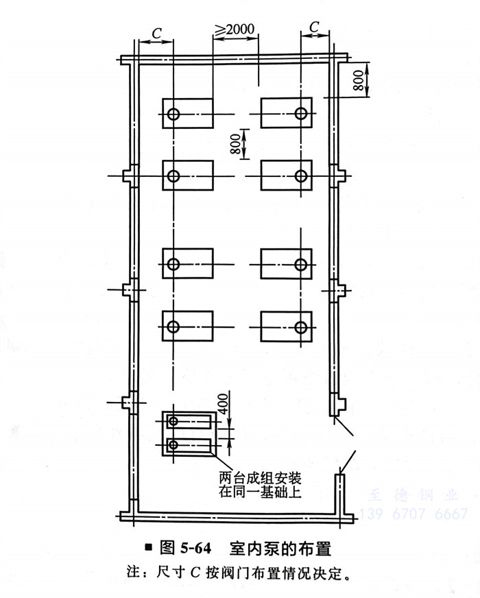
③. 室(shi)內布置(zhi)。
在寒冷或多風沙地(di)區,泵(beng)布置在室(shi)(shi)內。如果工(gong)藝過程要(yao)求設備布置在室(shi)(shi)內時,其所需的泵(beng)也應在室(shi)(shi)內布置。
a. 泵(beng)(beng)布(bu)置(zhi)(zhi)在室內時,熱油(you)(you)泵(beng)(beng)(操作溫度等于或(huo)高于自(zi)(zi)燃(ran)點的(de)可(ke)(ke)燃(ran)液(ye)體泵(beng)(beng))與冷(leng)油(you)(you)泵(beng)(beng)(操作溫度低于自(zi)(zi)燃(ran)點的(de)甲B、乙A類可(ke)(ke)燃(ran)液(ye)體泵(beng)(beng))或(huo)液(ye)態烴泵(beng)(beng)應分(fen)別布(bu)置(zhi)(zhi)在各自(zi)(zi)的(de)房間(jian)內。各泵(beng)(beng)房中間(jian)應采用防火(huo)墻隔開。門窗(chuang)的(de)距(ju)離不應小于4.5m。如果泵(beng)(beng)的(de)數量(liang)較少,熱油(you)(you)泵(beng)(beng)可(ke)(ke)以與冷(leng)油(you)(you)泵(beng)(beng)同房布(bu)置(zhi)(zhi),但冷(leng)、熱油(you)(you)泵(beng)(beng)之間(jian)應有不小于4.5m的(de)間(jian)距(ju)。
b. 甲、乙A類液體(ti)泵房的地面(mian)不(bu)應有地坑或地溝,為防(fang)止(zhi)油氣積聚,宜在(zai)側墻下部(bu)采取通風(feng)措施。
④. 單(dan)排(pai)布置的泵。
大(da)小不一(yi)的泵(beng)成排布置時,一(yi)般有三(san)種排列方式。
a. 泵端(duan)(duan)第一個管口或出口中心(xin)線(xian)取齊。離心(xin)泵并列布(bu)(bu)置時,泵端(duan)(duan)第一個管口或出口中心(xin)線(xian)對齊,這樣布(bu)(bu)置管道比較整齊,泵前(qian)也有了方(fang)便統一的(de)操作面。
b. 泵端基礎(chu)面(mian)取齊,便(bian)于設(she)置(zhi)排污(wu)管或排污(wu)溝以及(ji)基礎(chu)施工方便(bian)。
c. 動力(li)端基礎面(mian)取(qu)齊(qi)(qi)(qi)。如(ru)泵(beng)(beng)用(yong)電機(ji)(ji)帶動時,引向(xiang)電機(ji)(ji)的電纜接線容易(yi)且(qie)經濟;泵(beng)(beng)的開關和電流盤(pan)在一條線上取(qu)齊(qi)(qi)(qi),不僅排列整(zheng)齊(qi)(qi)(qi),且(qie)電機(ji)(ji)端容易(yi)操作。但是泵(beng)(beng)的大小差別很大時可能造成吸入(ru)管(guan)過(guo)長(chang)。
⑤. 雙排布置的泵(beng)。
泵(beng)成(cheng)雙排布(bu)置時,宜(yi)將兩排泵(beng)的動力端(duan)相對,在中間留出檢修通道。
⑥. 多排(pai)布置的(de)泵。
泵成多排布(bu)置時,宜兩排泵的(de)動(dong)力端相對,兩排中(zhong)的(de)一(yi)排與另兩排中(zhong)的(de)一(yi)排出(chu)口端相對,中(zhong)間(jian)留出(chu)檢修和操作通(tong)道。
⑦. 蒸汽往復(fu)泵(beng)的(de)動力側(ce)和泵(beng)側(ce)應(ying)留有抽出(chu)活塞和拉桿的(de)位置。
⑧. 立(li)式泵布置在(zai)管廊下方(fang)(fang)或框架(jia)下方(fang)(fang)時,其(qi)上方(fang)(fang)應留出泵體(ti)安裝(zhuang)和(he)檢(jian)修所(suo)需的(de)空間。
二、泵的間距
①. 按SH/T3011規定,兩臺泵(beng)之間(jian)的(de)(de)凈距,不宜小于0.7m(HG 20546規定,最小凈距為0.8m,需(xu)根據項目(mu)實際情況選擇),但(dan)安裝在聯合基礎上的(de)(de)泵(beng)除(chu)外。
②. 泵(beng)(beng)布置在管廊下方或外(wai)側時,泵(beng)(beng)的(de)檢(jian)修空(kong)間凈空(kong)不宜小(xiao)于3m。泵(beng)(beng)端前(qian)面的(de)操作通道寬(kuan)度(du)不應(ying)(ying)小(xiao)于1m。對于多(duo)級泵(beng)(beng)泵(beng)(beng)端前(qian)面的(de)檢(jian)修通道寬(kuan)度(du)不應(ying)(ying)小(xiao)于1.8m,一般泵(beng)(beng)端前(qian)面的(de)檢(jian)修通道寬(kuan)度(du)不應(ying)(ying)小(xiao)于1.25m,以(yi)便(bian)小(xiao)型叉車通過(guo)。
③. 泵(beng)(beng)布置在室內時,一般不考慮(lv)機(ji)動(dong)檢修(xiu)車(che)輛的(de)通行要求。泵(beng)(beng)端或泵(beng)(beng)側(ce)與墻之間的(de)凈距不宜小(xiao)于1.0m,兩排泵(beng)(beng)凈距不應(ying)小(xiao)于2m。
④. 泵(beng)進、出口閥門(men)手輪到鄰近泵(beng)的(de)最(zui)突出部分(fen)或柱子的(de)凈距最(zui)少為(wei)0.75m,電機之(zhi)間的(de)距離為(wei)1.5~2m。
泵(beng)的間距如圖(tu)5-60所(suo)示。

三、泵的基礎(chu)
①. 泵(beng)的基(ji)礎尺(chi)寸(cun)(cun)一般由泵(beng)制(zhi)造廠給出泵(beng)的底座尺(chi)寸(cun)(cun)的大小確定。可(ke)按地腳螺栓中(zhong)心(xin)線到(dao)基(ji)礎邊200~250mm估計。設計泵(beng)的基(ji)礎時應按預留孔方案考慮,現場(chang)施(shi)工需(xu)待泵(beng)到(dao)貨后核實尺(chi)寸(cun)(cun)后方可(ke)施(shi)工。
②. 泵(beng)(beng)(beng)(beng)的基礎面宜比地面高(gao)(gao)出(chu)200mm,大型泵(beng)(beng)(beng)(beng)可(ke)高(gao)(gao)出(chu)100mm,小型泵(beng)(beng)(beng)(beng)如(ru)比例泵(beng)(beng)(beng)(beng)、柱塞泵(beng)(beng)(beng)(beng)、小齒輪泵(beng)(beng)(beng)(beng)等可(ke)高(gao)(gao)出(chu)地面300~500mm,使泵(beng)(beng)(beng)(beng)軸中心線(xian)高(gao)(gao)出(chu)地面600mm,并(bing)可(ke)2~3臺成組安裝在同(tong)一個基礎上。
四(si)、泵布(bu)置的工程(cheng)實例
工程(cheng)實例一
管廊上安裝空(kong)冷器時泵的布(bu)置(圖5-61)



注:1. 管廊(lang)上(shang)(shang)安裝空(kong)冷(leng)器,泵(beng)的(de)操作溫度在340℃以(yi)下時,泵(beng)出口(kou)中(zhong)心線(xian)在管廊(lang)柱中(zhong)心線(xian)外(wai)側600mm;在340℃及以(yi)上(shang)(shang)時,則在外(wai)側3000mm。
2. 泵前方的操作檢修(xiu)通道,可能(neng)有小(xiao)型叉車通行,其(qi)寬度不小(xiao)于1250mm,在多(duo)級(ji)泵前方的寬度不小(xiao)于1800mm。
3. 兩排泵之(zhi)間的檢修通道(dao),寬度不(bu)小于3000mm,如不(bu)夠時,泵端應有3000mm通道(dao)。

