管(guan)道配管(guan)隔(ge)熱層材料的選用(yong)主(zhu)要遵循以下幾點要求:
一(yi)、導熱系數的要求
(1)保溫(wen)材料在平(ping)均溫(wen)度為70℃時,其導熱系數(shu)不得(de)大于0.080W.080W/(m·K)。
(2)用于保(bao)冷的(de)泡沫塑料及其制品在(zai)平均溫(wen)度為25℃時的(de)導熱系數不應大于0.044W/(m·K)。與GB 50264、SH/T3010、GB/T 4272等(deng)規范(fan)是一致的(de)。
(3)泡沫(mo)橡塑制(zhi)品在平(ping)均溫度為0℃時(shi)的導熱系(xi)數不應大于0.036W/(m·K)。
(4)I類泡(pao)沫(mo)玻(bo)(bo)璃制(zhi)品在(zai)平(ping)(ping)均(jun)溫度為25℃時的(de)導熱(re)系(xi)數不(bu)應(ying)大于0.045W/(m·K),類泡(pao)沫(mo)玻(bo)(bo)璃制(zhi)品在(zai)平(ping)(ping)均(jun)溫度為25℃時的(de)導熱(re)系(xi)數不(bu)應(ying)大于0.064.064W/(m·K)。
二(er)、隔熱材料密度、硬度和pH值(zhi)的要(yao)求
硬質保(bao)溫材料(liao)的密(mi)度不應大(da)(da)于(yu)300kg/m3,保(bao)冷材料(liao)制品(pin)的密(mi)度不應大(da)(da)于(yu)200kg/m3,半硬質、軟(ruan)質保(bao)溫材料(liao)制品(pin)密(mi)度不應大(da)(da)于(yu)200kg/m3。
硬質保溫材料(liao)的抗壓強度不(bu)應小(xiao)(xiao)于0.4MPa,硬質保冷材料(liao)的抗壓強度不(bu)應小(xiao)(xiao)于0.15MPa。隔熱材料(liao)制品的pH值不(bu)應小(xiao)(xiao)于7。
三、隔熱材料應符合(he)的(de)標準
用于與(yu)奧氏體不銹鋼(gang)表面接觸的隔熱材料應(ying)符合GB/T 50185《工(gong)(gong)業(ye)設備及(ji)管道(dao)絕熱工(gong)(gong)程施(shi)工(gong)(gong)驗收規(gui)范(fan)》有關(guan)氯離子含量的規(gui)定。硬質隔熱材料不宜用于有振動的管道(dao)。
四、隔(ge)熱材(cai)料其他性能(neng)要求
(1)隔熱材料制(zhi)品應具有安(an)全使用溫度和燃(ran)燒性(xing)(xing)(xing)能(不燃(ran)性(xing)(xing)(xing)、難燃(ran)性(xing)(xing)(xing)、可燃(ran)性(xing)(xing)(xing))資料。
(2)隔熱材料制品應具備防(fang)潮性能(吸水(shui)性、吸濕性、防(fang)水(shui)性)資料。保(bao)溫材料含水(shui)不(bu)得(de)大(da)于7.5%(質量),保(bao)冷材料的含水(shui)率不(bu)得(de)大(da)于1%(質量)。
(3)隔熱(re)材料制品應具有(you)抗大氣腐蝕性(xing)、化學穩(wen)定性(xing)、熱(re)穩(wen)定性(xing)、渣球含量、纖維(wei)直徑等測試(shi)報告。
(4)設備(bei)和管(guan)道的(de)(de)(de)保(bao)(bao)溫(wen)結(jie)構(gou)應由非燃燒材(cai)(cai)(cai)料(liao)組成;保(bao)(bao)冷結(jie)構(gou)可(ke)由阻燃材(cai)(cai)(cai)料(liao)組成,阻燃性保(bao)(bao)冷材(cai)(cai)(cai)料(liao)制(zhi)品(pin)的(de)(de)(de)氧指數不應小于30。設備(bei)和管(guan)道的(de)(de)(de)隔熱層除必須采用填充(chong)式結(jie)構(gou)外,宜選(xuan)用隔熱材(cai)(cai)(cai)料(liao)制(zhi)品(pin);保(bao)(bao)溫(wen)材(cai)(cai)(cai)料(liao)制(zhi)品(pin)的(de)(de)(de)最高安全使(shi)用溫(wen)度(du)應高于設備(bei)和管(guan)道的(de)(de)(de)設計溫(wen)度(du);保(bao)(bao)冷材(cai)(cai)(cai)料(liao)制(zhi)品(pin)的(de)(de)(de)允(yun)許使(shi)用溫(wen)度(du)應低于設備(bei)和管(guan)道的(de)(de)(de)設計溫(wen)度(du)。
絕熱層材料按照被絕熱的(de)工藝設備和管道外表面溫度(du)不(bu)同,其燃燒(shao)性能應符合現行國家標準GB 8624《建(jian)筑(zhu)材料燃燒(shao)性能分級方法》規定的(de)燃燒(shao)等級,并應符合下列規定:
①. 被絕(jue)熱(re)的設(she)備與(yu)管道外(wai)表面溫度T。大于100℃時,絕(jue)熱(re)層材料應符合不(bu)燃類(lei)A級材料性能要求。
②. 被絕(jue)熱的(de)設備與管道外表面溫(wen)度T。小于(yu)(yu)或等(deng)于(yu)(yu)100℃時,絕(jue)熱層材料(liao)不得低于(yu)(yu)難(nan)燃類B1級材料(liao)的(de)性能要求。
③. 被(bei)絕(jue)熱的(de)(de)設備與管道外表面溫(wen)度T。≤50℃時,有保護層(ceng)(ceng)的(de)(de)泡沫塑料(liao)類絕(jue)熱層(ceng)(ceng)材料(liao)不得低于一般可燃性(xing)B2級材料(liao)的(de)(de)性(xing)能要求。
(5)隔(ge)熱材料的防水率應大于或(huo)等(deng)于95%;軟質隔(ge)熱材料制品的回彈率應大于或(huo)等(deng)于90%。
(6)對硬質(zhi)材料必須(xu)提供線膨(peng)脹或收縮(suo)率數據。
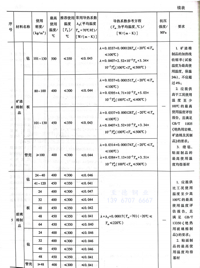
(7)隔熱(re)(re)材料應是隔熱(re)(re)性能好,并有(you)明確(que)的導(dao)熱(re)(re)系數(shu)方程(cheng)(cheng)式或隨溫度變(bian)化的導(dao)熱(re)(re)系數(shu)圖表。進行絕熱(re)(re)計算時(shi)可(ke)采(cai)用(yong)(yong)GB 50264《工業(ye)設備(bei)及管道(dao)絕熱(re)(re)工程(cheng)(cheng)設計規范》中附錄(lu)A常用(yong)(yong)絕熱(re)(re)材料性能規定(ding)的數(shu)據(ju)。
五、綜合選用
(1)有多種(zhong)可供選擇(ze)的隔熱材料時,應首先(xian)選用導熱系數小、密度(du)小、強度(du)相對高、無腐(fu)蝕(shi)性、損耗小、價格低、運輸(shu)距(ju)離(li)短、施(shi)工條(tiao)件好的制(zhi)品(pin)。
(2)如不能(neng)同時(shi)滿足,應優(you)先選用密度小、綜合經濟(ji)效益高的材料或制品。
(3)設備和管道表面溫(wen)度高(gao)于(yu)或等(deng)于(yu)450℃時,宜(yi)選用復合隔熱材料制品(pin)。
(4)保冷應選用閉孔型的材料制(zhi)(zhi)品,不(bu)宜選用纖維質材料制(zhi)(zhi)品。
(5)選(xuan)用纖維材(cai)料制品(pin)時(shi),除管殼外(wai),氈(zhan)席類(lei)制品(pin)應由(you)玻璃布或鐵絲網(wang)縫制。
(6)不宜選用石棉材料及其制品(pin)。
(7)隔熱(re)材(cai)料及其制品在長期運行(xing)時,材(cai)料無變形、熔化、焦化、疏脆、松散、失強等現(xian)象。
六、常用(yong)保溫材(cai)料的(de)選用(yong)
常用(yong)保溫材料(liao)的選用(yong)見表7.1.2。





