墊片(gasket)是兩個物體之間的機械密封,通常以防止兩個物體之間受到壓力、腐蝕、和管路自然地熱脹冷縮泄漏。由于機械加工表面不可能完美,使用墊片即可填補不規則性。
一、按墊(dian)片(pian)材質分類
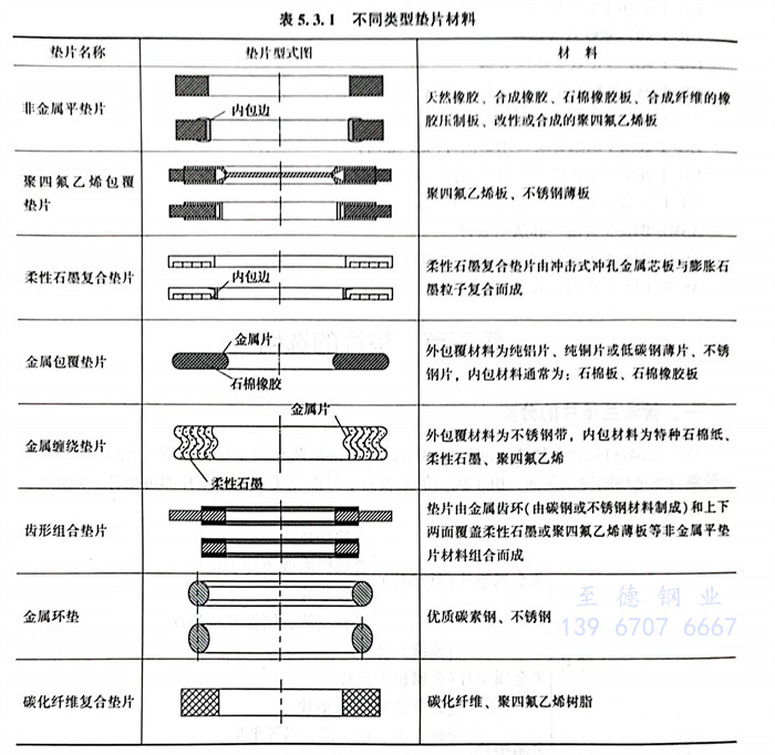
不同類型(xing)墊片(pian)材料見表5.3.1。

1. 非金屬墊(dian)(dian)片(pian)(non-metallic gasket),有石棉(mian)橡膠(jiao)墊(dian)(dian)片(pian)、橡膠(jiao)墊(dian)(dian)片(pian)、聚四(si)氟乙(yi)烯墊(dian)(dian)片(pian)、合成橡膠(jiao)墊(dian)(dian)片(pian)、膨脹石墨、皮革等(deng)。非金屬包(bao)覆墊(dian)(dian)片(pian)(non-metallic jacket gasket)外包(bao)一層(ceng)合成樹脂等(deng)。
2. 半金屬(shu)墊片(pian)(semimetallic gasket)用金屬(shu)和非金屬(shu)材(cai)料制成的墊片(pian),如纏繞式墊片(pian)、金屬(shu)包覆墊片(pian)。
①. 纏(chan)(chan)繞(rao)式墊(dian)片(spiral wound gasket)由(you)V形(xing)或W形(xing)斷面的金(jin)(jin)屬(shu)(shu)帶(dai)夾非(fei)金(jin)(jin)屬(shu)(shu)帶(dai),金(jin)(jin)屬(shu)(shu)帶(dai)與非(fei)金(jin)(jin)屬(shu)(shu)帶(dai)螺旋纏(chan)(chan)繞(rao)成環(huan)形(xing)墊(dian)片。金(jin)(jin)屬(shu)(shu)帶(dai)與非(fei)金(jin)(jin)屬(shu)(shu)帶(dai)交替纏(chan)(chan)繞(rao),由(you)于其具有(you)較(jiao)好的彈(dan)性,廣(guang)泛(fan)用于石化(hua)、化(hua)工(gong)、電(dian)力等行(xing)業的法蘭密封結(jie)構中,根據(ju)具體部位,可在墊(dian)片的內層或外層加上(shang)鋼環(huan)來定位或加強(qiang)。內環(huan)(inner ring)是(shi)設置在纏(chan)(chan)繞(rao)式墊(dian)片內圈的金(jin)(jin)屬(shu)(shu)環(huan)。外環(huan)(outerring)是(shi)設置在纏(chan)(chan)繞(rao)式墊(dian)片外圈的金(jin)(jin)屬(shu)(shu)環(huan)。
②. 金屬包覆。
3. 金(jin)屬墊片(pian)(metallic gasket)是用鋼、鋁、銅、鎳(nie)或蒙乃爾合(he)金(jin)等金(jin)屬制(zhi)成的墊片(pian)。

二、按(an)墊片形狀分類
按墊片形狀(zhuang)分類(lei)可(ke)分為: 環狀(zhuang)平墊片、復合型墊片、波紋型墊片、環狀(zhuang)墊片
不同形(xing)狀墊(dian)片(pian)如圖 5.3.1所示。


