一、軸測圖(tu)的概(gai)念
管道軸(zhou)測圖又稱單管管段圖或單線圖,是沿北向(xiang)方向(xiang)標(biao)(N),按正等軸(zhou)測投影繪制的形象的管道立(li)體視(shi)覺圖形。管道軸(zhou)測圖供施工單位在施工現場預備管道材料并預制、裝(zhuang)配的圖紙。
二(er)、軸測圖的內容
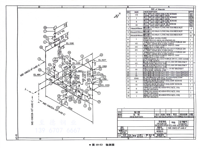
軸測(ce)圖主要(yao)包(bao)括五部分(fen)內容(圖10-53):管道軸測(ce)圖形、工程數據、管段(duan)材料(liao)表、北向標、圖簽(qian)。
1. 管(guan)道(dao)軸測(ce)圖形
管(guan)道(dao)軸測圖(tu)(tu)(tu)(tu)形是(shi)按照(zhao)管(guan)道(dao)布置平面圖(tu)(tu)(tu)(tu)的(de)(de)設計(ji),把(ba)管(guan)線的(de)(de)必要信(xin)(xin)息以及它(ta)們在(zai)空間中(zhong)的(de)(de)相(xiang)對位(wei)置表(biao)示(shi)出來的(de)(de)圖(tu)(tu)(tu)(tu)形,包(bao)括管(guan)子(zi)、管(guan)件、閥(fa)門、儀(yi)表(biao)元件代號、管(guan)線標高、管(guan)線長度(du)、介質流向(xiang)、坡(po)度(du)、管(guan)線號、管(guan)架、連接(jie)信(xin)(xin)息等(deng),尤其是(shi)更(geng)加(jia)詳盡地(di)表(biao)示(shi)出了在(zai)管(guan)道(dao)布置平面圖(tu)(tu)(tu)(tu)形上很難(nan)表(biao)達(da)清楚的(de)(de)管(guan)道(dao)立管(guan)上的(de)(de)具(ju)體設計(ji)。
2. 工程數(shu)據
工(gong)程數(shu)據包括裝置(zhi)及(ji)工(gong)區代(dai)號(hao)、管(guan)(guan)線號(hao)、配管(guan)(guan)圖號(hao)、軸測(ce)圖號(hao)、保溫涂(tu)漆代(dai)號(hao)、各種尺寸、標(biao)高和管(guan)(guan)道標(biao)志、組件規格、編號(hao)、設計條件(溫度、壓力(li)、保溫涂(tu)漆要(yao)求(qiu))、制作(zuo)檢驗要(yao)求(qiu)等標(biao)注說明。
3. 管段(duan)材料表
管段材料表組(zu)成該管段所有(you)組(zu)件的(de)(de)元件代碼名稱(cheng)、管道材料的(de)(de)描(miao)述和數量。
4. 北向標和(he)圖簽
北向標和圖簽(qian)則需要(yao)根(gen)據工程項目的具(ju)體情況(kuang)而定。圖簽(qian)主要(yao)是項目名(ming)(ming)稱(cheng)、設(she)計日期、簽(qian)名(ming)(ming)(設(she)計人(ren)(ren)、校核人(ren)(ren)、審核人(ren)(ren))、設(she)計單位(wei)的名(ming)(ming)稱(cheng)等(deng)一些信息。

三、軸測圖的設計(ji)方式
1. 從計算機三維(wei)模型中抽取軸測圖(tu)
項目采用(yong)計算(suan)機三維模型計算(suan)機軟(ruan)件進行壓力管道設(she)計,如PDS、PDMS、AutoPlant、CADWorx、SP3D等(deng)軟(ruan)件,可以使用(yong)軟(ruan)件的功能,自動(dong)生成(cheng)標(biao)準(zhun)格式的軸測圖(tu)電子文檔。
2. 使用AutoPlant Isometrics 等專用軸測(ce)圖繪制軟件設計軸測(ce)圖
一(yi)些工程項目,使用AutoCAD或者 Microstation 進行管(guan)道(dao)(dao)布置(zhi)平面(mian)圖(tu)的設(she)計,使用AutoPlant Isometrics等專門用于繪制軸測圖(tu)的軟(ruan)件(jian)按照(zhao)管(guan)道(dao)(dao)布置(zhi)平面(mian)圖(tu),設(she)計、繪制軸測圖(tu),軟(ruan)件(jian)可以(yi)自動(dong)生(sheng)成各(ge)種(zhong)形式(shi)的管(guan)道(dao)(dao)材料匯總報表。
3. 使用(yong) AutoCAD繪制管(guan)道軸測圖
使用AutoCAD的(de)(de)專門用于繪制軸測(ce)圖的(de)(de)模(mo)式(shi)(執行(xing)“ddrmodes”命(ming)令(ling),可以轉換到(dao)繪制軸測(ce)圖的(de)(de)模(mo)式(shi))。
4. 手工繪制管(guan)道軸測圖
以(yi)前計算機技術落后(hou)的(de)情況下,人們(men)通(tong)常在專門用于繪(hui)制(zhi)管(guan)道軸(zhou)測圖(tu)的(de)圖(tu)紙上繪(hui)制(zhi),與使(shi)用計算機繪(hui)制(zhi)相比:一(yi)方面(mian),速度慢(man),不宜(yi)修改;另一(yi)方面(mian),每(mei)一(yi)個設(she)計人繪(hui)制(zhi)的(de)風格不統一(yi)。現在已經很少使(shi)用手工繪(hui)制(zhi)管(guan)道軸(zhou)測圖(tu)。
四(si)、軸測圖設計的一般要求
①. SH/T 3052《石油化工(gong)配管工(gong)程(cheng)設計圖例》等(deng)規范有圖例符號的相關(guan)規定。
②. 軸測圖(tu)無(wu)論管徑的(de)(de)大小,均(jun)采用單線(xian)繪制管線(xian),線(xian)條的(de)(de)寬(kuan)度及字體規定可以根(gen)據(ju)所在項目的(de)(de)工程規定,也可以參見HG/T 20549《化(hua)工裝置管道布置設(she)計工程規定》中的(de)(de)規定。
③. 軸測圖(tu)(tu)(tu)上(shang)的(de)北(bei)向(xiang)N或者PN(Plant North)(圖(tu)(tu)(tu)10-54)通(tong)常指(zhi)向(xiang)圖(tu)(tu)(tu)紙的(de)右(you)上(shang)方(fang)(fang),項(xiang)目特殊要求時(shi)也可以(yi)指(zhi)向(xiang)左上(shang)方(fang)(fang),同一裝置的(de)軸測圖(tu)(tu)(tu)上(shang)的(de)方(fang)(fang)向(xiang)標(biao)(biao)(biao)取向(xiang)應相同。軸測圖(tu)(tu)(tu)上(shang)的(de)北(bei)向(xiang)標(biao)(biao)(biao)與管(guan)道(dao)布(bu)置圖(tu)(tu)(tu)上(shang)的(de)北(bei)向(xiang)標(biao)(biao)(biao)的(de)北(bei)向(xiang)應一致(zhi)。

④. 除(chu)使(shi)用(yong)工程中(zhong)規(gui)定(ding)的(de)縮寫詞外,圖中(zhong)是(shi)采(cai)用(yong)英文(wen)還是(shi)使(shi)用(yong)中(zhong)文(wen)應按(an)照項目的(de)具體規(gui)定(ding)。
⑤. 管道軸測(ce)圖不必按比例繪制,但相(xiang)對比例要協調。
⑥. 閥(fa)門的手柄方向應表示在軸測圖上(圖10-55)。
⑦. 軸測圖的尺寸標注(zhu)
a. 水平管(guan)道的(de)標注(zhu)。尺(chi)寸(cun)(cun)(cun)(cun)線應與管(guan)道相平行(xing),尺(chi)寸(cun)(cun)(cun)(cun)界線為垂直線。尺(chi)寸(cun)(cun)(cun)(cun)的(de)大小要和管(guan)道布(bu)置(zhi)平面圖(tu)上一致(zhi)。從(cong)鄰近的(de)主要基(ji)準點到各個獨立的(de)管(guan)道元件如(ru)孔板法蘭、異徑管(guan)、拆(chai)卸用的(de)法蘭、儀表接(jie)口、不等徑支管(guan)的(de)尺(chi)寸(cun)(cun)(cun)(cun),不應畫封閉尺(chi)寸(cun)(cun)(cun)(cun),如(ru)圖(tu)10-56所(suo)示的(de)管(guan)道軸(zhou)測圖(tu)中的(de)尺(chi)寸(cun)(cun)(cun)(cun)D、E、F。
b. 管(guan)(guan)線上法蘭、閥(fa)門和其他管(guan)(guan)道元(yuan)件的標(biao)注。一般(ban)要標(biao)出相對的位置,在立管(guan)(guan)上的閥(fa)門和其他元(yuan)件需表示出標(biao)高(圖10-57)。
c. 管線的特(te)殊(shu)角(jiao)度(非(fei)正(zheng)(zheng)南、正(zheng)(zheng)北(bei)、正(zheng)(zheng)東、正(zheng)(zheng)西、正(zheng)(zheng)上(shang)、正(zheng)(zheng)下的情(qing)況)應(ying)該表示在軸(zhou)測圖上(shang)(圖10-58)。
⑧. 在軸測(ce)圖上需(xu)要(yao)表(biao)示出(chu)連接管道的信息(圖10-59),以便查找。
⑨. 使用(yong)AutoCAD繪制軸(zhou)測圖(tu),匯(hui)總(zong)管道材料需要(yao)使用(yong)其他專門開(kai)發(fa)的計算(suan)機軟(ruan)件,或(huo)者是經(jing)過Excel和Access另外統(tong)計、匯(hui)總(zong)管道材料,實現自動快速生成管段表,與Auto-CAD繪制的軸(zhou)測圖(tu)形配合(he)使用(yong)。
⑩. 使用 AutoPlant Isometrics、PDS、PDMS、SmartPlant 3D等軟件(jian),在軸(zhou)測圖上(shang)會自動(dong)生成管段材(cai)料表。


五、管(guan)道(dao)布置平面圖和管(guan)道(dao)軸測圖常用圖例
管道(dao)布置(zhi)平面圖和管道(dao)軸測圖常用圖例(li)見表10-6~表10-12。也可參(can)考SH/T 3052或HG 20519所提(ti)供的圖例(li)。








