不銹鋼零件在進行表面拋光、鈍化處理、電鍍、著色等以前,應該進行預處理。不銹鋼零件在成形過程中,零件表面可能有油污、毛刺、臟物和氧化物,因而在對不銹鋼零件進行表面處理前,首先應該進行預處理,把零件表面的油污、臟物、毛刺、不平表面和氧化物除去,才能在后續的加工中獲得滿意的效果。
一、不銹鋼零件(jian)預處(chu)理的步驟(zou)
1. 不銹(xiu)鋼(gang)零件預處理(li)的(de)(de)(de)(de)第(di)一(yi)(yi)步是(shi)進行零件表(biao)面(mian)的(de)(de)(de)(de)機(ji)械處理(li),消(xiao)除不銹(xiu)鋼(gang)零件表(biao)面(mian)的(de)(de)(de)(de)粗糙(cao)狀態,一(yi)(yi)般采用機(ji)械磨光(guang)、拋光(guang),使不銹(xiu)鋼(gang)零件的(de)(de)(de)(de)表(biao)面(mian)達到一(yi)(yi)定(ding)的(de)(de)(de)(de)表(biao)面(mian)粗糙(cao)度值(zhi)。
2. 除(chu)去不銹(xiu)鋼(gang)零(ling)件的表(biao)面油污(wu)。
3. 除去不(bu)銹鋼(gang)零件的表面氧化物。
4. 弱腐蝕。活(huo)化待處理表面(mian),除去(qu)不(bu)銹鋼零(ling)件表面(mian)的鈍化膜,露出(chu)金(jin)屬結晶組(zu)織。
二、不銹鋼零件表面預處(chu)理的方法
1. 機(ji)械(xie)法
用磨光(guang)(guang)機(ji)、拋光(guang)(guang)機(ji)或(huo)其他機(ji)械方(fang)法(fa)消除(chu)不銹(xiu)鋼零件(jian)表(biao)(biao)面(mian)粗糙(cao)狀態,減(jian)少表(biao)(biao)面(mian)粗糙(cao)度值,并去掉表(biao)(biao)面(mian)的(de)(de)毛刺、氧化皮、銹(xiu)蝕(shi)、孔眼、劃(hua)傷(shang)、焊瘤、焊渣等,使零件(jian)表(biao)(biao)面(mian)獲得光(guang)(guang)亮(liang)平整的(de)(de)外(wai)觀,為后續的(de)(de)化學拋光(guang)(guang)和電化學拋光(guang)(guang)做好準備。
2. 除油
具體如下(xia):
a. 有機(ji)溶劑(ji)除(chu)油
有(you)機(ji)溶(rong)劑(ji)(ji)除(chu)(chu)油(you)(you)(you)(you)就是利(li)用(yong)(yong)機(ji)溶(rong)溶(rong)劑(ji)(ji)能溶(rong)解(jie)油(you)(you)(you)(you)脂的(de)性質,把油(you)(you)(you)(you)污(wu)除(chu)(chu)去(qu)。只有(you)表面(mian)沾污(wu)了用(yong)(yong)一般化學除(chu)(chu)油(you)(you)(you)(you)難以除(chu)(chu)去(qu)的(de),如黃油(you)(you)(you)(you)、凡士(shi)林、拋光膏結污(wu)等(deng)才采用(yong)(yong)有(you)機(ji)溶(rong)劑(ji)(ji)除(chu)(chu)油(you)(you)(you)(you)。常用(yong)(yong)的(de)有(you)機(ji)除(chu)(chu)油(you)(you)(you)(you)劑(ji)(ji)有(you)汽(qi)油(you)(you)(you)(you)、苯(ben)(ben)、三氯乙(yi)烯(xi)、四(si)氯化碳、四(si)氯乙(yi)烯(xi)、二(er)甲苯(ben)(ben)、溶(rong)劑(ji)(ji)油(you)(you)(you)(you)、氟里昂113 和丙酮(tong)等(deng)。其缺點是:溶(rong)劑(ji)(ji)揮發后(hou)(hou)在零(ling)件(jian)表面(mian)上會留下(xia)一層極薄的(de)油(you)(you)(you)(you)膜。所(suo)以有(you)機(ji)溶(rong)劑(ji)(ji)除(chu)(chu)油(you)(you)(you)(you)只能作為預除(chu)(chu)油(you)(you)(you)(you),隨后(hou)(hou)還要進行化學除(chu)(chu)油(you)(you)(you)(you)。
b. 化學除油
化學除(chu)(chu)油(you)就是(shi)利用(yong)(yong)堿性化學物(wu)質(zhi)溶(rong)液(ye)除(chu)(chu)去不銹鋼(gang)表面的(de)(de)油(you)污(wu),以達(da)到清潔表面的(de)(de)目(mu)的(de)(de)。化學除(chu)(chu)油(you)溶(rong)液(ye)中的(de)(de)堿性化學品有氫氧(yang)(yang)化鈉(na)(na)、碳酸(suan)鈉(na)(na)、磷(lin)酸(suan)三鈉(na)(na)、硅(gui)酸(suan)鈉(na)(na)及焦磷(lin)酸(suan)鈉(na)(na)(Na.PO, ·2H2O)等(deng)(deng)。表面活性劑(ji)是(shi)強乳劑(ji),能加速除(chu)(chu)油(you)過程。常用(yong)(yong)的(de)(de)有下列(lie)幾種:十(shi)二(er)烷(wan)基(ji)硫酸(suan)鈉(na)(na)、OP-10 乳化劑(ji)、TX-10(聚氧(yang)(yang)乙(yi)烯辛烷(wan)基(ji)酚(fen)醚(mi))、6501 (十(shi)二(er)烷(wan)基(ji)二(er)元醇酰胺)等(deng)(deng)。其(qi)配方和工作條(tiao)件見表10-20。
表10-2 不銹鋼化學除油(you)溶液的配方和工作條件
化(hua)學除油后,表面宜(yi)用(yong)60℃熱水清洗(xi),將皂化(hua)生成的肥皂,以及附著在表面的多余(yu)乳(ru)化(hua)劑和硅酸(suan)鈉洗(xi)去(qu),以免粘附于表面而不利于后續處理。并根(gen)據除油情況,更新重配除油溶液。
c. 電(dian)化(hua)學除油
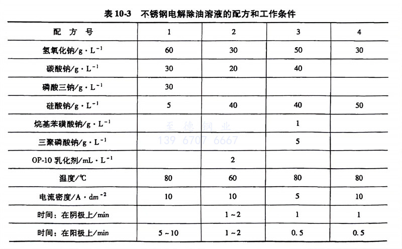
電化學(xue)除(chu)油又稱(cheng)電解(jie)除(chu)油,是在(zai)直流電的作用下,在(zai)堿性(xing)溶(rong)液(ye)中將(jiang)不銹鋼表面作為陰極(ji)或(huo)陽極(ji)進行電解(jie),從而除(chu)去油污。不銹鋼電解(jie)除(chu)油溶(rong)液(ye)的配方及工作條件見(jian)表10-3。
電(dian)解除油配方也可參照(zhao)表10-2所(suo)示的化學除油配方。

電化(hua)學(xue)除油(you)(you)(you)時,除了有(you)機(ji)化(hua)學(xue)除油(you)(you)(you)的(de)皂化(hua)作用(yong)外,還(huan)在電流的(de)作用(yong)下,使(shi)水分子分解,在工件(jian)表(biao)面析出氣(qi)泡。隨著氣(qi)泡的(de)增大,將油(you)(you)(you)膜撕裂脫離表(biao)面呈小(xiao)油(you)(you)(you)滴狀進入溶(rong)液中,產生(sheng)的(de)氣(qi)體(ti)對溶(rong)液起攪拌作用(yong),加速了除油(you)(you)(you)的(de)速度(du)。電學(xue)除油(you)(you)(you)所需電流一般(ban)為5~10A/dm2。
不銹鋼零件表面處(chu)于陰極時,由于水的電解析出氫氣,化(hua)學(xue)反(fan)應式如下:
析出的氫氣泡體(ti)積小(xiao)、數量多,擦刷(shua)作用大(da)。
不銹鋼零件表面處于陽(yang)極時(shi),析出的是氧氣,其化學反應式如(ru)下:

析出的氧氣只有氫(qing)氣體(ti)積的一半,除(chu)油效率不如陰極除(chu)油大。
除油時(shi)(shi)(shi)間分陰(yin)極時(shi)(shi)(shi)間和陽(yang)(yang)極時(shi)(shi)(shi)間。陰(yin)極時(shi)(shi)(shi)間長易除去油,但易滲氫(qing),造成氫(qing)脆,而且易有金(jin)屬雜質析(xi)出在(zai)工件表(biao)面(mian),呈黑色沉淀,故一般易在(zai)1~2min內。陽(yang)(yang)極時(shi)(shi)(shi)間長,雖有除去表(biao)面(mian)在(zai)陰(yin)極時(shi)(shi)(shi)析(xi)出沉渣的作(zuo)用,但同時(shi)(shi)(shi)有氧(yang)化作(zuo)用,時(shi)(shi)(shi)間過長,特別(bie)是(shi)在(zai)氯(lv)離(li)子(zi)存在(zai)的情(qing)況下(xia)易使(shi)表(biao)面(mian)發(fa)生點(dian)腐蝕,故一般陽(yang)(yang)極時(shi)(shi)(shi)間以0.5min 為(wei)宜。溶液中沒有氯(lv)離(li)子(zi)存在(zai)時(shi)(shi)(shi),也可在(zai)專用陽(yang)(yang)極除油液中進行(xing)5~10min。
為了使不銹(xiu)鋼零件(jian)表面(mian)取得最佳除(chu)油效(xiao)果,可采用(yong)陰極(ji)和陽(yang)極(ji)的(de)聯(lian)合除(chu)油,即采用(yong)表 10-3 中的(de)陰、陽(yang)極(ji)除(chu)油時(shi)間。從而可以減輕不銹(xiu)鋼零件(jian)表面(mian)滲氫和氧化的(de)作用(yong)。

3. 滾動(dong)光(guang)飾(滾光(guang))
滾光(guang)(guang)有滾筒滾光(guang)(guang)、離(li)(li)心滾光(guang)(guang)、離(li)(li)心盤擦光(guang)(guang)和(he)旋轉光(guang)(guang)飾等(deng),適用于小型不銹鋼零件,兼(jian)有整(zheng)平和(he)除(chu)氧化皮(pi)的作用。
a. 滾筒滾光
滾筒(tong)滾光是(shi)將不(bu)銹鋼零(ling)件放(fang)入盛有堿性除油(you)(you)液的滾筒(tong)中,利(li)用(yong)滾筒(tong)的旋轉,使零(ling)件相互摩擦,達到表面除油(you)(you)的作用(yong)。
如果要(yao)除(chu)去(qu)氧(yang)化(hua)皮(pi),可在滾筒內加(jia)入(ru)酸類和非離子型表面活性劑,如OP-10,利用轉動作用,既除(chu)油,又除(chu)氧(yang)化(hua)皮(pi)。
如果(guo)要提高(gao)不(bu)銹(xiu)鋼(gang)零件(jian)的表(biao)面(mian)光潔(jie)度,可(ke)在滾筒內(nei)的堿性溶液中(zhong)加(jia)入磨(mo)料,利用轉動中(zhong)零件(jian)表(biao)面(mian)與(yu)磨(mo)料的接觸摩擦,達到整(zheng)平表(biao)面(mian),使不(bu)銹(xiu)鋼(gang)零件(jian)表(biao)面(mian)達到光潔(jie)的目的。
滾光可以全部(bu)(bu)和(he)(he)部(bu)(bu)分替代磨光和(he)(he)拋光工作,它適用于大批量的(de)小零(ling)件使(shi)用。但不適用于有外螺紋的(de)和(he)(he)要求精密(mi)的(de)高光潔度的(de)零(ling)件拋光。
滾(gun)筒截面有圓形(xing)、六角形(xing)和八角形(xing)等形(xing)式。
b. 離心滾光
離(li)心(xin)(xin)滾光是(shi)在一(yi)個轉(zhuan)(zhuan)塔(ta)內(nei)的四周安放一(yi)些裝(zhuang)有零(ling)件(jian)和磨料(liao)的轉(zhuan)(zhuan)筒(tong)(tong)(tong),轉(zhuan)(zhuan)塔(ta)高速(su)旋(xuan)(xuan)(xuan)轉(zhuan)(zhuan),帶動(dong)轉(zhuan)(zhuan)筒(tong)(tong)(tong)以低轉(zhuan)(zhuan)動(dong)的速(su)度反方向旋(xuan)(xuan)(xuan)轉(zhuan)(zhuan)。轉(zhuan)(zhuan)塔(ta)旋(xuan)(xuan)(xuan)轉(zhuan)(zhuan)產(chan)生的離(li)心(xin)(xin)力使轉(zhuan)(zhuan)筒(tong)(tong)(tong)中的裝(zhuang)載物(wu)壓在一(yi)起,轉(zhuan)(zhuan)筒(tong)(tong)(tong)的旋(xuan)(xuan)(xuan)轉(zhuan)(zhuan)使磨料(liao)對零(ling)件(jian)產(chan)生滑動(dong)磨削,從而起到去除(chu)毛刺或(huo)光飾表面的作用(yong)。
離心滾(gun)光的(de)效率高(gao),只需一(yi)般(ban)滾(gun)光時間的(de)1/50。并(bing)能保持不(bu)同批次(ci)加(jia)工的(de)不(bu)銹鋼(gang)(gang)零件的(de)表面質(zhi)量一(yi)致(zhi),使不(bu)銹鋼(gang)(gang)零件具有高(gao)的(de)尺(chi)寸精度和光飾(shi)質(zhi)量。生產效率高(gao),成(cheng)(cheng)本低。其(qi)缺點是:只能處(chu)理小(xiao)零件,設備(bei)成(cheng)(cheng)本較高(gao)。
c. 離(li)心盤擦光
離(li)(li)心(xin)盤(pan)擦光機的(de)(de)主要結(jie)構是圓(yuan)柱(zhu)形(xing)容器、碗形(xing)盤(pan)和(he)驅(qu)動(dong)(dong)(dong)(dong)系統。在固定不動(dong)(dong)(dong)(dong)的(de)(de)圓(yuan)柱(zhu)筒(tong)下部,裝有(you)一個由(you)驅(qu)動(dong)(dong)(dong)(dong)系統帶動(dong)(dong)(dong)(dong)的(de)(de)能(neng)高速旋轉的(de)(de)碗形(xing)盤(pan),盤(pan)的(de)(de)線速度可(ke)達10m/s。零(ling)件和(he)磨料放(fang)入筒(tong)內,工作(zuo)(zuo)時(shi)由(you)于盤(pan)的(de)(de)高速旋轉,使裝載(zai)物沿筒(tong)壁向上運動(dong)(dong)(dong)(dong),其后(hou)因零(ling)件的(de)(de)自重而(er)從筒(tong)的(de)(de)中(zhong)心(xin)滑落到離(li)(li)心(xin)盤(pan)中(zhong),這(zhe)樣反反復復進行,使裝載(zai)物呈(cheng)圓(yuan)筒(tong)形(xing)運動(dong)(dong)(dong)(dong),從而(er)對不銹鋼零(ling)件產生磨削光飾的(de)(de)作(zuo)(zuo)用。
d. 旋轉(zhuan)光飾(shi)
旋轉光飾是把不銹(xiu)鋼(gang)零(ling)件(jian)固定在(zai)一個轉軸上(shang),并(bing)浸入盛有磨料(liao)泥漿的旋轉筒內。零(ling)件(jian)表(biao)面(mian)受到(dao)快速動泥漿的磨削作用而達到(dao)光飾加工的目(mu)的。
旋轉光(guang)飾(shi)適合于精密而(er)怕碰撞的零件(如齒輪、鏈輪、軸承等),可以去毛刺、倒圓角(jiao),獲(huo)得精細的表面。但加工(gong)效率低,成本(ben)較高。
4. 噴(pen)砂(sha)
適(shi)用于大面積(ji)處理,兼有去(qu)污和(he)除去(qu)氧化(hua)皮的作(zuo)用。噴(pen)砂(sha)是(shi)用壓縮(suo)空氣(qi)將石英砂(sha)噴(pen)在不銹鋼零(ling)件表面,對表面進行清理或修(xiu)飾加工(gong)。噴(pen)砂(sha)分為(wei)干(gan)噴(pen)砂(sha)和(he)濕噴(pen)砂(sha)。
噴砂主要是除去(qu)鑄件(jian)(jian)、鍛件(jian)(jian)或熱(re)處理后的不銹(xiu)鋼零件(jian)(jian)表面存(cun)在的型砂、氧化(hua)皮;除去(qu)不銹(xiu)鋼零件(jian)(jian)表面的銹(xiu)蝕物、積炭、焊渣以及零件(jian)(jian)邊緣(yuan)上的毛(mao)刺、磨痕,提高(gao)不銹(xiu)鋼零件(jian)(jian)表面的粗糙度。

