1. 大氣暴曬(shai)試(shi)驗
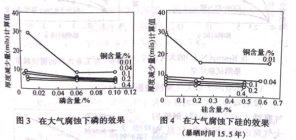
香蕉app免費視頻在線觀看:耐候鋼具有的優秀特性之一就是耐候性,然而為了知道暴露在大氣中的鋼材怎樣地被腐蝕則需要非常長的時間。如前所述,U.S.Steel公司在各個暴曬試驗場進行了長期的試驗,該公司的Larabee關于合金元素的效果曾經發表過圖1~圖4所示的實驗結果。根據些圖可以知道,對大氣腐蝕最有效果的元素是銅,0.1%銅的鋼和0.01%銅的鋼其耐蝕性顯著不同。現把單獨添加其他合金元素時的效果分別總結如下。


對提高耐候性有顯(xian)著效(xiao)果的元素(su):P、Cu、Cr;
對提高(gao)耐(nai)候性稍有效果(guo)的元素(su):Ni、Mo、V、Nb、Ti 等。
對提高(gao)耐候性沒有(you)效果(guo)的元素:C、Si、Mn、S。
在(zai)這里重(zhong)要的(de)(de)(de)是:這些(xie)合金元(yuan)素(su)復合添加,可以獲得比分別(bie)單獨(du)添加更高的(de)(de)(de)雙重(zhong)效(xiao)果,Cr、P等與Cu共存(cun)最初發揮(hui)作用的(de)(de)(de)結(jie)果表(biao)(biao)示在(zai)圖2~圖4。復合添加的(de)(de)(de)代(dai)表(biao)(biao)是U.S.Steel公司開發的(de)(de)(de)添加了Cu-P-Cr-Ni的(de)(de)(de)COR-TEN鋼(gang),把這種鋼(gang)的(de)(de)(de)耐候性與碳素(su)鋼(gang)及含銅鋼(gang)的(de)(de)(de)進行比較,結(jie)果表(biao)(biao)示于圖5。

日本與美國相(xiang)比(bi),一般來說由于高溫、潮濕,大(da)氣腐(fu)蝕嚴重,環(huan)(huan)境條(tiao)(tiao)件比(bi)較(jiao)嚴酷。因此,日本各公司分別(bie)(bie)在(zai)不同環(huan)(huan)境條(tiao)(tiao)件的(de)(de)各地(di)區進(jin)行了暴(bao)曬試驗,圖(tu)6及(ji)圖(tu)7分別(bie)(bie)示出了在(zai)腐(fu)蝕環(huan)(huan)境嚴酷的(de)(de)工(gong)業地(di)帶尼(ni)崎地(di)區和環(huan)(huan)境比(bi)較(jiao)好的(de)(de)半田園(yuan)地(di)帶的(de)(de)相(xiang)模原地(di)區所獲得的(de)(de)有關COR-TEN鋼(gang)(gang)(gang)(gang)的(de)(de)暴(bao)曬試驗結果(guo)(guo)。如(ru)果(guo)(guo)根據這些圖(tu)來比(bi)較(jiao)暴(bao)曬時間第7年(nian)的(de)(de)腐(fu)蝕減(jian)量時,尼(ni)崎地(di)區的(de)(de)場合COR-TEN鋼(gang)(gang)(gang)(gang)只(zhi)不過(guo)是(shi)碳素(su)鋼(gang)(gang)(gang)(gang)的(de)(de)26%.如(ru)果(guo)(guo)改變方(fang)法來比(bi)較(jiao)厚度(du)減(jian)少到0.1mm的(de)(de)時間時,COR-TEN鋼(gang)(gang)(gang)(gang)為(wei)(wei)5年(nian)左(zuo)右,在(zai)此以后腐(fu)蝕減(jian)量大(da)為(wei)(wei)下降;而(er)含銅鋼(gang)(gang)(gang)(gang)是(shi)2.5年(nian),490MPa(50kg/m㎡)級高強度(du)鋼(gang)(gang)(gang)(gang)是(shi)1年(nian),碳素(su)鋼(gang)(gang)(gang)(gang)是(shi)9個(ge)月(yue),而(er)且因為(wei)(wei)COR-TEN鋼(gang)(gang)(gang)(gang)以外的(de)(de)鋼(gang)(gang)(gang)(gang)種腐(fu)蝕一直沒有發生鈍(dun)化,所以使其差別(bie)(bie)進(jin)一步(bu)增大(da)。在(zai)進(jin)行鋼(gang)(gang)(gang)(gang)鐵結構(gou)物的(de)(de)設計(ji)時,如(ru)果(guo)(guo)考慮(lv)鋼(gang)(gang)(gang)(gang)材銹所起到的(de)(de)作用,人們將(jiang)會容易理解(jie)耐候(hou)鋼(gang)(gang)(gang)(gang)的(de)(de)優越(yue)性。

半田園地區與工業(ye)地區相比腐(fu)蝕(shi)(shi)量顯著減(jian)少,所(suo)以耐候鋼(gang)和(he)碳素鋼(gang)的腐(fu)蝕(shi)(shi)量的差別不太大,然(ran)而(er)這是由于大氣中所(suo)含的二(er)氧化硫(liu)濃(nong)度在工業(ye)地區高的原因。
2. 環境因子對大氣(qi)腐蝕的影響
像尼崎和相模原地區(qu)在大氣腐(fu)蝕(shi)上的差別那樣,鋼鐵(tie)的含銅鋼大氣腐(fu)蝕(shi)受氣候要素(氣溫、濕耐候鋼度、降雨量(liang)等)或大氣污染因子(zi)(二氧化硫、海鹽粒子(zi)、沉(chen)積(ji)煤(mei)塵等)等環境因子(zi)的影響。
通過(guo)這些公式可(ke)以說,在任何(he)公式中二氧化硫濃度的影響最大。根據(ju)福井等的研究,如果把(4)、(5)、(6)各(ge)式和(he)實(shi)測值(zhi)(zhi)進行比較時,如表3出示的式(6)的簡(jian)略式的計算(suan)值(zhi)(zhi)與(yu)實(shi)測值(zhi)(zhi)非常一(yi)致(zhi),表明鋼鐵的大氣(qi)腐蝕事(shi)實(shi)上(shang)可(ke)以作為(wei)二氧化硫濃度的函數求出來。

3. 關于耐候(hou)性的考察(cha)
如果把不銹(xiu)(xiu)(xiu)鋼(gang)(gang)暴(bao)露在(zai)大(da)(da)氣中時,就會(hui)在(zai)表面上生(sheng)(sheng)成(cheng)(cheng)穩(wen)定而(er)且(qie)很(hen)薄的(de)(de)(de)氧(yang)(yang)化(hua)覆膜(鈍化(hua)覆膜),以后不再被氧(yang)(yang)化(hua),永遠不會(hui)失(shi)去(qu)光澤(ze),可(ke)是把候鋼(gang)(gang)放在(zai)大(da)(da)氣中進(jin)行暴(bao)曬時則生(sheng)(sheng)成(cheng)(cheng)銹(xiu)(xiu)(xiu),和碳(tan)素鋼(gang)(gang)的(de)(de)(de)外(wai)觀完全不同。而(er)且(qie)在(zai)腐蝕(shi)進(jin)行中一旦生(sheng)(sheng)成(cheng)(cheng)某種(zhong)程度的(de)(de)(de)銹(xiu)(xiu)(xiu)層時,耐(nai)候鋼(gang)(gang)的(de)(de)(de)銹(xiu)(xiu)(xiu)層就會(hui)對腐蝕(shi)起(qi)保護作(zuo)用(yong),顯(xian)著地(di)抑(yi)(yi)制(zhi)以后的(de)(de)(de)腐蝕(shi),然(ran)而(er)因為碳(tan)素鋼(gang)(gang)的(de)(de)(de)銹(xiu)(xiu)(xiu)層沒有(you)這樣(yang)的(de)(de)(de)抑(yi)(yi)制(zhi)效果,在(zai)腐蝕(shi)量上產生(sheng)(sheng)差異,所以當然(ran)認為耐(nai)候鋼(gang)(gang)的(de)(de)(de)特(te)長(chang)就在(zai)于(yu)這種(zhong)銹(xiu)(xiu)(xiu)層的(de)(de)(de)保護效果。
關于(yu)這(zhe)一點(dian),耐候鋼(gang)(gang)(gang)和碳素鋼(gang)(gang)(gang)是(shi)同樣的,如圖8所示(shi),在腐蝕初(chu)期(qi)耐候鋼(gang)(gang)(gang)的銹的生成(cheng)較快。可是(shi)隨(sui)著長(chang)時間暴曬,初(chu)期(qi)的紅銹在大氣干濕交(jiao)替(ti)之中,在鄰接鋼(gang)(gang)(gang)的表面部分慢慢形成(cheng)帶有藍色(se)的銹層,一般也被稱為“自涂漆鋼(gang)(gang)(gang)”。

像上述那樣進行直觀(guan)的考慮時,可(ke)以認為(wei)在耐(nai)候鋼(gang)上因為(wei)能(neng)形成致密(mi)而(er)且粘附性良好的銹層(ceng),所以能(neng)夠阻礙水(shui)、氧、二氧化硫(liu)等腐蝕性物(wu)質的滲透。例如Cadius和Schulz[6]就認為(wei)鋼中含有銅時,在褐(he)色(se)銹的下面(mian)能(neng)生成致密(mi)的CuO和FeO、Fe2O3·H2O混合的(de)黑色(se)銹層,在黑色(se)銹層下面進一(yi)步形成Cu·CuO層,通(tong)過這種(zhong)致密銹的(de)保護作用(yong)提高了耐蝕(shi)性。
但是,根(gen)據Mayne7的(de)觀點,即(ji)使有致密銹層(ceng)的(de)存在也難以認為(wei)能夠充分(fen)阻(zu)止水和(he)氧的(de)透(tou)過(guo)(guo),像(xiang)涂膜之類的(de)物(wu)質,鋼鐵腐蝕所(suo)需要的(de)水分(fen)、氧等的(de)透(tou)過(guo)(guo)速度越充分(fen)腐蝕能力(li)越大(da),所(suo)以好像(xiang)還不能說銹層(ceng)阻(zu)止透(tou)過(guo)(guo)的(de)能力(li)超過(guo)(guo)涂膜。
Copson 注意到圖1出示(shi)的(de)(de)(de)銅對鋼鐵的(de)(de)(de)大(da)氣(qi)腐蝕(shi)的(de)(de)(de)影響顯著(zhu),研究了(le)鋼中的(de)(de)(de)銅量和銹層(ceng)的(de)(de)(de)化學組(zu)成之間(jian)的(de)(de)(de)關系,結果如圖9所(suo)示(shi),通過添(tian)加微(wei)量0.05%Cu,銹層(ceng)中的(de)(de)(de)SO4-已達到飽和,所(suo)以認為銅和SO4-按(an)一定比例生成的(de)(de)(de)絡(luo)鹽(yan)(yan)形成了(le)致密層(ceng),可是(shi)難點是(shi)一直沒(mei)有(you)掌握絡(luo)鹽(yan)(yan)的(de)(de)(de)實(shi)質。

如上(shang)所述(shu)可(ke)知,耐候(hou)(hou)鋼(gang)的(de)所謂的(de)穩(wen)定銹(xiu)層由(you)于致(zhi)(zhi)密(mi)所以(yi)抑制(zhi)了水或(huo)氧的(de)滲透,大體上(shang)能完全阻止(zhi)后續(xu)的(de)腐(fu)蝕反(fan)應,可(ke)是(shi)(shi)關于含有Cu、Cr、P等(deng)(deng)的(de)耐候(hou)(hou)鋼(gang)上(shang)為(wei)什么能生(sheng)成致(zhi)(zhi)密(mi)的(de)銹(xiu)層,并且(qie)所謂這種致(zhi)(zhi)密(mi)性是(shi)(shi)什么東西?實際情況(kuang)一直沒有確切的(de)說明(ming)。在日(ri)本以(yi)學(xue)振97委員(yuan)會為(wei)中心(xin),積極進行了試圖(tu)闡明(ming)耐候(hou)(hou)鋼(gang)特長的(de)研究(jiu),已經知道(dao)有久松·增子、下平、岡田·細井(jing)等(deng)(deng)、松島·上(shang)野(ye)、小若·佐武等(deng)(deng)以(yi)及轟(hong)·門等(deng)(deng)的(de)研究(jiu)。
岡(gang)田等(deng)用X射(she)線衍射(she)、斷面(mian)顯微鏡(jing)觀察、XMA、鐵銹(xiu)(xiu)試驗、銹(xiu)(xiu)層(ceng)(ceng)(ceng)的(de)(de)(de)(de)(de)電解還(huan)原(yuan)等(deng)方法(fa),研究了耐(nai)(nai)候(hou)(hou)鋼和(he)(he)碳素(su)鋼的(de)(de)(de)(de)(de)銹(xiu)(xiu)層(ceng)(ceng)(ceng)特(te)征(zheng)。其結果(guo)(guo)(guo)是(shi)(shi):(1)耐(nai)(nai)候(hou)(hou)鋼經(jing)5年(nian)的(de)(de)(de)(de)(de)暴曬材的(de)(de)(de)(de)(de)銹(xiu)(xiu)層(ceng)(ceng)(ceng)在(zai)(zai)(zai)(zai)鐵基(ji)(ji)體(ti)上(shang)幾乎沒有(you)FeOOH存(cun)在(zai)(zai)(zai)(zai)的(de)(de)(de)(de)(de)部位(wei)(wei),在(zai)(zai)(zai)(zai)FeOOH層(ceng)(ceng)(ceng)和(he)(he)鐵基(ji)(ji)體(ti)之(zhi)間能(neng)觀察到非(fei)常致密的(de)(de)(de)(de)(de)層(ceng)(ceng)(ceng)。相(xiang)反,在(zai)(zai)(zai)(zai)碳素(su)鋼的(de)(de)(de)(de)(de)銹(xiu)(xiu)層(ceng)(ceng)(ceng)上(shang)能(neng)夠觀察到FeOOH存(cun)在(zai)(zai)(zai)(zai)的(de)(de)(de)(de)(de)部位(wei)(wei),而且裂紋也多;(2)如果(guo)(guo)(guo)綜(zong)合X射(she)線衍射(she)和(he)(he)電解還(huan)原(yuan)法(fa)的(de)(de)(de)(de)(de)結果(guo)(guo)(guo),在(zai)(zai)(zai)(zai)耐(nai)(nai)候(hou)(hou)鋼的(de)(de)(de)(de)(de)銹(xiu)(xiu)的(de)(de)(de)(de)(de)下(xia)層(ceng)(ceng)(ceng)存(cun)在(zai)(zai)(zai)(zai)的(de)(de)(de)(de)(de)致密層(ceng)(ceng)(ceng)是(shi)(shi)由X射(she)線非(fei)晶(jing)質(zhi)的(de)(de)(de)(de)(de)尖(jian)晶(jing)石型氧化鐵構成的(de)(de)(de)(de)(de);(3)根(gen)據(ju)(ju)XMA檢測,在(zai)(zai)(zai)(zai)耐(nai)(nai)候(hou)(hou)鋼中所含(han)有(you)的(de)(de)(de)(de)(de)Cu、Cr、P等(deng)有(you)效(xiao)添加元(yuan)素(su)在(zai)(zai)(zai)(zai)銹(xiu)(xiu)下(xia)層(ceng)(ceng)(ceng)的(de)(de)(de)(de)(de)致密層(ceng)(ceng)(ceng)中濃縮,根(gen)據(ju)(ju)這些(xie)實驗結果(guo)(guo)(guo)銹(xiu)(xiu)層(ceng)(ceng)(ceng)的(de)(de)(de)(de)(de)構造可(ke)以(yi)用模(mo)式圖表(biao)示(shi)在(zai)(zai)(zai)(zai)圖10,并且在(zai)(zai)(zai)(zai)耐(nai)(nai)候(hou)(hou)鋼中所含(han)有(you)的(de)(de)(de)(de)(de)Cu、Cr、P有(you)效(xiao)添加元(yuan)素(su)等(deng)在(zai)(zai)(zai)(zai)紅(hong)銹(xiu)(xiu)層(ceng)(ceng)(ceng)(FeOOH)的(de)(de)(de)(de)(de)下(xia)面(mian)濃縮,對穩定非(fei)晶(jing)質(zhi)的(de)(de)(de)(de)(de)類似(si)于磁鐵礦(kuang)的(de)(de)(de)(de)(de)銹(xiu)(xiu)層(ceng)(ceng)(ceng)有(you)效(xiao)果(guo)(guo)(guo),認為這種非(fei)晶(jing)質(zhi)銹(xiu)(xiu)層(ceng)(ceng)(ceng)是(shi)(shi)耐(nai)(nai)候(hou)(hou)鋼的(de)(de)(de)(de)(de)防(fang)蝕作用的(de)(de)(de)(de)(de)本質(zhi)。
轟·門等所進行的(de)(de)(de)耐候鋼銹(xiu)層(ceng)(ceng)結(jie)(jie)構(gou)分(fen)析的(de)(de)(de)結(jie)(jie)果表明,用(yong)X射線(xian)衍射檢測(ce)出(chu)了(le)α-FeOOH、y-FeOOH及Fe3O4,雖然和碳(tan)素(su)(su)鋼相(xiang)比沒(mei)有(you)變化,可是(shi)在XMA面分(fen)析上看到(dao)了(le)Cu、Cr、P以及S的(de)(de)(de)濃(nong)縮,特(te)別(bie)是(shi)硫(liu)的(de)(de)(de)濃(nong)縮比碳(tan)素(su)(su)鋼顯著。就是(shi)說,碳(tan)素(su)(su)鋼的(de)(de)(de)硫(liu)的(de)(de)(de)濃(nong)縮在外層(ceng)(ceng)部(bu)分(fen)多,而(er)耐候鋼的(de)(de)(de)S的(de)(de)(de)濃(nong)縮在全體(ti)銹(xiu)層(ceng)(ceng)中均勻(yun)分(fen)布(bu),而(er)且與(yu)碳(tan)素(su)(su)鋼相(xiang)比硫(liu)的(de)(de)(de)濃(nong)縮相(xiang)當多(參(can)照照片1、2).該結(jie)(jie)果與(yu)Copson所說的(de)(de)(de)越是(shi)耐候性優秀的(de)(de)(de)鋼其(qi)銹(xiu)層(ceng)(ceng)中含(han)有(you)的(de)(de)(de)硫(liu)酸鹽(yan)越多的(de)(de)(de)研究結(jie)(jie)果(圖9)一(yi)致(zhi)。

根據轟(hong)等的(de)研究,如表4所(suo)示,耐候鋼銹(xiu)內層(ceng)的(de)硫(liu)濃度(du)達到(dao)0.45%,相當于基體鐵(tie)(tie)中硫(liu)含量的(de)20倍以上,所(suo)以認(ren)為(wei)大(da)(da)部(bu)分硫(liu)是大(da)(da)氣中的(de)SO2形(xing)成硫(liu)酸鹽后被固定下(xia)來的(de)。Chandler 等敘述了(le)在(zai)大(da)(da)氣暴(bao)曬材的(de)銹(xiu)層(ceng)中含有4%S04-離子,其(qi)中可溶(rong)性(xing)硫(liu)酸鐵(tie)(tie)借助(zhu)于內層(ceng)大(da)(da)量存在(zai)著,Schwarz像圖11那(nei)樣(yang)確認(ren)了(le)在(zai)基體鐵(tie)(tie)表面上形(xing)成了(le)FeSO4'nH2O,并且(qie)Tanner在(zai)被銹(xiu)覆蓋的(de)基體鐵(tie)(tie)的(de)很(hen)淺的(de)凹痕處發現了(le)FeSO4·4H2O,認(ren)為(wei)這個凹痕是局部(bu)腐蝕反應的(de)陽極點。Evans 也談到(dao)金屬表面的(de)間隙(xi)部(bu)裂紋等也變(bian)成了(le)陽極,SO4-離子向那(nei)些部(bu)分遷移形(xing)成了(le)硫(liu)酸鐵(tie)(tie)。


松(song)島用放(fang)射性影法研究了銹層缺(que)陷(xian)(xian)的(de)(de)(de)分(fen)(fen)布(bu),發現耐候鋼(gang)缺(que)陷(xian)(xian)部(活性點(dian)、陽(yang)極部分(fen)(fen))少(shao)。他們根據這一結果得(de)出(chu)結論(lun),帶有銹層的(de)(de)(de)鋼(gang)的(de)(de)(de)腐(fu)蝕是通過(guo)缺(que)陷(xian)(xian)部分(fen)(fen)借助腐(fu)蝕性物質的(de)(de)(de)滲透進(jin)行的(de)(de)(de)。
綜(zong)合考慮以(yi)上(shang)結果,大氣腐蝕反應的(de)(de)(de)第(di)一階段是在(zai)(zai)(zai)硫酸(suan)鹽(yan)的(de)(de)(de)環境下(xia)進(jin)行的(de)(de)(de)。其理由是,在(zai)(zai)(zai)這樣(yang)的(de)(de)(de)條件下(xia)只能(neng)生成硫酸(suan)亞鐵(tie),雖然(ran)也能(neng)通(tong)過銹(xiu)層向基體鐵(tie)充分(fen)供給氧,可是不被氧化能(neng)夠穩(wen)定(ding)地存(cun)在(zai)(zai)(zai),以(yi)及從存(cun)在(zai)(zai)(zai)于(yu)銹(xiu)層中的(de)(de)(de)硫酸(suan)亞鐵(tie)的(de)(de)(de)含水(shui)量少來看,是由于(yu)腐蝕環境處在(zai)(zai)(zai)比較高(gao)的(de)(de)(de)溫度(du)。例如已經知道4水(shui)鹽(yan)在(zai)(zai)(zai)60℃生成,認為在(zai)(zai)(zai)實際的(de)(de)(de)大氣暴曬的(de)(de)(de)日照條件下(xia),溫度(du)上(shang)升到這種(zhong)程(cheng)度(du)非常容(rong)易實現(xian)。
在以(yi)(yi)上的(de)銹層/基體鐵界面上進行(xing)腐(fu)蝕(shi)時,關(guan)于其腐(fu)蝕(shi)氣氛保持(chi)酸(suan)性的(de)理(li)由,可以(yi)(yi)考慮(lv)Schikorr 提出的(de)循(xun)環反應的(de)理(li)由,即通過(guo)以(yi)(yi)下的(de)反應保持(chi)酸(suan)性:
在這(zhe)里,對判(pan)定鋼的(de)耐候性的(de)模型實(shi)驗(yan)來說,在硫酸(suan)溶液中測(ce)定腐蝕特性的(de)方(fang)法是合適(shi)的(de)。這(zhe)種(zhong)實(shi)驗(yan)轟等。

曾經進行(xing)過,在(zai)98%硫酸(suan)中比(bi)較耐(nai)候(hou)(hou)鋼(gang)(gang)和(he)(he)碳素(su)鋼(gang)(gang)的(de)(de)(de)(de)(de)腐(fu)蝕量時(shi),如圖(tu)12所示,經過4周浸(jin)泡(pao)沒有發(fa)現(xian)鋼(gang)(gang)種的(de)(de)(de)(de)(de)差異,可是(shi)(shi)浸(jin)泡(pao)時(shi)間超(chao)過4周以上時(shi),耐(nai)候(hou)(hou)鋼(gang)(gang)的(de)(de)(de)(de)(de)腐(fu)蝕速度顯(xian)著降低,與碳素(su)鋼(gang)(gang)的(de)(de)(de)(de)(de)差異增(zeng)大,發(fa)現(xian)和(he)(he)實(shi)際暴曬試驗的(de)(de)(de)(de)(de)結果完全一致。他們也測(ce)定(ding)(ding)了(le)98%硫酸(suan)中的(de)(de)(de)(de)(de)極(ji)化特性(xing),陽極(ji)極(ji)化耐(nai)候(hou)(hou)鋼(gang)(gang)和(he)(he)碳素(su)鋼(gang)(gang)相(xiang)同,可是(shi)(shi)隨著浸(jin)泡(pao)時(shi)間的(de)(de)(de)(de)(de)增(zeng)長(chang)發(fa)現(xian)極(ji)化明顯(xian)增(zeng)大,和(he)(he)碳素(su)鋼(gang)(gang)的(de)(de)(de)(de)(de)差別顯(xian)著。進一步(bu)確(que)定(ding)(ding)了(le)耐(nai)候(hou)(hou)鋼(gang)(gang)在(zai)98%硫酸(suan)中生(sheng)成(cheng)的(de)(de)(de)(de)(de)容易(yi)剝離(li)的(de)(de)(de)(de)(de)腐(fu)蝕生(sheng)成(cheng)物和(he)(he)碳素(su)鋼(gang)(gang)的(de)(de)(de)(de)(de)場合(he)相(xiang)同,都是(shi)(shi)FeSO4·nH2O(n=2.1及2.5),不(bu)存在(zai)Cr、Cu等,在(zai)溶液中也幾乎不(bu)析出,并(bing)且確(que)認了(le)在(zai)耐(nai)候(hou)(hou)鋼(gang)(gang)的(de)(de)(de)(de)(de)場合(he),這種硫酸(suan)鐵層下面存在(zai)有Cu、Cr等濃縮后的(de)(de)(de)(de)(de)非常薄(bo)的(de)(de)(de)(de)(de)氧化膜(參照(zhao)表(biao)5)。

根據這些數據來看,在濃硫酸中的腐蝕特性和大氣腐蝕非常對應,可以推論在硫酸鐵/基體鐵界面上形成的非常薄的覆膜(鈍化覆膜)支配著耐蝕性。轟等進一步在5%硫酸中通過外部電流給與鈍化電位的條件下使鋼表面形成鈍化覆膜,用CI-離子破壞這種覆膜,測定電流-時間曲線時,得到像圖13那樣的結果,發現越是耐蝕性優秀的鋼鈍化覆膜越穩定,并與大氣腐蝕試驗的結果很一致。
如果這(zhe)樣(yang)來考慮(lv)的(de)(de)(de)(de)話,低合(he)金鋼(gang)的(de)(de)(de)(de)大氣腐蝕(shi)則(ze)受基體鐵表面上形成的(de)(de)(de)(de)Cu、Cr等濃縮的(de)(de)(de)(de)非(fei)常薄(bo)的(de)(de)(de)(de)覆膜的(de)(de)(de)(de)陽(yang)極(ji)(ji)反應支配,可以說耐候鋼(gang)的(de)(de)(de)(de)特長就(jiu)是(shi)這(zhe)種陽(yang)極(ji)(ji)反應的(de)(de)(de)(de)抑制效果。該觀點(dian)與上述(shu)的(de)(de)(de)(de)岡田(tian)等的(de)(de)(de)(de)模型(圖(tu)10)中,把Cu、Cr、P等濃縮的(de)(de)(de)(de)非(fei)晶質的(de)(de)(de)(de)磁鐵礦類似層作為耐候鋼(gang)防蝕(shi)的(de)(de)(de)(de)本(ben)質的(de)(de)(de)(de)觀點(dian)也很一致,二者都提(ti)示有鈍化覆膜的(de)(de)(de)(de)存在是(shi)極(ji)(ji)其令人感興(xing)趣的(de)(de)(de)(de)問題。

