不銹鋼混合酸化(hua)學腐蝕(shi)加(jia)工工藝流(liu)程如下:
一、工藝(yi)流程(cheng)
香蕉app免費視頻在線觀看:304不銹鋼基體 → 化學除油①→ 熱水洗 → 冷水洗 → 浸蝕② → 水洗 → 水洗 → 晾干 → 絲網印刷③ → 固化④ → 腐蝕加工⑤ → 水洗 → 脫膠⑥ → 烘干 → 成品檢驗入庫。
網框準備:采用鋁合金框及合成纖維絲網,按印料的黏度選用適當目數(150目)的絲網 → 涂感光膠⑦ → 干燥 → 將底片覆蓋在感光膠上曝光 → 顯影⑧ → 水洗 → 干燥 → 制成合格絲網板待絲印用。采用絲網印刷,可提高工作效率和細小線條有較好的分辨率。
注:各道工序(xu)的溶(rong)液(ye)成(cheng)分及(ji)操(cao)作(zuo)要點如下:


二、混(hun)合酸腐蝕加(jia)工的(de)工藝(yi)參(can)數對腐蝕速率及表面狀況的(de)影(ying)響(xiang)
1. 溫度的影(ying)響
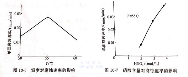
不同溫度(du)對(dui)腐(fu)蝕(shi)速率(lv)(lv)(lv)的(de)影響(xiang)見圖(tu)10-6。由(you)圖(tu)10-6可見,在溫度(du)55℃左右,腐(fu)蝕(shi)速率(lv)(lv)(lv)達到最高(0.027mm/min),溫度(du)再升高,速率(lv)(lv)(lv)反而下降,溫度(du)低于50℃時,表面(mian)狀況較差(cha)。

2. 硝酸含量的影(ying)響
其(qi)他(ta)組分(fen)不變,硝(xiao)酸含(han)量對腐蝕速(su)率的影響見圖10-7,腐蝕速(su)率隨硝(xiao)酸含(han)量的升高而增高。濃度(du)為3mol/L(相當于189g/L)時,表面狀況(kuang)良好(hao),濃度(du)為4mol/L(相當于252g/L)時,表面粗(cu)糙。
3. 鹽酸含量的影響
其他(ta)組分不變,鹽度含量對腐蝕速率的影響見圖10-8。由(you)圖10-8可見,鹽酸濃度為2mol/L(相(xiang)當于192g/L)時,腐蝕速率最大,可達到0.027mm/min。

4. 氫氟酸含(han)量的(de)影響
其(qi)他(ta)組分不變,氫氟(fu)酸含量對腐蝕速率的影響見圖(tu)10-9,由圖(tu)10-9可(ke)見,氫氟(fu)酸濃度為(wei)4mol/L(相當于(yu)200g/L)時(shi),腐蝕速率為(wei)0.025mm/min.經腐蝕4~10min,表(biao)面加工深度可(ke)達0.1~0.25mm。
5. 乙酸含量的影(ying)響
乙酸對腐蝕速率沒有(you)影(ying)響。少量的(de)添加(jia)(jia)可(ke)以提高(gao)表面加(jia)(jia)工的(de)表面光潔(jie)度,還可(ke)以防止氫氟酸揮發(fa),減少污染。

