
inconel產品的(de)(de)均勻(yun)腐蝕(shi)可以發生在酸性或(huo)熱的(de)(de)堿性溶液。通過這種機制可以預計的(de)(de)虧(kui)損,并在設計允許的(de)(de)。inconel產品的(de)(de)腐蝕(shi)速率非常慢(man)時,該金屬是在被(bei)動狀態,一(yi)般的(de)(de)是耐腐蝕(shi)性更好地(di)較大的(de)(de)鉻(ge)含量,但(dan)其(qi)他的(de)(de)溶質可以是有害(hai)的(de)(de)。
(00Cr20Ni60Mo8Nb3Ti)Inconel 725 合金是一(yi)種(zhong)既(ji)具有(you)高(gao)(gao)耐(nai)(nai)(nai)蝕(shi)性(xing)(xing)又可時效(xiao)硬(ying)化(hua)到極高(gao)(gao)強度(du)的(de)(de)(de)(de)Ni-Cr-Mo-Nb-Ti- Al耐(nai)(nai)(nai)蝕(shi)合(he)(he)(he)金(jin)(jin)。此合(he)(he)(he)金(jin)(jin)的(de)(de)(de)(de)耐(nai)(nai)(nai)蝕(shi)性(xing)(xing)基本上與(yu)已(yi)廣泛(fan)使用的(de)(de)(de)(de)Inconel 625合(he)(he)(he)金(jin)(jin)一(yi)致(zhi),時效(xiao)硬(ying)化(hua)處(chu)理的(de)(de)(de)(de)725合(he)(he)(he)金(jin)(jin)的(de)(de)(de)(de)強度(du)水平(ping)是625合(he)(he)(he)金(jin)(jin)的(de)(de)(de)(de)2倍(bei),并且其塑韌(ren)性(xing)(xing)仍保持(chi)較高(gao)(gao)的(de)(de)(de)(de)水平(ping)。對于在腐蝕(shi)環(huan)境中(zhong)應用,既(ji)要(yao)求具有(you)優異耐(nai)(nai)(nai)蝕(shi)性(xing)(xing)又要(yao)求具有(you)高(gao)(gao)強和高(gao)(gao)的(de)(de)(de)(de)塑韌(ren)性(xing)(xing)的(de)(de)(de)(de)服(fu)役條(tiao)件(jian),一(yi)些(xie)大型部(bu)件(jian)或(huo)截面尺(chi)寸不(bu)均勻的(de)(de)(de)(de)部(bu)件(jian)不(bu)能釆(bian)用冷加工的(de)(de)(de)(de)強化(hua)措施,這(zhe)種(zhong)時效(xiao)硬(ying)化(hua)型鐐基耐(nai)(nai)(nai)蝕(shi)合(he)(he)(he)金(jin)(jin)不(bu)失是一(yi)種(zhong)最佳選擇。Inconel 725合(he)(he)(he)金(jin)(jin)已(yi)在酸(suan)性(xing)(xing)氣田開發中(zhong)得到成功(gong)應用。
一、化學成分(fen)特點和組織結(jie)構
(00Cr20Ni60Mo8Nb3Ti)Inconel 725 合(he)金的(de)化學成分(fen)見表 8-7。合(he)金的(de) Cr、Ni、Mo、Nb 含量與(yu)625合(he)金基(ji)本(ben)一(yi)致(zhi),這是此合(he)金的(de)耐(nai)(nai)蝕(shi)特性(xing)與(yu)625合(he)金一(yi)致(zhi)的(de)根本(ben)原因,兩(liang)者的(de)差(cha)別在(zai)于725合(he)金中的(de)碳(tan)降(jiang)到0.03%以下,并加入Ti和Al,前(qian)者減少了碳(tan)化物析出(chu)敏感(gan)性(xing)而(er)提高耐(nai)(nai)晶間腐蝕(shi)能力(li),后者賦予了合(he)金的(de)時(shi)效強化功能。


(00Cr20Ni60Mo8Nb3Ti)Inconel 725 合金在固溶退火狀態下為純奧氏體合金,在時效狀態下有碳化物和金屬間相形成,碳化物以M6C為主并有MC和M23C6型碳化物形成,此合金金屬間相為[Ni3(Nb,Ti,Al)],后者為合金的主要時效強化相, 其功能是提高合金的強度。
二、力學性能
(00Cr20Ni60Mo8Nb3Ti)Inconel 725 合金的室溫(wen)力(li)(li)學性能見表(biao)8-106。時效硬化棒材高溫(wen)瞬時力(li)(li)學性能見圖 8-92。16~16.5mm棒材(固溶+時效硬化處理)的高溫(wen)瞬時力(li)(li)學性能列(lie)于表(biao) 8-107。


三、耐(nai)蝕性能
1. 全面腐蝕
在酸溶液中(zhong),不同熱處理狀態的(de)(de)725合(he)(he)金(jin)(jin)的(de)(de)耐蝕(shi)性列(lie)于表8-108,為了(le)比較(jiao) 引入了(le)文獻中(zhong)的(de)(de)625和C-276合(he)(he)金(jin)(jin),顯然(ran)725合(he)(he)金(jin)(jin)的(de)(de)耐蝕(shi)性可與退火態的(de)(de)625合(he)(he)金(jin)(jin)和 C-276合(he)(he)金(jin)(jin)媲美。

表 8-109 為725合金在(zai)酸性介(jie)質中(zhong)的耐蝕性隨試驗時間和介(jie)質溫度的變(bian)化(hua)而(er) 發生的變(bian)化(hua)。

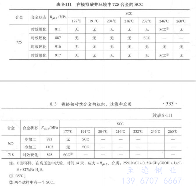
2. 應力腐(fu)蝕
在判定由硫(liu)化物引起的應力腐(fu)蝕(氫脆)的標準試(shi)驗中(NACET M0177 ),725 合(he)(he)金(jin)(jin)的腐(fu)蝕數據見(jian)表(biao)8-110。這些數據指岀725合(he)(he)金(jin)(jin)優于625合(he)(he)金(jin)(jin)和718合(he)(he)金(jin)(jin)。

在模擬酸性(xing)井環境中,725合(he)(he)(he)金的應力(li)腐蝕行(xing)為見表8-111 和圖8-93。725 合(he)(he)(he)金的耐SCC性(xing)能(neng)優于(yu)(yu)冷加工的625合(he)(he)(he)金、G-3合(he)(he)(he)金、925合(he)(he)(he)金、825合(he)(he)(he)金和718 合(he)(he)(he)金,近于(yu)(yu)C-276合(he)(he)(he)金。


3. 耐縫隙腐蝕(shi)性能和(he)腐蝕(shi)疲(pi)勞
時效(xiao)狀態的(de)725合金的(de)耐縫隙腐蝕性能優于退火(huo)態的(de)625合金(表8-112), 在海水中的(de)疲勞性能與空氣中的(de)一致(圖(tu)8-94)。


四、熱處理、熱成型和焊接性能
1. 熱處理(li)
(00Cr20Ni60Mo8Nb3Ti)Inconel 725 合金(jin)的強化是(shi)依賴于時效(xiao)處理 γ''相沉淀實現的,時效(xiao)前應使合金(jin)固溶退火,然后再(zai)施以時效(xiao)處理。
固(gu)溶(rong)退火:1040℃ 固(gu)溶(rong),AC(空(kong)冷)。
時(shi)效處(chu)理:對于酸性氣井應(ying)用, 推薦下述處(chu)理工藝,730℃×8 h 、爐冷 (56℃/h)至620℃ × 8h, AC。
2. 熱成型(xing)
725合金(jin)的適宜熱(re)(re)成(cheng)(cheng)型溫(wen)度(du)為 899~1121℃,因(yin)其(qi)強(qiang)度(du)高,熱(re)(re)成(cheng)(cheng)型設備應(ying)(ying)具(ju)有(you)足(zu)夠的變(bian)形力(li)。為使部件具(ju)有(you)均勻(yun)一致的變(bian)形,在(zai)變(bian)形的低溫(wen)區(890 ~950℃)應(ying)(ying)適度(du)減少(shao)壓縮(suo)量。為了避免(mian)混晶結構,應(ying)(ying)給予合金(jin)較均勻(yun)的壓縮(suo)量,對于(yu)開口模(mo)熱(re)(re)作(zuo),最(zui)終(zhong)的壓縮(suo)量應(ying)(ying)大(da)于(yu)20%,對于(yu)閉口模(mo)熱(re)(re)作(zuo),最(zui)終(zhong)變(bian)形量應(ying)(ying)大(da)于(yu)10% ,熱(re)(re)作(zuo)后空(kong)冷(leng)。在(zai)熱(re)(re)作(zuo)過(guo)程中既(ji)要(yao)(yao)避免(mian) 過(guo)熱(re)(re)又要(yao)(yao)避免(mian)低于(yu)899℃的冷(leng)點出(chu)現,一旦出(chu)現表(biao)面裂紋(wen)或(huo)其(qi)他(ta)缺(que)(que)陷要(yao)(yao)即(ji)時(shi)去除(chu)。建議將熱(re)(re)作(zuo)工具(ju)和模(mo)具(ju)預熱(re)(re)到(dao)260℃,對消除(chu)部件表(biao)面裂紋(wen)和缺(que)(que)陷是有(you)益的。
3. 焊接
725合金最適宜的焊接方式是GTAW和GMAW,不推薦使用SAW和SMAW, 充填金屬應采用725NDUR,以確保焊件的強度。表8-113 為采用725NDUR焊絲堆焊1層在 5% NaCI +517kPa H2S +2758kPa CO2, 149℃ 環境下的慢速拉伸試驗數據。表中的數據為在腐蝕環境和空氣中采用相同慢速拉伸參數所獲得的數據 比,通常這個比值在0.90以上是可接受的。表8-114 為725NDUR焊縫金屬 (GMA)的室溫力學性能,表8-115 其沖擊性能。


表8-114 和 表8-115的數據(ju)說明,焊后高溫退火再經雙時效(xiao)處理可使其(qi)沖擊韌性(xing)明顯提(ti)高。
五、物理性能(neng)
(00Cr20Ni60Mo8Nb3Ti)Inconel 725 合金物理(li)性能(neng)分別見表8-116 ~表8-118。


六(liu)、應用
(00Cr20Ni60Mo8Nb3Ti)Inconel 725 合金集耐(nai)(nai)腐(fu)蝕性與高(gao)強(qiang)(qiang)度(du)于一身,它主(zhu)要應(ying)用于耐(nai)(nai)蝕環境的(de)高(gao)強(qiang)(qiang)度(du)部件(jian)(jian),在(zai)(zai)酸(suan)性氣井的(de)環境中它已用作懸掛件(jian)(jian)、偏心(xin)工作筒(tong),拋光座圈和(he)地(di)面接頭等(deng),用以抵抗硫化氫、氯(lv)化物和(he)二(er)氧化碳(tan)的(de)腐(fu)蝕。因725合金具有與625合金相當的(de)耐(nai)(nai)蝕性,它亦是在(zai)(zai)海(hai)水(shui)(shui)中高(gao)強(qiang)(qiang)度(du)緊(jin)固件(jian)(jian)的(de)優選材料,在(zai)(zai)海(hai)水(shui)(shui)中提供了良(liang)好的(de)耐(nai)(nai)點(dian)蝕、耐(nai)(nai)縫隙腐(fu)蝕性能。此外(wai),此合金特別(bie)適宜(yi)用做聚合物的(de)擠壓模,在(zai)(zai)要求高(gao)強(qiang)(qiang)度(du)的(de)強(qiang)(qiang)腐(fu)蝕環境服役(yi)條件(jian)(jian)下,它亦提供了高(gao)強(qiang)(qiang)度(du)和(he)耐(nai)(nai)蝕性的(de)雙重性能。
