球墨(mo)鑄鐵管件接(jie)口配套(tao)件型式與尺(chi)寸主要有以(yi)下(xia)幾種:
一、接(jie)口型式與尺寸(cun)
1. DN40~DN1200 T型(xing)接(jie)口球鐵(tie)管(guan)的(de)型(xing)式(shi)見(jian)(jian)圖6-2,公(gong)稱尺寸見(jian)(jian)表(biao)(biao)6-2;DN1400T型(xing)接(jie)口球鐵(tie)管(guan)的(de)型(xing)式(shi)見(jian)(jian)圖6-3,公(gong)稱尺寸見(jian)(jian)表(biao)(biao)6-2。




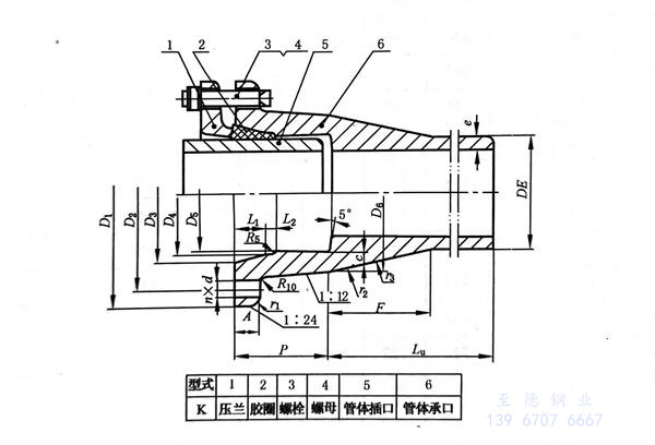
2. K 型接口球鐵管的型式見圖6-4,公稱尺寸(cun)見表6-3;



3. NⅡ 型(xing)接口球鐵管(guan)的型(xing)式見圖6-5,公(gong)稱(cheng)尺寸(cun)見表6-4;


4. S Ⅱ 型接口球鐵管(guan)的(de)型式見圖6-6,公(gong)稱尺寸見表(biao)6-5;

二、接口配套件型式與尺寸(cun)
1. 壓蘭
①. 壓蘭型式與尺寸(cun)
a. 適(shi)用于K型接口的壓蘭(lan)型式見(jian)圖6-7,尺寸見(jian)表6-6。

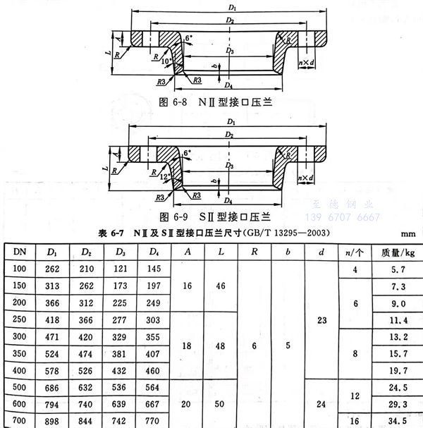
b. 適用于NⅡ及(ji)S Ⅱ型(xing)接口的壓(ya)蘭型(xing)式見圖6-8及(ji)圖6-9,尺寸(cun)見表6-7。

②. 尺寸允許偏差
壓蘭尺寸允(yun)許偏(pian)差(cha)見(jian)表 6-8;壓蘭的法蘭尺寸允(yun)許偏(pian)差(cha)見(jian)規(gui)定。

2. 螺栓及六角(jiao)螺母
適用(yong)于以球墨鑄(zhu)鐵為材料,經過鑄(zhu)造和機(ji)械加(jia)工成型的(de)柔性(xing)機(ji)械接口(kou)與(yu)管(guan)件(jian)用(yong)螺(luo)栓和六角螺(luo)母的(de)型式見(jian)(jian)圖(tu)6-10,尺寸見(jian)(jian)表(biao)6-9。

3. 密封件
a. T 型接口球(qiu)鐵管和管件(jian)用膠圈
T 型接口用膠圈的型式(shi)見圖6-11 和(he)圖6-12,尺(chi)寸見表(biao)6-10。


b. K 型接口用膠圈(quan)
K 型接口用膠圈的(de)型式見(jian)圖6-13 ,尺寸見(jian)表6-11。

c. NⅡ型接口用(yong)密封件式
膠圈的(de)型式(shi)見圖(tu)6-14 ,尺寸見表(biao)6-12。

支撐圈(quan)的型式(shi)見(jian)圖6-15 ,尺(chi)寸見(jian)表6-13。
d. SⅡ型接口用密封件式(shi)
密封(feng)圈的(de)型式見(jian)圖6-16 ,尺寸見(jian)表6-14。

隔(ge)離圈的型式見(jian)圖(tu)6-17 ,尺寸見(jian)表6-15。

鎖環的型式見圖6-18 ,尺寸(cun)見表6-16。

