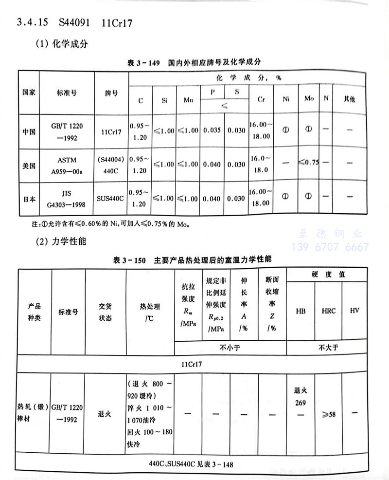
S44091 11Cr17 不銹鋼(gang)主要特性和(he)用途
碳含量高(gao)(0.95%~1.20%),是目前(qian)所有不銹鋼和耐(nai)熱鋼中最(zui)硬的鋼號,淬火(huo)(huo)并回火(huo)(huo)后的HRC≥58。
用于制(zhi)造噴嘴、軸(zhou)承等。


發布日期:2024-03-04 17:24:55 人氣(qi):625
S44091 11Cr17 不銹鋼(gang)主要特性和(he)用途
碳含量高(gao)(0.95%~1.20%),是目前(qian)所有不銹鋼和耐(nai)熱鋼中最(zui)硬的鋼號,淬火(huo)(huo)并回火(huo)(huo)后的HRC≥58。
用于制(zhi)造噴嘴、軸(zhou)承等。

