新中國成立后,我國不銹鋼焊(han)管工業才有了新生。為了盡快發展我國焊管工業體系,“一五期間”,國家先后從德國和蘇聯引進了三套直縫不銹鋼焊管機組和一套螺旋焊管機組,分別建設在北京、上海、天津和寶雞。這些機組的建設投產,拉開了我國焊管工業發展的序幕。
1. 我國(guo)不銹鋼焊管生產線產能情況
據不完全統計我國現有不銹鋼焊管生產線約3000條(僅含個別典型不銹鋼鋼管生產線),詳見表7-1,總產能約有7000萬噸,詳見表7-2。直縫埋弧焊接鋼管生產線36條(包括UOE、JCOE、JCO),產能約723萬噸;Φ426mm、方400mm×400mm及以上大口徑高頻直縫不銹鋼焊管(ERW/HFW)生產線32條,產能約691萬噸;ф219~406mm 高頻直縫焊接鋼管(ERW/HFW)生產線約80條,產能約1000萬噸;φ102~180mm 高頻直縫焊接鋼管(ERW/HFW)生產線約420條,產能約2000萬噸;小于φ89mm高頻直縫焊接鋼管(ERW/HFW)生產線約2000多條,產能約1600萬噸;螺旋埋弧焊接鋼管生產線約400條(含預精焊生產線9條),產能約1000萬噸。


2. 我國不銹鋼焊管生(sheng)產(chan)線產(chan)能(neng)按區(qu)域分布情(qing)況
根據估算統計,我國焊(han)(han)管(guan)(guan)(guan)(guan)生(sheng)產(chan)(chan)線約(yue)(yue)3000條,其中(zhong)華北(bei)地(di)(di)區(qu)焊(han)(han)管(guan)(guan)(guan)(guan)生(sheng)產(chan)(chan)線約(yue)(yue)1550條,產(chan)(chan)能約(yue)(yue)2878萬(wan)噸,占(zhan)(zhan)比約(yue)(yue)60%;華東地(di)(di)區(qu)焊(han)(han)管(guan)(guan)(guan)(guan)生(sheng)產(chan)(chan)線約(yue)(yue)570條,產(chan)(chan)能約(yue)(yue)910萬(wan)噸,占(zhan)(zhan)比19%,兩個(ge)地(di)(di)區(qu)合起來約(yue)(yue)占(zhan)(zhan)焊(han)(han)管(guan)(guan)(guan)(guan)總產(chan)(chan)能的(de)(de)79%。上(shang)述兩個(ge)區(qu)域生(sheng)產(chan)(chan)線較高的(de)(de)原因(yin),一是(shi)(shi)(shi)天津(jin)的(de)(de)大(da)邱莊,歷史上(shang)就是(shi)(shi)(shi)我國北(bei)方(fang)地(di)(di)區(qu)焊(han)(han)管(guan)(guan)(guan)(guan)的(de)(de)發源地(di)(di),現在是(shi)(shi)(shi)我國焊(han)(han)管(guan)(guan)(guan)(guan)最大(da)的(de)(de)生(sheng)產(chan)(chan)基地(di)(di);二是(shi)(shi)(shi)河北(bei)的(de)(de)滄(cang)州地(di)(di)區(qu),不(bu)僅焊(han)(han)管(guan)(guan)(guan)(guan)生(sheng)產(chan)(chan)線數量多而且(qie)管(guan)(guan)(guan)(guan)件(彎頭(tou)、三通、法蘭等)也(ye)是(shi)(shi)(shi)我國最大(da)的(de)(de)制造基地(di)(di);三是(shi)(shi)(shi)霸州勝(sheng)芳鎮(zhen),是(shi)(shi)(shi)北(bei)方(fang)小(xiao)口徑焊(han)(han)管(guan)(guan)(guan)(guan)和方(fang)矩形管(guan)(guan)(guan)(guan)生(sheng)產(chan)(chan)的(de)(de)集聚地(di)(di);四是(shi)(shi)(shi)無(wu)錫錢橋鎮(zhen)也(ye)是(shi)(shi)(shi)小(xiao)口徑焊(han)(han)管(guan)(guan)(guan)(guan)和方(fang)矩形管(guan)(guan)(guan)(guan)生(sheng)產(chan)(chan)線集中(zhong)地(di)(di)區(qu)。

3. 我國(guo)主要不(bu)銹鋼(gang)焊管生產線和(he)產能分布情況
a. 直縫埋弧不銹鋼焊管生產線和產能分布情況如表
我(wo)國直縫埋(mai)弧焊接(jie)鋼管(guan)(guan)生(sheng)產線(xian)共(gong)有36條,產能(neng)合計723萬噸,生(sheng)產線(xian)主要分(fen)布在華東和(he)華北地區,上述(shu)兩(liang)個地區產能(neng)分(fen)別為378萬噸和(he)195萬噸,占我(wo)國直縫埋(mai)弧焊接(jie)鋼管(guan)(guan)產能(neng)的(de)52.0%和(he)27.0%。


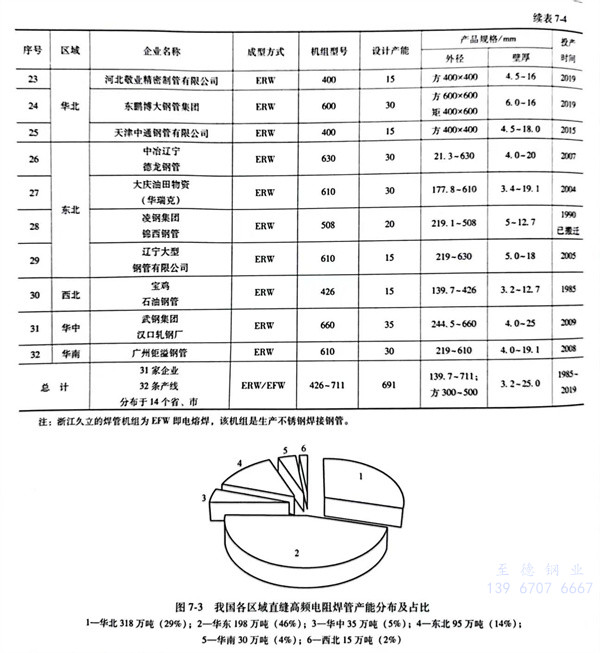
b. Φ426mm及以(yi)上大口徑直(zhi)縫高頻(pin)電阻焊(han)管(guan)生產(chan)線和產(chan)能分(fen)布如表7-4所示。


我國(guo)(Φ426mm及以上)ERW/HFW直縫高頻電阻焊管(guan)生產線總計32條(tiao),產能691萬(wan)(wan)噸,生產線主要(yao)分布在華(hua)東和華(hua)北地(di)(di)區(qu)。其中(zhong)華(hua)東地(di)(di)區(qu)有11條(tiao),產能198萬(wan)(wan)噸,占比(bi)28.7%;華(hua)北地(di)(di)區(qu)有14條(tiao),產能318萬(wan)(wan)噸,占比(bi)46%。這兩個地(di)(di)區(qu)合計產能516萬(wan)(wan)噸,占比(bi)74.7%。而我國(guo)西南(nan)地(di)(di)區(qu)該類生產線處于(yu)空白。



