引進型600MW 機組及300MW 機組用管件(jian)包括火電廠鍛制、焊制三通及熱壓三通兩種尺寸。
a. 引進型600MW機組鍛制、焊制三通(tong)結構型式見(jian)圖13-5,尺(chi)(chi)寸(cun)見(jian)表13-10;引進型300MW 機組鍛制、焊制三通(tong)結構型式見(jian)圖13-5,尺(chi)(chi)寸(cun)見(jian)表13-11;



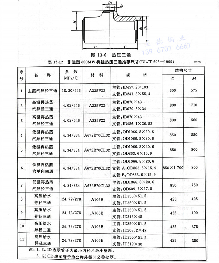
b. 引(yin)進(jin)型600MW 機組熱壓(ya)三通結構型式見(jian)圖13-6,尺寸(cun)見(jian)表(biao)(biao)13-12;引(yin)進(jin)型300MW機組熱壓(ya)三通結構型式見(jian)圖13-6,尺寸(cun)見(jian)表(biao)(biao)13-13。




