化工鋼制無縫不銹鋼對焊管件結構型式與尺寸見下表
一、管(guan)件
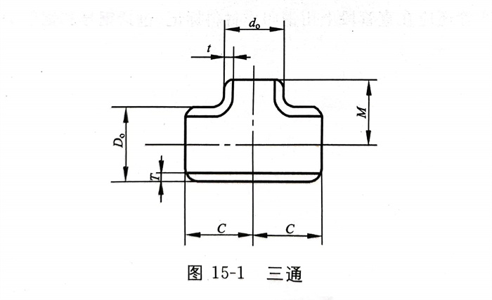
1. 三通(tong)
三(san)通(tong)型(xing)式見圖15-1,公制三(san)通(tong)尺寸見表(biao)15-1;英制三(san)通(tong)尺寸見表(biao)15-2。
a. 短(duan)半徑彎(wan)頭
短半(ban)徑(jing)彎頭(tou)型式見圖(tu)15-2,公制三通尺寸(cun)見表(biao)15-3;英(ying)制三通尺寸(cun)見表(biao)15-4。
b. 長半徑(jing)彎頭
長半徑彎頭型式見圖15-3,公制三通尺寸(cun)(cun)見表15-5;英(ying)制三通尺寸(cun)(cun)見表15-6。










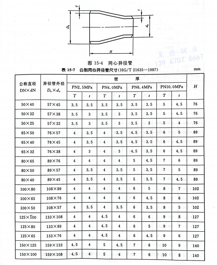
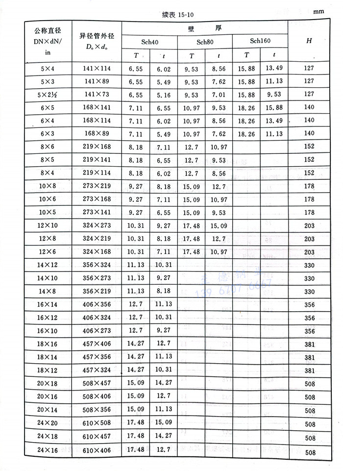
3. 同心(xin)異徑管
同心異徑管型式見圖15-4,公制三通尺(chi)寸見表(biao)15-7;英制三通尺(chi)寸見表(biao)15-8。




4. 偏心異徑管(guan)
偏心異徑管型式見圖15-5,公制三通尺(chi)寸見表(biao)15-9;英(ying)制三通尺(chi)寸見表(biao)15-10。




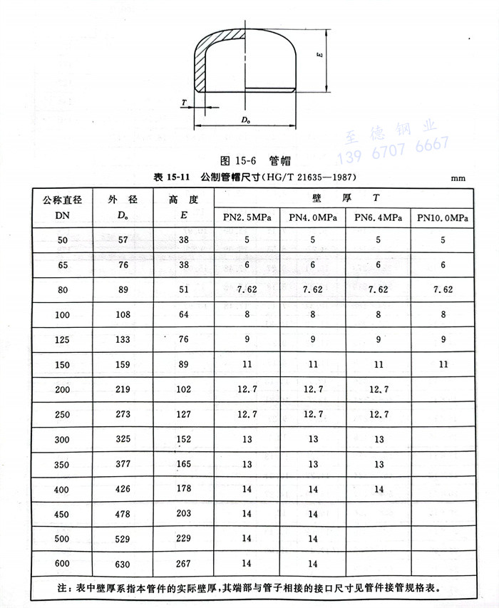
二、管帽(mao)
管帽型式(shi)見圖15-6,公(gong)制三通尺寸(cun)見表(biao)15-11;英制三通尺寸(cun)見表(biao)15-12。



三、管件接(jie)管規格尺寸
公制管件接(jie)管規格(ge)尺寸(cun)見表 15-13
英制管件接(jie)管規格尺寸見表 15-14
四、公差
成型管件主(zhu)要尺寸(cun)偏差見圖 15-7 及表 15-15.


