①. 再沸器的位置和安裝(zhuang)高度應滿足工藝(yi)要(yao)求(qiu)。
②. 明火加熱的(de)再沸器與塔(ta)和其他設(she)備的(de)防火間距應符合防火規范要求(qiu)。
③. 用蒸汽或(huo)熱載體加(jia)熱的臥式再沸器(qi)(qi)應(ying)靠(kao)近塔布(bu)置(zhi),二者之間(jian)的距(ju)離應(ying)滿足管道(dao)布(bu)置(zhi)的要求,再沸器(qi)(qi)的一端(duan)應(ying)有管束抽(chou)出的空間(jian)。
④. 立式(shi)再沸器可(ke)利用塔體支撐,并布置在塔側(ce),與塔的高(gao)差應滿足(zu)工藝的要求,其上方和下方應有檢修的空間(jian)。也可(ke)布置在框架上。見圖(tu)7.31(a)、(b)。再沸器的布置需考(kao)慮抽芯空間(jian),如(ru)圖(tu)7.31(c)、(d)所(suo)示。

⑤. 一座塔需(xu)要多臺并聯的立式再(zai)沸(fei)器時(shi),再(zai)沸(fei)器的位置(zhi)和安裝(zhuang)高度,除保證工藝要求外,尚應滿(man)足管道布置(zhi)的要求,并便于操(cao)作(zuo)和檢(jian)修。
⑥. 釜式(shi)再(zai)沸器的(de)配管設計圖完成后,要由(you)工(gong)藝設計人校(xiao)對配管的(de)壓(ya)力損失及(ji)再(zai)次(ci)確(que)認塔與再(zai)沸器的(de)相(xiang)對高度。
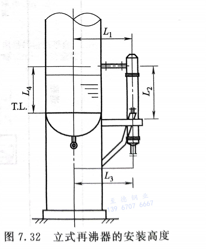
⑦. 立式再(zai)沸器的安裝高度(du)(圖7.32)
a.立式再沸器的安裝高度需滿足工藝專業條件。
b.為了盡量減(jian)(jian)少(shao)壓(ya)降和有效利(li)用空(kong)間,再(zai)(zai)沸(fei)器的(de)(de)(de)汽相(xiang)出口(kou)管(guan)口(kou)與塔的(de)(de)(de)入口(kou)管(guan)口(kou)基本上直接(jie)相(xiang)連來。由于(yu)再(zai)(zai)沸(fei)器的(de)(de)(de)支撐方法會產生(sheng)較大(da)的(de)(de)(de)熱應力(li)(li),可以采(cai)取以下減(jian)(jian)少(shao)熱應力(li)(li)的(de)(de)(de)措(cuo)施(shi):采(cai)用在(zai)L2與L4之間盡量不產生(sheng)膨脹差的(de)(de)(de)支撐立式再(zai)(zai)沸(fei)器的(de)(de)(de)方法;由于(yu)L3的(de)(de)(de)伸長(chang)而影(ying)響再(zai)(zai)沸(fei)器出口(kou)管(guan)口(kou)及塔的(de)(de)(de)入口(kou)管(guan)口(kou),可將再(zai)(zai)沸(fei)器的(de)(de)(de)安裝螺栓孔(kong)做(zuo)成長(chang)圓孔(kong)來減(jian)(jian)少(shao)影(ying)響;由于(yu)L1、L3間的(de)(de)(de)膨脹差,在(zai)底部采(cai)用彎(wan)曲管(guan)道減(jian)(jian)少(shao)熱應力(li)(li)。


