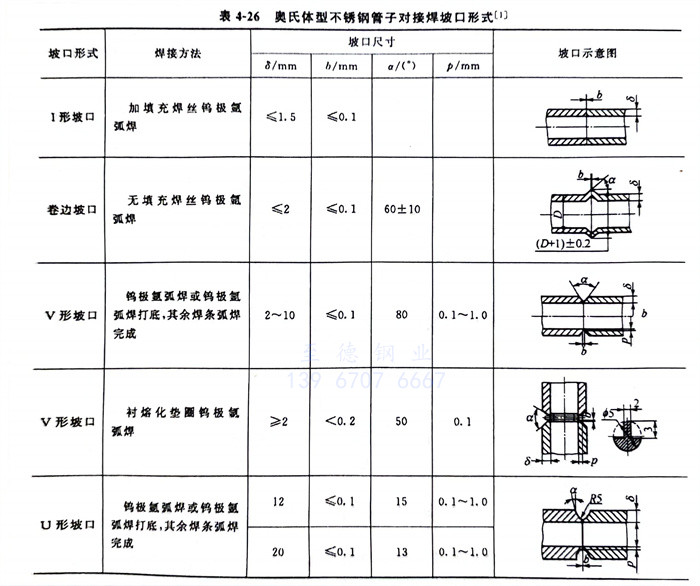
1. 坡(po)口形式(shi)
由于受許用焊接電流的限制,這種焊接方法主要用于薄板的單層焊和中厚板多層焊的封底焊道,也可用于中厚板的焊接。在保證焊透的情況下,對接焊縫應力求縮小焊縫截面積,減少熔敷金屬并考慮操作方便,常用的坡口形式有V形、U形、雙面V形及V-U組合形等。奧氏體型不銹鋼管子對接焊坡口形式見表4-26。
表4-26奧氏體型不(bu)銹鋼管子對接焊坡口形(xing)式

各種(zhong)接(jie)(jie)(jie)(jie)(jie)頭(tou)中T形接(jie)(jie)(jie)(jie)(jie)頭(tou)、對接(jie)(jie)(jie)(jie)(jie)接(jie)(jie)(jie)(jie)(jie)頭(tou)的保護效果(guo)較(jiao)好,而(er)角接(jie)(jie)(jie)(jie)(jie)接(jie)(jie)(jie)(jie)(jie)頭(tou)、端(duan)接(jie)(jie)(jie)(jie)(jie)接(jie)(jie)(jie)(jie)(jie)頭(tou)因氣體流量分散(san)性較(jiao)大,保護效果(guo)較(jiao)差,如圖4-35所示。

2. 焊前清理
焊(han)接區及填充焊(han)絲均應(ying)進行嚴(yan)格清理(li),清除氧(yang)化(hua)膜(mo)、油污、臟(zang)物和水(shui)分等污物。
3. 焊接參數
a. 焊接(jie)電流
根據焊(han)(han)件厚度、接(jie)(jie)頭(tou)形(xing)式、焊(han)(han)接(jie)(jie)位置等因素來選用(yong)焊(han)(han)接(jie)(jie)電(dian)流(liu)(liu),除此還(huan)要考慮鎢極所(suo)承(cheng)受電(dian)流(liu)(liu)的能力(li)。焊(han)(han)接(jie)(jie)電(dian)流(liu)(liu)過大,容易產生(sheng)燒穿或使焊(han)(han)縫下陷和咬(yao)邊等缺(que)(que)陷,嚴重時(shi)還(huan)會引起鎢極燒損(sun)或產生(sheng)夾鎢等缺(que)(que)陷。焊(han)(han)接(jie)(jie)電(dian)流(liu)(liu)過小(xiao),電(dian)弧燃燒不穩定(ding),會造成未(wei)焊(han)(han)透(tou)等缺(que)(que)欠。
b. 電(dian)(dian)弧(hu)電(dian)(dian)壓
主要取決(jue)于焊(han)接過程中(zhong)電(dian)弧(hu)(hu)的長(chang)度,電(dian)弧(hu)(hu)拉長(chang)、電(dian)弧(hu)(hu)電(dian)壓增大(da),熔(rong)寬增寬,熔(rong)深變淺。當電(dian)弧(hu)(hu)電(dian)壓過高時,會導致(zhi)焊(han)接電(dian)弧(hu)(hu)不穩,易產生(sheng)未焊(han)透、未熔(rong)合和熔(rong)池保(bao)護(hu)不佳等(deng)缺(que)陷。應在保(bao)證電(dian)弧(hu)(hu)不短路的情況下(xia),盡量減少弧(hu)(hu)長(chang),電(dian)弧(hu)(hu)電(dian)壓一般(ban)控制在9~20V范圍內,最常用的電(dian)弧(hu)(hu)電(dian)壓為9~14V。
c. 焊接速(su)度
為(wei)了(le)不破壞氣流(liu)對(dui)熔池(chi)的保(bao)護(hu)作用,焊(han)(han)接速(su)度(du)(du)一般不宜過快。在保(bao)證焊(han)(han)縫金(jin)屬和母材金(jin)屬不被氧化的前(qian)提(ti)(ti)下,為(wei)了(le)提(ti)(ti)高生產效率,盡(jin)可(ke)能提(ti)(ti)高焊(han)(han)接速(su)度(du)(du)。提(ti)(ti)高焊(han)(han)接速(su)度(du)(du),焊(han)(han)接接頭(tou)在450~850℃危險溫度(du)(du)停留時(shi)間會(hui)相對(dui)減少,有利于提(ti)(ti)高焊(han)(han)接接頭(tou)的耐腐蝕性能。
d. 焊絲(si)
同一牌號的奧氏體不銹鋼焊接,焊絲的選擇見表4-27,不同牌號的奧氏體不銹鋼焊接,焊絲的選擇見表4-28。不銹鋼藥芯焊絲的選用見表2-28~表2-31。
我國的不銹鋼藥(yao)芯(xin)(xin)焊(han)(han)絲(si)與(yu)AWS A5.22-1995《耐腐(fu)蝕鉻及(ji)鉻鎳鋼用藥(yao)芯(xin)(xin)焊(han)(han)絲(si)》及(ji)其他國家不銹鋼藥(yao)芯(xin)(xin)焊(han)(han)絲(si)的對應(ying)關系(xi),見表(biao)2-64。

e. 氬(ya)氣純度與流量
氬氣(qi)(qi)(qi)純度不低(di)于99.9%(體積分數(shu)),氬氣(qi)(qi)(qi)純度愈高,保護(hu)效(xiao)果愈好。氣(qi)(qi)(qi)體流(liu)量(liang)過低(di),氣(qi)(qi)(qi)體挺度不足,排除周圍空氣(qi)(qi)(qi)的能(neng)力減弱,造成(cheng)熔池保護(hu)效(xiao)果不佳(jia);氣(qi)(qi)(qi)體流(liu)量(liang)過大(da),容(rong)易(yi)將熔池周圍的空氣(qi)(qi)(qi)卷入熔池,形成(cheng)氣(qi)(qi)(qi)體紊(wen)流(liu),降低(di)保護(hu)效(xiao)果。氬氣(qi)(qi)(qi)流(liu)量(liang)與噴嘴直徑大(da)小有關,見式(4-6)。

氬氣(qi)流(liu)(liu)量不僅(jin)與(yu)噴嘴直徑有(you)關,還與(yu)焊接電流(liu)(liu)大(da)小有(you)關,它們之間的(de)參數選擇見表4-29。

f. 電極(ji)極(ji)性
為了減少(shao)鎢極(ji)燒(shao)損,延長鎢極(ji)壽(shou)命,一般采用(yong)直流(liu)電源正接(工件(jian)(jian)接電源正極(ji),鎢極(ji)接電源負極(ji)。直流(liu)正接在工藝文(wen)(wen)件(jian)(jian)上用(yong)符號DC或(huo)DCSP表示,DC是英(ying)文(wen)(wen)di-rect current 的縮寫;DCSP 是英(ying)文(wen)(wen) direct current straight polarity的縮寫),也可以用(yong)交(jiao)流(liu)鎢極(ji)氬弧焊(han)機焊(han)接奧(ao)氏(shi)體型不銹鋼。
g. 鎢極
鎢(wu)(wu)極(ji)(ji)(ji)有純鎢(wu)(wu)極(ji)(ji)(ji)、釷鎢(wu)(wu)極(ji)(ji)(ji)和(he)鈰鎢(wu)(wu)極(ji)(ji)(ji)3種,其中鈰鎢(wu)(wu)極(ji)(ji)(ji)(活化鎢(wu)(wu)極(ji)(ji)(ji))比純鎢(wu)(wu)極(ji)(ji)(ji)的(de)工藝性好得多,且(qie)對人體損(sun)(sun)害小,推薦首選使(shi)用(yong)。鎢(wu)(wu)極(ji)(ji)(ji)直徑與相應焊接(jie)(jie)電源和(he)極(ji)(ji)(ji)性條件下的(de)焊接(jie)(jie)電流允(yun)許(xu)值,參見(jian)表(biao)4-30、表(biao)4-31。施(shi)(shi)焊前,要將鎢(wu)(wu)極(ji)(ji)(ji)端(duan)(duan)部磨(mo)成一定形(xing)(xing)(xing)狀(zhuang),通常(chang)有尖(jian)頭(tou)和(he)平頭(tou)等形(xing)(xing)(xing)狀(zhuang)。采用(yong)較小的(de)焊接(jie)(jie)電流施(shi)(shi)焊時(shi),要選用(yong)小直徑的(de)鎢(wu)(wu)棒,端(duan)(duan)頭(tou)磨(mo)成尖(jian)頭(tou)形(xing)(xing)(xing)狀(zhuang),錐頂(ding)角度約30°,如圖4-36(a)所示(shi)。當采用(yong)大的(de)焊接(jie)(jie)電流施(shi)(shi)焊時(shi),鎢(wu)(wu)極(ji)(ji)(ji)應磨(mo)成帶有平頂(ding)的(de)錐形(xing)(xing)(xing)形(xing)(xing)(xing)狀(zhuang),如圖4-36(b)所示(shi)。平頂(ding)錐形(xing)(xing)(xing)的(de)端(duan)(duan)頭(tou)可避免尖(jian)端(duan)(duan)過(guo)熱熔(rong)化,減少鎢(wu)(wu)極(ji)(ji)(ji)端(duan)(duan)部損(sun)(sun)耗,同時(shi)還有利(li)于防止(zhi)陰極(ji)(ji)(ji)斑點(dian)的(de)游動(dong),從而穩定電弧。鎢(wu)(wu)極(ji)(ji)(ji)端(duan)(duan)頭(tou)愈尖(jian)愈易燒(shao)損(sun)(sun),燒(shao)損(sun)(sun)后將導致電弧電壓增高,直接(jie)(jie)影響(xiang)熔(rong)池保護效果(guo),也會使(shi)焊縫氧化,甚(shen)至產生焊縫寬(kuan)度不均的(de)缺陷。



h. 鎢極(ji)伸出長度(du)
鎢(wu)極(ji)伸出長度指鎢(wu)極(ji)超(chao)出噴(pen)嘴端面的長度。鎢(wu)極(ji)伸出的短,可以(yi)使噴(pen)嘴與(yu)焊(han)件相對靠近(jin),氣體保(bao)護效(xiao)果好,通常(chang)鎢(wu)極(ji)伸出長度為2~8mm。
i. 噴(pen)嘴(nozzle)
常用(yong)鎢極(ji)(ji)氬弧(hu)焊(han)(han)用(yong)噴(pen)(pen)(pen)(pen)嘴(zui)(zui)(zui)(zui)結構如圖4-37所(suo)示,D端(duan)與(yu)焊(han)(han)槍連(lian)接(jie)段為長10~12mm的圓柱體(ti)(ti);小(xiao)圓柱的末(mo)端(duan)部分(fen)的長度(du)L不(bu)(bu)應(ying)小(xiao)于噴(pen)(pen)(pen)(pen)嘴(zui)(zui)(zui)(zui)孔徑,其長度(du)以(yi)(yi)1.2~1.5倍(bei)噴(pen)(pen)(pen)(pen)嘴(zui)(zui)(zui)(zui)孔內徑(d)為宜(yi)。噴(pen)(pen)(pen)(pen)嘴(zui)(zui)(zui)(zui)的錐(zhui)形部分(fen)有(you)緩(huan)沖氣(qi)(qi)(qi)流(liu)的作(zuo)用(yong),可(ke)改善保(bao)(bao)護效果(guo)(guo)。為了(le)提(ti)高氣(qi)(qi)(qi)體(ti)(ti)保(bao)(bao)護效果(guo)(guo),噴(pen)(pen)(pen)(pen)嘴(zui)(zui)(zui)(zui)的內壁應(ying)光滑、不(bu)(bu)允(yun)許有(you)棱角、凹槽(cao),不(bu)(bu)得沾(zhan)上飛濺(jian)物。為了(le)使氬氣(qi)(qi)(qi)從(cong)噴(pen)(pen)(pen)(pen)嘴(zui)(zui)(zui)(zui)噴(pen)(pen)(pen)(pen)出(chu)時成(cheng)為穩(wen)定(ding)的層流(liu),提(ti)高氣(qi)(qi)(qi)體(ti)(ti)保(bao)(bao)護效果(guo)(guo),焊(han)(han)槍應(ying)有(you)氣(qi)(qi)(qi)體(ti)(ti)透鏡(類(lei)似穩(wen)定(ding)裝置)、多孔性擋板(ban)(可(ke)用(yong)1~2層銅絲網組成(cheng),網目數(shu)不(bu)(bu)得少于600~700孔/c㎡)及緩(huan)沖室(shi)。氣(qi)(qi)(qi)體(ti)(ti)流(liu)量不(bu)(bu)變,增大噴(pen)(pen)(pen)(pen)嘴(zui)(zui)(zui)(zui)內徑時,氣(qi)(qi)(qi)體(ti)(ti)挺(ting)度(du)下降,對熔池保(bao)(bao)護減(jian)弱(ruo);氣(qi)(qi)(qi)體(ti)(ti)流(liu)量不(bu)(bu)變,噴(pen)(pen)(pen)(pen)嘴(zui)(zui)(zui)(zui)內徑變小(xiao)時,氣(qi)(qi)(qi)體(ti)(ti)的流(liu)速增加(jia)過多,可(ke)造成(cheng)氣(qi)(qi)(qi)體(ti)(ti)紊流(liu),也(ye)會造成(cheng)保(bao)(bao)護效果(guo)(guo)不(bu)(bu)好。實踐證明,在手工鎢極(ji)(ji)氬弧(hu)焊(han)(han)時,噴(pen)(pen)(pen)(pen)嘴(zui)(zui)(zui)(zui)內徑在8~20mm 范(fan)圍內,氣(qi)(qi)(qi)體(ti)(ti)流(liu)量以(yi)(yi)10~25L/min為宜(yi)。當噴(pen)(pen)(pen)(pen)嘴(zui)(zui)(zui)(zui)和氣(qi)(qi)(qi)體(ti)(ti)流(liu)量一(yi)定(ding)時,噴(pen)(pen)(pen)(pen)嘴(zui)(zui)(zui)(zui)至焊(han)(han)件(jian)(jian)之間的距(ju)離(li)愈短(duan),則保(bao)(bao)護效果(guo)(guo)愈好,但過小(xiao)會影響焊(han)(han)工的視線和引起鎢極(ji)(ji)與(yu)焊(han)(han)件(jian)(jian)短(duan)路。對于噴(pen)(pen)(pen)(pen)嘴(zui)(zui)(zui)(zui)內徑為8~20mm的噴(pen)(pen)(pen)(pen)嘴(zui)(zui)(zui)(zui),距(ju)離(li)焊(han)(han)件(jian)(jian)一(yi)般不(bu)(bu)超(chao)過15mm。

j. 焊接電流、噴嘴直徑和保護(hu)氣體(ti)流量對(dui)應關系(xi)
焊接電(dian)流、噴嘴直徑和保(bao)護氣體流量對應關系見表4-29。
k. 冷(leng)卻水流量(liang)
焊(han)槍(qiang)(qiang)額(e)定電流大于160A時,焊(han)接前焊(han)槍(qiang)(qiang)須通(tong)冷卻水(shui),焊(han)接完成須滯(zhi)后停(ting)止冷卻水(shui)。冷卻水(shui)流量(liang)不得小于1L/min,否則焊(han)機(ji)無(wu)法啟動或易燒毀焊(han)槍(qiang)(qiang)。
4. 提高(gao)氣體保(bao)護(hu)效果的(de)措施
為(wei)了使焊接接頭正面和背面得到(dao)可靠保(bao)護(hu),可采(cai)用(yong)圖(tu)(tu)4-38~圖(tu)(tu)4-40所(suo)示的工藝裝備(bei)來(lai)提高保(bao)護(hu)效果。


5. 操作技(ji)術
裝配定(ding)(ding)位焊(han)(han)(han)(han)(han)(han),應采用(yong)與正式焊(han)(han)(han)(han)(han)(han)接相同的(de)(de)(de)焊(han)(han)(han)(han)(han)(han)絲和工藝(yi),定(ding)(ding)位焊(han)(han)(han)(han)(han)(han)縫(feng)的(de)(de)(de)長度(du)距離應根據焊(han)(han)(han)(han)(han)(han)件厚(hou)度(du)與結構(gou)剛度(du)而定(ding)(ding)。一(yi)般每(mei)段定(ding)(ding)位焊(han)(han)(han)(han)(han)(han)縫(feng)長度(du)為5~15mm,焊(han)(han)(han)(han)(han)(han)縫(feng)厚(hou)度(du)不大(da)于2mm。例如直徑φ60mm以下的(de)(de)(de)不銹鋼(gang)管子,用(yong)定(ding)(ding)位焊(han)(han)(han)(han)(han)(han)點固(gu)定(ding)(ding)2~3處,定(ding)(ding)位焊(han)(han)(han)(han)(han)(han)縫(feng)長度(du)約5mm。直徑159mm的(de)(de)(de)不銹鋼(gang)管子,用(yong)定(ding)(ding)位焊(han)(han)(han)(han)(han)(han)點固(gu)定(ding)(ding)4處,定(ding)(ding)位焊(han)(han)(han)(han)(han)(han)縫(feng)長度(du)約10mm。定(ding)(ding)位焊(han)(han)(han)(han)(han)(han)縫(feng)須保(bao)證質量,不允許存在焊(han)(han)(han)(han)(han)(han)接缺陷。對接焊(han)(han)(han)(han)(han)(han)時,焊(han)(han)(han)(han)(han)(han)槍與焊(han)(han)(han)(han)(han)(han)件之(zhi)間保(bao)持(chi)后(hou)傾(qing),鎢極與焊(han)(han)(han)(han)(han)(han)件之(zhi)間傾(qing)角(jiao)為75°~80°,填充(chong)焊(han)(han)(han)(han)(han)(han)絲與焊(han)(han)(han)(han)(han)(han)件傾(qing)角(jiao)為75°~15°,希望填充(chong)焊(han)(han)(han)(han)(han)(han)絲與焊(han)(han)(han)(han)(han)(han)件傾(qing)角(jiao)越(yue)小(xiao)越(yue)好,過大(da)則容易擾亂氣體保(bao)護(hu);角(jiao)接焊(han)(han)(han)(han)(han)(han)時,除了對接焊(han)(han)(han)(han)(han)(han)的(de)(de)(de)要求外,還要求與板之(zhi)間的(de)(de)(de)相對位置(zhi)。
填充焊(han)(han)(han)(han)絲(si)時動作要緩、穩(wen),不要破壞氬氣對熔池(chi)(chi)的(de)保護(hu)。不能像氣焊(han)(han)(han)(han)那(nei)樣在(zai)熔池(chi)(chi)中(zhong)攪拌,應(ying)一(yi)(yi)滴(di)一(yi)(yi)滴(di)地緩慢送(song)入熔池(chi)(chi),或者將焊(han)(han)(han)(han)絲(si)端(duan)頭浸入熔池(chi)(chi)中(zhong)不斷填入,并向(xiang)前移動,焊(han)(han)(han)(han)絲(si)端(duan)頭不能脫離氣體保護(hu)區。要防止焊(han)(han)(han)(han)絲(si)與鎢(wu)極接觸、碰撞,否則加(jia)劇鎢(wu)極燒損(sun),而引起焊(han)(han)(han)(han)縫夾鎢(wu)。焊(han)(han)(han)(han)接收弧(hu)時、應(ying)減慢焊(han)(han)(han)(han)接速度(du)、增(zeng)加(jia)焊(han)(han)(han)(han)絲(si)填充量(liang)。焊(han)(han)(han)(han)接薄板時,為了防止變形可采用銅襯(chen)墊,并將焊(han)(han)(han)(han)件壓貼于襯(chen)墊上(shang),以利于散熱(re)。在(zai)銅墊板上(shang)加(jia)工出(chu)凹(ao)槽(cao),凹(ao)槽(cao)對準(zhun)焊(han)(han)(han)(han)縫以便背面(mian)充氬氣保護(hu),見(jian)圖(tu)4-39、圖(tu)4-40。電弧(hu)熄(xi)滅后,焊(han)(han)(han)(han)槍噴嘴仍須對準(zhun)熔池(chi)(chi),以延長(chang)氬氣保護(hu)效(xiao)果。
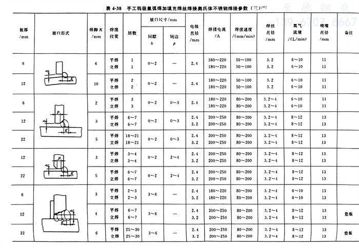
實踐證明,從焊接(jie)接(jie)頭的顏色(se),也可以判斷焊接(jie)區的保護效(xiao)果,詳見表4-32。
機械操作不(bu)加填(tian)充焊(han)(han)絲(si)的(de)(de)鎢極(ji)氬(ya)(ya)弧焊(han)(han)焊(han)(han)接(jie)工藝參數,見(jian)表(biao)(biao)4-33;機械操作加填(tian)充焊(han)(han)絲(si)的(de)(de)鎢極(ji)氬(ya)(ya)弧焊(han)(han)焊(han)(han)接(jie)工藝參數,見(jian)表(biao)(biao)4-34;鎢極(ji)氬(ya)(ya)弧焊(han)(han)加填(tian)充焊(han)(han)絲(si)焊(han)(han)接(jie)薄板奧氏體(ti)不(bu)銹(xiu)鋼焊(han)(han)接(jie)參數,見(jian)表(biao)(biao)4-35;手工鎢極(ji)氬(ya)(ya)弧焊(han)(han)加填(tian)充焊(han)(han)絲(si)的(de)(de)焊(han)(han)接(jie)參數,見(jian)表(biao)(biao)4-36~表(biao)(biao)4-38,奧氏體(ti)不(bu)銹(xiu)鋼管鎢極(ji)氬(ya)(ya)弧焊(han)(han)焊(han)(han)接(jie)參數,見(jian)表(biao)(biao)4-39。







