要提高不銹鋼的耐腐蝕性,首先要注意的是不銹鋼(gang)的化學成分和組織,這是引起電化學腐蝕的內在原因,而腐蝕介質、溫度等是外因;尤其是鋼的化學成分,決定著電極電位差的大小和腐蝕電流的大小。
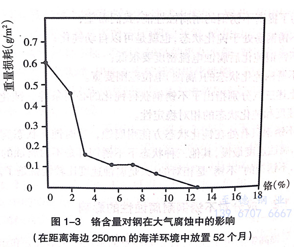
鉻(ge)是不(bu)銹(xiu)鋼(gang)都(dou)含(han)(han)(han)有(you)(you)的(de)(de)(de)(de)元(yuan)素(su),鉻(ge)是鐵素(su)體形(xing)成元(yuan)素(su)。鉻(ge)的(de)(de)(de)(de)主要作用是耐腐(fu)蝕。從圖1-3中(zhong)(zhong)可以(yi)看出(chu)在鋼(gang)中(zhong)(zhong)添加鉻(ge)對腐(fu)蝕性(xing)的(de)(de)(de)(de)影響。當(dang)金(jin)屬中(zhong)(zhong)鉻(ge)含(han)(han)(han)量達(da)到(dao)12%時,在大氣環境(jing)下或在氧化(hua)(hua)性(xing)介(jie)質中(zhong)(zhong)鉻(ge)可以(yi)自發(fa)形(xing)成一種穩(wen)定的(de)(de)(de)(de)、透(tou)明的(de)(de)(de)(de)、極薄的(de)(de)(de)(de)鈍化(hua)(hua)膜(mo)(mo)(mo)來阻止(zhi)腐(fu)蝕,使(shi)金(jin)屬基本(ben)上不(bu)會生銹(xiu)。較(jiao)高(gao)(gao)的(de)(de)(de)(de)合金(jin)含(han)(han)(han)量可通(tong)過強化(hua)(hua)薄膜(mo)(mo)(mo)和快速自我修復(fu)薄膜(mo)(mo)(mo)來提高(gao)(gao)抗(kang)腐(fu)蝕性(xing)。不(bu)銹(xiu)鋼(gang)的(de)(de)(de)(de)鉻(ge)含(han)(han)(han)量上限(xian)為30%.在氧化(hua)(hua)膜(mo)(mo)(mo)中(zhong)(zhong),鉻(ge)與鐵的(de)(de)(de)(de)比例可以(yi)有(you)(you)很(hen)大的(de)(de)(de)(de)變(bian)動(dong),鉻(ge)最高(gao)(gao)可達(da)到(dao)鐵的(de)(de)(de)(de)9倍。這種富鉻(ge)的(de)(de)(de)(de)氧化(hua)(hua)膜(mo)(mo)(mo)具有(you)(you)尖晶石(shi)點陣,在許多介(jie)質中(zhong)(zhong)都(dou)有(you)(you)很(hen)高(gao)(gao)的(de)(de)(de)(de)穩(wen)定性(xing)。當(dang)鋼(gang)中(zhong)(zhong)鉻(ge)含(han)(han)(han)量低于10%時,鈍化(hua)(hua)膜(mo)(mo)(mo)中(zhong)(zhong)不(bu)存在鉻(ge)的(de)(de)(de)(de)氧化(hua)(hua)物(wu)。

不銹鋼所以耐腐蝕,主要是由于其表面有厚10埃以上的富集的鉻的氧化物薄膜。這層富集的鉻的氧化物薄膜,將其金屬與外部環境的聯系隔斷,達到防腐蝕的目的。這層氧化膜厚度一般在20~30埃之間,成分為Cr2O3,極其致密,與一般化學品不發生反應,氧和腐蝕物質無法通過這層氧化膜腐蝕內部基體。
鎳(nie)是奧氏體(ti)(ti)的(de)(de)(de)穩定(ding)元素,鎳(nie)可將奧氏體(ti)(ti)使(shi)(shi)用范(fan)圍(wei)擴大到低溫區(qu)從圖1-4可以看出鎳(nie)的(de)(de)(de)作用。在(zai)圖1-4中(zhong),斜線(xian)以上(shang)所(suo)示溫度下奧氏體(ti)(ti)是穩定(ding)的(de)(de)(de);在(zai)這條線(xian)以下,鐵素體(ti)(ti)和(he)馬氏體(ti)(ti)都具有(you)穩定(ding)的(de)(de)(de)晶(jing)體(ti)(ti)結(jie)構。鎳(nie)可提(ti)高(gao)韌性和(he)延展性,使(shi)(shi)之更易于加工、制造和(he)焊接(jie),增(zeng)強(qiang)抗酸的(de)(de)(de)腐(fu)蝕能力,保持鈍化(hua)膜的(de)(de)(de)能力及在(zai)腐(fu)蝕介(jie)質中(zhong)的(de)(de)(de)抗蝕能力。

在(zai)不銹(xiu)鋼中(zhong)(zhong)加入(ru)鎳(nie)時,耐腐蝕性(xing)有(you)所改(gai)善(shan)。鎳(nie)較(jiao)難氧(yang)化(hua),故氧(yang)化(hua)膜中(zhong)(zhong)鎳(nie)含量(liang)較(jiao)少;氧(yang)化(hua)膜下富集(ji)了鎳(nie),可增加氧(yang)化(hua)膜的(de)(de)穩定性(xing),尤其(qi)是在(zai)非氧(yang)化(hua)性(xing)的(de)(de)硫酸(suan)(suan)中(zhong)(zhong)更為顯著。將鎳(nie)加入(ru)鉻不銹(xiu)鋼中(zhong)(zhong)就會提高其(qi)在(zai)硫酸(suan)(suan)、醋酸(suan)(suan)、草酸(suan)(suan)及中(zhong)(zhong)性(xing)鹽(特別是硫酸(suan)(suan)鹽)中(zhong)(zhong)的(de)(de)耐腐蝕性(xing)。
錳類似于鎳(nie),當添(tian)加錳(meng)或用錳(meng)替代鎳(nie)時,都會提高不(bu)銹鋼的(de)強(qiang)度。在(zai)鉻不(bu)銹鋼(gang)(gang)(gang)中加入錳(在(zai)Cr≥17%的(de)情(qing)況下),對鋼(gang)(gang)(gang)的(de)耐蝕(shi)性沒(mei)有(you)多大的(de)影響。但(dan)錳可以大大提高(gao)鉻不(bu)銹鋼(gang)(gang)(gang)在(zai)有(you)機酸(suan)(suan)(如醋酸(suan)(suan)、甲酸(suan)(suan)、乙醇(chun)酸(suan)(suan))中的(de)耐腐蝕(shi)性,促使鉻不(bu)銹鋼(gang)(gang)(gang)達到鈍化狀態,在(zai)這方面(mian)錳的(de)作用(yong)(yong)比鎳的(de)用(yong)(yong)更明顯(xian)。
鉬可提高(gao)鈍化膜(mo)的(de)強(qiang)(qiang)度,增(zeng)強(qiang)(qiang)耐局部(bu)腐蝕(shi)性,如耐點蝕(shi)、縫隙腐蝕(shi),特別是(shi)在鹵鹽或海(hai)水中(zhong)有氯離子(zi)的(de)情況下。鉬也可提高(gao)對氯化物應力腐蝕(shi)斷裂的(de)抵抗(kang)能力。利用固溶強(qiang)(qiang)化的(de)方法,鉬可提高(gao)奧氏(shi)體(ti)不(bu)銹鋼的(de)高(gao)溫(wen)強(qiang)(qiang)度和馬氏(shi)體(ti)不(bu)銹鋼的(de)抗(kang)回火能力。
鉬(mu)能(neng)提高(gao)不銹鋼(gang)的(de)鈍(dun)化(hua)能(neng)力,擴大不銹鋼(gang)的(de)鈍(dun)化(hua)介(jie)質范圍(wei)。如在(zai)熱硫酸、稀鹽酸、磷(lin)酸及有機酸中,含(han)鉬(mu)的(de)不銹鋼(gang)都有滿(man)意的(de)使用(yong)效(xiao)果。不銹鋼(gang)中加入鉬(mu),可以形成(cheng)含(han)鉬(mu)的(de)氧(yang)化(hua)膜(mo)。這種含(han)鉬(mu)的(de)氧(yang)化(hua)膜(mo)具(ju)有更高(gao)的(de)穩定性(xing),在(zai)許多強腐(fu)蝕介(jie)質中都不易溶解(jie)。它還可以防止鹵族(zu)元素離(li)(li)子(zi)(特(te)別是氯離(li)(li)子(zi))對氧(yang)化(hua)膜(mo)的(de)破壞。因(yin)為氯離(li)(li)子(zi)半徑很小,可以穿透(tou)不夠致密的(de)氧(yang)化(hua)膜(mo),與鋼(gang)起作(zuo)用(yong),生成(cheng)可溶的(de)腐(fu)蝕產物,在(zai)局(ju)部(bu)區域形成(cheng)點腐(fu)蝕。含(han)鉬(mu)的(de)氧(yang)化(hua)膜(mo)對氯離(li)(li)子(zi)有足夠的(de)穩定性(xing)。
氮是穩定奧氏體的元素,可提高鋼的強度,在奧氏體及雙相不銹鋼中可增強耐點蝕及縫隙腐蝕的能力,并減少金屬間相(σ)在高溫或焊接時析出的機會。
金屬間(jian)相(xiang)是指(zhi)由鋼(gang)中(zhong)的兩(liang)種(zhong)或兩(liang)種(zhong)以上(shang)的金屬元(yuan)(yuan)素構成的金屬間(jian)化合(he)物(wu),也簡稱為中(zhong)間(jian)相(xiang)。廣義地(di)講,凡以元(yuan)(yuan)素周(zhou)期表中(zhong)過渡族元(yuan)(yuan)素(錳、鐵、鈷和(he)鎳等)為基體,含有A副族元(yuan)(yuan)素(鈦、釩和(he)鉻等)的合(he)金系在適合(he)生成的條件下都能形成一系列金屬間(jian)相(xiang)。
鈦、鈮能優先與碳和氮結合形成碳化物和氮化物,改善高溫強度性能并阻止鉻的碳化物的形成,防止晶間腐蝕。鈮還可提高高溫蠕變斷裂強度。
硅、鋁可改善抗氧化性能,硅還可以改善鑄造特性。
銅(tong)可提高對稀酸特(te)別(bie)是對硫酸的(de)(de)抗酸能力;加入3%~4%的(de)(de)銅(tong)具有低的(de)(de)加工硬化率(lv),易(yi)于(yu)成形,析出的(de)(de)銅(tong)離子還有滅(mie)菌作(zuo)用。
硫、硅和鉛可改善機械切削性能,但會降低耐腐蝕能力。
鈰、鐿、鑭可提高抗氧化性。

