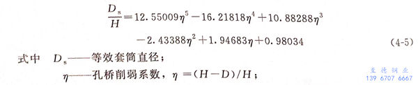
已有的研究表明,對香蕉app免費視頻在線觀看:不銹鋼換熱管和管板連接進行數值模擬時,三維模型可以簡化為二維平面應力或軸對稱模型。因此,浙江至德鋼業有限公司采用2-D軸對稱模型分析尺寸偏差對液壓脹接壓力的影響。為考慮管孔之間的相互作用,采用簡化的單孔模型對不銹鋼換熱管和管板的脹接壓力進行模擬,模型中等效套筒直徑可采用以下公式進行計算:

對于Φ25mm×2mm的換熱管(guan),管(guan)板(ban)孔直(zhi)(zhi)徑D=25.25mm,中(zhong)心距H=32mm,根據(ju)式(shi)(4-5)計算得到(dao)等效套筒直(zhi)(zhi)徑為43.4mm.換熱管(guan)和管(guan)板(ban)實(shi)際連接(jie)如圖4-8所示。

根(gen)據上述幾何(he)尺(chi)寸,圖 4-9 給(gei)出了未標注(zhu)尺(chi)寸偏差的(de)幾何(he)模(mo)型。

網格劃分均采(cai)用軸對(dui)稱plane182單元,同時,采(cai)用TARGE169目標(biao)面(mian)(mian)單元和(he)CONTA172接觸(chu)面(mian)(mian)單元建立換熱(re)管與(yu)管板孔間(jian)的柔性面(mian)(mian)-面(mian)(mian)接觸(chu)對(dui),兩接觸(chu)面(mian)(mian)之間(jian)的摩擦系數取0.2,有限元模型如(ru)圖4-10。
不銹鋼換熱管(guan)材料(liao)模型選(xuan)用 Mises率(lv)不相關的(de)多線性(xing)模型,模型中的(de)參數來源(yuan)于(yu)換熱管(guan)材料(liao)拉(la)伸(shen)(shen)曲線,如圖4-11所(suo)示。拉(la)伸(shen)(shen)試(shi)驗時(shi),試(shi)樣(yang)取自未脹接換熱管(guan),將其加(jia)工成板狀拉(la)伸(shen)(shen)試(shi)樣(yang),尺寸見圖4-12.管(guan)板材料(liao)選(xuan)取各向(xiang)同性(xing)的(de)彈性(xing)模型。

通過(guo)分(fen)步(bu)法(fa)模擬脹(zhang)(zhang)接過(guo)程,即整(zheng)個脹(zhang)(zhang)接過(guo)程經過(guo)以下三(san)步(bu)完成(cheng):第一步(bu),把載荷施加在管(guan)內(nei)(nei)壁(bi)上,即加載;第二步(bu),脹(zhang)(zhang)接壓(ya)(ya)力在管(guan)內(nei)(nei)壁(bi)停留(liu)幾秒鐘,即保(bao)壓(ya)(ya);第三(san)步(bu),在管(guan)內(nei)(nei)壁(bi)施加0MPa的壓(ya)(ya)力,即卸載。脹(zhang)(zhang)接過(guo)程完成(cheng)后,通過(guo)后處理器查看換熱管(guan)外壁(bi)的殘余位(wei)移Δur。若(ruo)Δur=c,則認為換熱管(guan)和管(guan)板正好連接緊密,此(ci)時(shi),所對應的壓(ya)(ya)力作為貼脹(zhang)(zhang)時(shi)的最小(xiao)(xiao)脹(zhang)(zhang)接壓(ya)(ya)力psimmin,若(ruo)Δur<c,則說明施的脹(zhang)(zhang)接壓(ya)(ya)力過(guo)小(xiao)(xiao),不能消除縫(feng)隙,增(zeng)加脹(zhang)(zhang)接壓(ya)(ya)力,重復以上過(guo)程,直到(dao)Δur略大(da)于c。
通過(guo)對網(wang)格(ge)(ge)進行(xing)無關性驗證發現(xian),當網(wang)格(ge)(ge)總數為(wei)15065時計算(suan)能(neng)夠收斂,并且計算(suan)結果差別在0.5%內。因此,我們(men)認為(wei)該(gai)網(wang)格(ge)(ge)數可以(yi)滿足本書的求解需(xu)要。
一、數值計(ji)算與理論(lun)計(ji)算的比(bi)較
1. 不考慮(lv)尺寸偏差
脹(zhang)(zhang)接從(cong)距離換熱管(guan)口(kou)17.5mm處開始。不考(kao)慮換熱管(guan)與(yu)管(guan)板(ban)管(guan)孔(kong)(kong)偏(pian)差時(shi),換熱管(guan)與(yu)管(guan)板(ban)管(guan)孔(kong)(kong)間的間隙c=0.125mm,換熱管(guan)外壁徑向位(wei)移(yi)(yi)隨加(jia)(jia)載時(shi)間的變(bian)化曲(qu)線如圖4-13所示。此時(shi),換熱管(guan)內壁施加(jia)(jia)壓力是(shi)p=206MPa,殘余位(wei)移(yi)(yi)Δur=0.125005mm,可以(yi)(yi)認為(wei)換熱管(guan)和管(guan)板(ban)正好貼(tie)合。從(cong)圖4-13中(zhong)可以(yi)(yi)看出,隨著壓力的增加(jia)(jia),徑向位(wei)移(yi)(yi)增大(da),卸(xie)載后(hou)(hou)徑向位(wei)移(yi)(yi)有所減小(xiao)。這(zhe)是(shi)因為(wei)加(jia)(jia)載時(shi)換熱管(guan)發(fa)生(sheng)了彈塑(su)性變(bian)形,卸(xie)載后(hou)(hou)彈性恢復,只剩下塑(su)性變(bian)形。脹(zhang)(zhang)接后(hou)(hou)的應(ying)力應(ying)變(bian)情(qing)況(kuang)如圖4-14所示。

不(bu)(bu)考(kao)慮(lv)換(huan)熱管(guan)(guan)和(he)管(guan)(guan)板(ban)孔(kong)(kong)直(zhi)徑偏(pian)差時,選(xuan)取表4-1所示的(de)換(huan)熱管(guan)(guan)外直(zhi)徑、管(guan)(guan)板(ban)孔(kong)(kong)直(zhi)徑和(he)管(guan)(guan)壁(bi)厚公稱尺寸,建立不(bu)(bu)同k值下的(de)有(you)限元模型。圖(tu)4-15所示為有(you)限元模擬結果和(he)式(4-1)理論計算結果,從圖(tu)中(zhong)可以看出,模擬值與計算值近似相(xiang)等。因此,在不(bu)(bu)考(kao)慮(lv)換(huan)熱管(guan)(guan)和(he)管(guan)(guan)板(ban)孔(kong)(kong)直(zhi)徑偏(pian)差的(de)情況下,采用(yong)式(4-1)可以得到(dao)合理的(de)最小脹接壓力。

2. 考慮尺寸偏差
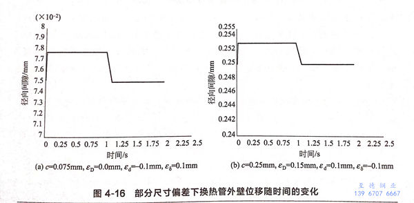
為了驗(yan)證圖(tu)4-6中理論計(ji)算結(jie)果(guo)的正確(que)性,選擇與圖(tu)4-6完全相(xiang)同的換熱管(guan)(guan)和管(guan)(guan)板孔(kong)公稱(cheng)尺寸和偏(pian)差(cha)等幾何(he)條件,進行有限元模擬。圖(tu)4-16給出(chu)了部分尺寸偏(pian)差(cha)下,換熱管(guan)(guan)外壁徑向位移(yi)隨加載(zai)過程的變化(hua)情況。

所有的(de)模擬結果如圖(tu)4-17所示。比較(jiao)圖(tu)4-17和圖(tu)4-6,兩者差(cha)(cha)距較(jiao)大(da)(da)。相同條件下,兩種方法獲得(de)的(de)最小(xiao)脹接(jie)壓力(li)最大(da)(da)相差(cha)(cha)29MPa.因(yin)此,當換熱(re)管和管板孔直徑存在尺(chi)寸偏差(cha)(cha)時,試圖(tu)通過把偏差(cha)(cha)值直接(jie)附加到式(4-1)各物理(li)量上,而得(de)到合(he)理(li)的(de)最小(xiao)脹接(jie)壓力(li)是不可行的(de)。

二、幾何偏差(cha)對(dui)最小脹接壓力的影響
1. 壁(bi)厚(hou)偏差的影響
為了討論壁(bi)(bi)厚(hou)(hou)偏差εs對(dui)最(zui)(zui)小脹(zhang)(zhang)(zhang)接(jie)壓(ya)(ya)力的(de)(de)影響(xiang),選取表4-1所列最(zui)(zui)小、最(zui)(zui)大和最(zui)(zui)常用換(huan)熱(re)(re)(re)管(guan)外直徑(jing),即do=14mm、25mm和57mm的(de)(de)換(huan)熱(re)(re)(re)管(guan),保持(chi)k=1.19,并不考慮管(guan)板孔和換(huan)熱(re)(re)(re)管(guan)外徑(jing)偏差,分(fen)別建立不同壁(bi)(bi)厚(hou)(hou)偏差下的(de)(de)模型,進行有限元模擬。圖4-18(a)給出了最(zui)(zui)小脹(zhang)(zhang)(zhang)接(jie)壓(ya)(ya)力隨(sui)(sui)壁(bi)(bi)厚(hou)(hou)偏差變化的(de)(de)模擬結果,從(cong)圖中可以(yi)看(kan)出,最(zui)(zui)小脹(zhang)(zhang)(zhang)接(jie)壓(ya)(ya)力隨(sui)(sui)壁(bi)(bi)厚(hou)(hou)偏差的(de)(de)增加而(er)增加,兩者近似為直線關系。

為進一步分析壁厚(hou)(hou)偏差對最小(xiao)脹接壓力的影響(xiang),引入壁厚(hou)(hou)偏差影響(xiang)修正系(xi)(xi)數(shu)fs,即fs=psmm/pmin,以(yi)及比壁厚(hou)(hou)偏差Es/S,將(jiang)圖4-18(a)轉化成圖4-18(b)。通過圖4-18(b)可以(yi)看(kan)出,壁厚(hou)(hou)偏差影響(xiang)修正系(xi)(xi)數(shu)fs隨(sui)Es/S近似為直線變化,其線性關系(xi)(xi)可以(yi)表(biao)示為

對于(yu)do=19mm、38mm的(de)換熱(re)管,壁厚(hou)偏差分(fen)(fen)別(bie)為εs=±0.1mm、±0.15mm,根據(ju)式(4-6)得到的(de)最小脹接壓力分(fen)(fen)別(bie)為211MPa、201.8MPa和(he)207.6MPa、200.4MPa,有限元的(de)模擬結果分(fen)(fen)別(bie)為212MPa、201MPa和(he)206.5MPa、200MPa.充分(fen)(fen)說(shuo)明(ming)式(4-6)給出(chu)的(de)擬合關系是(shi)可信的(de)。
2. 換熱管外直徑(jing)偏差和管板(ban)孔直徑(jing)偏差的影響
不銹鋼換熱管外(wai)直(zhi)徑偏(pian)(pian)(pian)差(cha)和(he)管板(ban)孔直(zhi)徑偏(pian)(pian)(pian)差(cha)對最小脹接壓(ya)力的影響可以歸結為初始徑向間(jian)隙(xi)c的影響。保持k=1.19不變,根據表4-1中管外(wai)直(zhi)徑允許(xu)偏(pian)(pian)(pian)差(cha)范圍(wei)和(he)管板(ban)孔直(zhi)徑允許(xu)偏(pian)(pian)(pian)差(cha)范圍(wei),選取不同的管外(wai)直(zhi)徑偏(pian)(pian)(pian)差(cha)e.和(he)管板(ban)孔直(zhi)徑偏(pian)(pian)(pian)差(cha)?D,以得(de)到不同的初始徑向間(jian)隙(xi)c,建立不同初始徑向間(jian)隙(xi)c下的有限元模型。圖4-19(a)所示為Psimmin 隨(sui)c變化的規律。

為了定量分(fen)析初始(shi)徑(jing)(jing)向間(jian)隙對最小脹接壓力的影(ying)響,引(yin)入初始(shi)徑(jing)(jing)向間(jian)隙影(ying)響修正系數fc(fo=psim min/pmin),以(yi)及比初始(shi)徑(jing)(jing)向間(jian)隙c/do,將圖4-19(a)轉化成圖4-19(b)。圖4-19(b)說明,對不(bu)同的換熱管外直(zhi)徑(jing)(jing)do,fc與c/d.之間(jian)關系為一(yi)簇近似平行(xing)的直(zhi)線,可以(yi)表示為

3. 綜合偏差的影響
在實際中,不銹鋼換熱(re)管(guan)壁厚偏(pian)(pian)差(cha)(cha)、外直徑偏(pian)(pian)差(cha)(cha)和管(guan)板孔直徑偏(pian)(pian)差(cha)(cha)是同時存(cun)在的(de)。因此,我們(men)需要考慮三類偏(pian)(pian)差(cha)(cha)的(de)共同影(ying)響。引入綜合偏(pian)(pian)差(cha)(cha)影(ying)響修正系數f,即

為了檢驗式(4-10)的(de)(de)(de)(de)準(zhun)確性,把采用式(4-10)計(ji)算得到的(de)(de)(de)(de)最(zui)小脹接(jie)壓力與有限元模擬(ni)結果進行比較。根據GB/T 17395-2008《無(wu)縫鋼管(guan)尺(chi)(chi)寸(cun)、外形、重量(liang)及允許偏(pian)差(cha)(cha)》和表(biao)4-1選(xuan)取換(huan)熱(re)管(guan)和管(guan)板孔直徑尺(chi)(chi)寸(cun)以(yi)及相應的(de)(de)(de)(de)偏(pian)差(cha)(cha),所選(xuan)擇的(de)(de)(de)(de)換(huan)熱(re)管(guan)和管(guan)板孔的(de)(de)(de)(de)尺(chi)(chi)寸(cun)及它們的(de)(de)(de)(de)偏(pian)差(cha)(cha)均(jun)不(bu)在(zai)回(hui)歸(gui)fs、fc時(shi)所選(xuan)用的(de)(de)(de)(de)范圍。計(ji)算和模擬(ni)結果見圖4-20。從圖中可(ke)以(yi)看(kan)出,兩者(zhe)的(de)(de)(de)(de)計(ji)算結果吻合得非常(chang)好,說明式(4-10)適用于滿(man)(man)足表(biao)4-1幾何(he)尺(chi)(chi)寸(cun)及其偏(pian)差(cha)(cha)以(yi)及滿(man)(man)足表(biao)4-2材料性能的(de)(de)(de)(de)換(huan)熱(re)管(guan)和管(guan)板孔相連接(jie)的(de)(de)(de)(de)最(zui)小脹接(jie)壓力的(de)(de)(de)(de)計(ji)算。

從以(yi)(yi)上分析可知(zhi),不(bu)銹鋼換(huan)(huan)熱(re)(re)管(guan)(guan)外(wai)(wai)直(zhi)徑(jing)和(he)壁(bi)(bi)厚(hou)、管(guan)(guan)板(ban)孔(kong)直(zhi)徑(jing)等(deng)幾(ji)何尺(chi)寸(cun)及它們的(de)偏差(cha)對最小脹(zhang)接壓力的(de)計算有著交叉影(ying)(ying)響(xiang)(xiang)(xiang)。由于換(huan)(huan)熱(re)(re)管(guan)(guan)規格繁多,再加(jia)上尺(chi)寸(cun)偏差(cha)范(fan)圍較大(da),全(quan)面分析這種影(ying)(ying)響(xiang)(xiang)(xiang)將(jiang)是(shi)(shi)一(yi)(yi)項十分繁重的(de)工作。因此,將(jiang)換(huan)(huan)熱(re)(re)管(guan)(guan)外(wai)(wai)直(zhi)徑(jing)偏差(cha)和(he)管(guan)(guan)板(ban)孔(kong)直(zhi)徑(jing)偏差(cha)的(de)影(ying)(ying)響(xiang)(xiang)(xiang)歸結為初(chu)始徑(jing)向(xiang)(xiang)間隙的(de)影(ying)(ying)響(xiang)(xiang)(xiang),然后將(jiang)換(huan)(huan)熱(re)(re)管(guan)(guan)壁(bi)(bi)厚(hou)偏差(cha)的(de)影(ying)(ying)響(xiang)(xiang)(xiang)和(he)初(chu)始徑(jing)向(xiang)(xiang)間隙的(de)影(ying)(ying)響(xiang)(xiang)(xiang)分離開來,即討論壁(bi)(bi)厚(hou)偏差(cha)影(ying)(ying)響(xiang)(xiang)(xiang)時,設定(ding)管(guan)(guan)板(ban)孔(kong)和(he)換(huan)(huan)熱(re)(re)管(guan)(guan)外(wai)(wai)直(zhi)徑(jing)沒(mei)有偏差(cha),并且只考慮一(yi)(yi)種k值;而討論初(chu)始徑(jing)向(xiang)(xiang)間隙影(ying)(ying)響(xiang)(xiang)(xiang)時,則設定(ding)換(huan)(huan)熱(re)(re)管(guan)(guan)壁(bi)(bi)厚(hou)為一(yi)(yi)不(bu)變值,從而使問(wen)題得(de)到(dao)了大(da)大(da)的(de)簡化。從更寬范(fan)圍選取換(huan)(huan)熱(re)(re)管(guan)(guan)外(wai)(wai)直(zhi)徑(jing)和(he)壁(bi)(bi)厚(hou)、管(guan)(guan)板(ban)孔(kong)外(wai)(wai)直(zhi)徑(jing)等(deng)幾(ji)何尺(chi)寸(cun)以(yi)(yi)及它們的(de)偏差(cha),通過式(4-10)計算和(he)有限元(yuan)模擬(ni)得(de)到(dao)的(de)最小脹(zhang)接壓力相互吻合得(de)非常好,說(shuo)明式(4-10)給出的(de)修正(zheng)公(gong)式的(de)準確度是(shi)(shi)令人滿意(yi)的(de)。
為了(le)避(bi)免(mian)尺寸超(chao)差對(dui)不銹鋼換熱(re)管(guan)和管(guan)板連接強度的影響,美國管(guan)殼式熱(re)交換器制造(zao)商協會對(dui)最(zui)大(da)允許縫隙(xi)進行了(le)限制。而(er)我國標準 GB 13296-2013和GB 13296-2007相比(bi),對(dui)不銹鋼換熱(re)管(guan)外(wai)直(zhi)徑偏(pian)差的要求更為嚴格(ge),這在一定程度上減小了(le)換熱(re)管(guan)和管(guan)板孔之間(jian)的最(zui)大(da)允許間(jian)隙(xi)。
與其他文獻(xian)相(xiang)比(bi),以上計算涉及(ji)的不銹鋼(gang)換熱管和管板(ban)孔尺寸及(ji)尺寸偏差范圍廣,因此,提出的修正系數(shu)f更具有普(pu)遍性。需要說(shuo)明(ming)的是,在(zai)以上的分析中,沒有(you)考慮管板(ban)孔中心距尺寸(cun)偏差的影響。換熱管材(cai)料發生變化(hua)后(hou),式(4-9)能否(fou)繼續使用,也(ye)有(you)待(dai)進一步研究。

