1. 法蘭用(yong)墊片的(de)選擇
壓力(li)容器法蘭用墊片為非金屬軟墊片、纏繞墊片及金屬包覆墊片三種,具體可按NB/T47024-2012《非金屬軟墊片》、NB/T 47025-2012《纏繞墊片》和NB/T 47026-2012《金屬包覆墊片》等墊片標準選用。
2. 法蘭(lan)用螺(luo)柱的選擇
a. 螺柱材(cai)料(liao)的選用
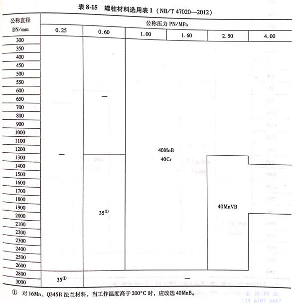
壓力容(rong)器法(fa)蘭(lan)用螺柱材料選(xuan)用表(biao)見表(biao)8-15~表(biao)8-17。



b. 螺柱的型(xing)式(shi)與尺寸
法蘭用等長雙頭螺(luo)柱的(de)型式與尺寸應符合(he)NB/T 47027-2012《等長雙頭螺(luo)柱》的(de)規定。
3.法蘭、墊片(pian)、螺(luo)柱與螺(luo)母材料匹(pi)配(pei)
甲(jia)型(xing)(xing)(xing)平(ping)焊(han)法(fa)蘭(lan)、乙型(xing)(xing)(xing)平(ping)焊(han)法(fa)蘭(lan)和長(chang)頸(jing)(jing)對焊(han)法(fa)蘭(lan)(以下簡稱甲(jia)型(xing)(xing)(xing)、乙型(xing)(xing)(xing)、長(chang)頸(jing)(jing)法(fa)蘭(lan))與墊片、螺柱與螺母(mu)材料的匹配(含適(shi)用(yong)溫度(du)范圍)見表8-18。
螺柱的硬度(du)(布氏硬度(du),HBW)應比(bi)螺母硬度(du)高20~30,相同(tong)強度(du)級(ji)別的材料(liao)可(ke)以通過不(bu)同(tong)的熱處理狀態實(shi)現。



