
耐蝕(shi)合(he)金主(zhu)要是指鐵鎳基(ji)耐蝕(shi)合(he)金 Ni≥30% ,Ni+Fe≥60% ,和鎳基(ji)耐蝕(shi)合(he)金 Ni≥50% 。
0Mo28Ni65Fe5 、NS 321、Hastelloy B 合金的化學成分列入表3-4-1中

一、組織特點
NS 321、Hastelloy B 合金固溶處理態為過飽和固溶體,在中溫時效態會有金屬間相,如Ni4Mo(β),Ni3Mo(γ),碳化物如Mo6C、M2C等在基體上和沿晶界析出,會對此合金的性能產生不利的影響。
二、耐(nai)腐蝕性能
1. 全(quan)面腐蝕(shi)
0Mo28Ni65Fe5、Hastelloy B 合金在(zai)(zai)所(suo)有(you)大氣條件下(包括海(hai)洋和工(gong)業(ye)大氣)都具有(you)較好(hao)的(de)耐蝕性。表(biao)3-4-2列出了在(zai)(zai)大氣中(zhong)放置(zhi)12年(nian)和23年(nian)后的(de)試驗結果。在(zai)(zai)海(hai)洋大氣中(zhong),其(qi)腐蝕速率僅(jin)為工(gong)業(ye)氣氛中(zhong)的(de)1/7,但其(qi)點蝕深度要(yao)比在(zai)(zai)工(gong)業(ye)氣氛中(zhong)深一些(xie)。

在天然水(shui)和(he)高純(chun)水(shui)中,0Mo28Ni65Fe5 、Hastelloy B 合金耐(nai)蝕性(xing)能極佳。例(li)如,在河水(shui),井水(shui)等天然水(shui)中,腐(fu)(fu)(fu)蝕速(su)率(lv)一(yi)般≤0.025mm/a.在海水(shui)中,當(dang)處于(yu)靜止或(huo)流速(su)較慢的狀態時,0Mo28Ni65Fe5 合金的耐(nai)全面(mian)腐(fu)(fu)(fu)蝕性(xing)能較純(chun)鎳(nie)稍低,但耐(nai)點蝕和(he)縫隙腐(fu)(fu)(fu)蝕性(xing)要(yao)優于(yu)純(chun)鎳(nie)。
在各種酸介(jie)質中的耐蝕(shi)性(xing)見圖3-4-12~圖3-4-16 及表(biao)3-4-3~表(biao)3-4-19。
①. 在硫酸中(zhong)
在(zai)不充空氣的(de)(de)和非氧化性的(de)(de)硫(liu)(liu)(liu)酸(suan)(suan)中(zhong),耐蝕性是非常好(hao)的(de)(de),可應用的(de)(de)濃(nong)度(du)、溫度(du)范(fan)圍相當寬。例如,在(zai)100℃以下所有(you)濃(nong)度(du)的(de)(de)硫(liu)(liu)(liu)酸(suan)(suan)中(zhong),0Mo28Ni65Fe5 合金(jin)的(de)(de)腐(fu)蝕速率小于0.125mm/a;在(zai)115℃以下的(de)(de)任(ren)何濃(nong)度(du)硫(liu)(liu)(liu)酸(suan)(suan)中(zhong)≤5mm/a;在(zai)沸(fei)騰溫度(du)以下的(de)(de)硫(liu)(liu)(liu)酸(suan)(suan)中(zhong),0Mo28Ni65Fe5合金(jin)的(de)(de)耐硫(liu)(liu)(liu)酸(suan)(suan)腐(fu)蝕的(de)(de)濃(nong)度(du)可達(da)60%;濃(nong)度(du)再高,由于硫(liu)(liu)(liu)酸(suan)(suan)本身的(de)(de)高氧化性,0Mo28Ni65Fe5 合金(jin)要受到嚴重腐(fu)蝕。在(zai)稀硫(liu)(liu)(liu)酸(suan)(suan)中(zhong),0Mo28Ni65Fe5合金(jin)的(de)(de)耐蝕性隨(sui)充人(ren)空氣而降低,且當硫(liu)(liu)(liu)酸(suan)(suan)濃(nong)度(du)在(zai)5%~10%時最(zui)為(wei)明顯(xian)。圖3-4-12 和表3-4-3系一些試驗結果。


在生產醇類過程中,也常常遇到(dao)濃(nong)度(du)為45%~65%,溫度(du)115~120℃的硫酸(suan)。采用其他材料,例如不(bu)銹鋼、鎳基或銅基合(he)金,在靜止和低流速(su)條(tiao)件(jian)下(xia),腐蝕(shi)速(su)率(lv)可≤0.5mm/a.但(dan)在高(gao)流速(su)、高(gao)溫條(tiao)件(jian)下(xia),腐蝕(shi)速(su)率(lv)要超過2.5mm/a.然(ran)而(er),0Mo28Ni65Fe5合(he)金在45%~65% 硫酸(suan),115℃的工廠試驗條(tiao)件(jian)下(xia)的結果表明,其腐蝕(shi)速(su)率(lv)僅為1mm/a。
硫酸也常(chang)(chang)(chang)常(chang)(chang)(chang)用于石油產品(pin)的精煉以去除樹脂、瀝青(qing)或類(lei)膠物質。0Mo28Ni65Fe5合(he)金在此種條件下的耐蝕(shi)性也是非常(chang)(chang)(chang)好的,見表 3-4-4,用 0Mo28Ni65Fe5 合(he)金鑄(zhu)造(zao)的泵、閥等部件是適用的。

向硫酸中加入氧化性鹽(硝酸鹽、鉻酸鹽、高錳酸鹽等)和其他氧化性離子(Fe3+、Ca2+等),會顯著提高0Mo28Ni65Fe5、Hastelloy B 合金的腐蝕速率,且溫度越高越嚴重。因此,0Mo28Ni65Fe5合金一般不允許在這些條件下使用,除非氧化性鹽和氧化性離子的濃度很低,不足以影響0Mo28Ni65Fe5合金的耐蝕性。表3-4-5系硫酸中含銅時對0Mo28Ni65Fe5合金耐蝕性的影響。顯然,在含銅的硫酸中或銅有可能進入硫酸的條件下,選用0Mo28Ni65Fe5 合金是不適宜的。此外,0Mo28Ni65Fe5 合金與碳、石墨等接觸也會由于產生電偶腐蝕而使它迅速破壞,表3-4-6示出了試驗結果。由于石墨也是耐硫酸性能很好的非金屬材料,因此,當0Mo28Ni65Fe5 合金與石墨同時使用時,要注意防止這種電偶腐蝕的產生。

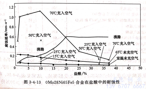
②. 在鹽酸(suan)中
在(zai)(zai)未(wei)充入(ru)空氣的(de)(de)鹽酸中,0Mo28Ni65Fe5、Hastelloy B 合(he)(he)(he)金(jin)在(zai)(zai)常壓(ya)下任何(he)濃度、任何(he)溫(wen)度下都(dou)是耐(nai)蝕(shi)的(de)(de)。Ni-Mo耐(nai)蝕(shi)合(he)(he)(he)金(jin)包括0Mo28Ni65Fe5 在(zai)(zai)內(nei)是耐(nai)鹽酸性能最好的(de)(de)一類合(he)(he)(he)金(jin)。作(zuo)為耐(nai)鹽酸的(de)(de)金(jin)屬材料(liao),目(mu)前也只有金(jin)屬鉬(mu)、鋯、鎢(wu)、鉭的(de)(de)耐(nai)蝕(shi)性能超(chao)過(guo)Ni-Mo耐(nai)蝕(shi)合(he)(he)(he)金(jin)。
圖(tu)3-4-13和(he)表3-4-7系(xi)0Mo28Ni65Fe5合(he)金(jin)在(zai)鹽(yan)酸(suan)(suan)中(zhong)的(de)(de)(de)試(shi)驗(yan)結(jie)果(guo)。從這(zhe)些(xie)結(jie)果(guo)可(ke)以(yi)(yi)看(kan)出,0Mo28Ni65Fe5合(he)金(jin)的(de)(de)(de)耐(nai)蝕(shi)性受鹽(yan)酸(suan)(suan)中(zhong)有(you)無(wu)空氣存在(zai)的(de)(de)(de)影(ying)響(xiang)很大(da);當酸(suan)(suan)中(zhong)有(you)空氣存在(zai)時,對(dui)0Mo28Ni65Fe5 合(he)金(jin)的(de)(de)(de)耐(nai)蝕(shi)性的(de)(de)(de)不(bu)良(liang)影(ying)響(xiang)以(yi)(yi)鹽(yan)酸(suan)(suan)濃度5%~10%時最(zui)為(wei)明顯(xian)。表3-4-8系(xi)在(zai)氣相中(zhong)充(chong)氮(dan)和(he)充(chong)氧十氮(dan)時的(de)(de)(de)試(shi)驗(yan)結(jie)果(guo),同(tong)樣可(ke)看(kan)出氧的(de)(de)(de)不(bu)良(liang)影(ying)響(xiang)。某些(xie)有(you)機和(he)無(wu)機含(han)水氯化物(wu)處理過(guo)程中(zhong)會有(you)鹽(yan)酸(suan)(suan)產生。在(zai)一些(xie)氯化碳氫化物(wu)條件(jian)下,熱蒸汽(qi)的(de)(de)(de)冷凝可(ke)以(yi)(yi)產生較(jiao)高(gao)濃度的(de)(de)(de)鹽(yan)酸(suan)(suan),0Mo28Ni65Fe5 合(he)金(jin)在(zai)這(zhe)些(xie)條件(jian)下的(de)(de)(de)試(shi)驗(yan)結(jie)果(guo)見表3-4-9。


當鹽(yan)(yan)酸中(zhong)有(you)氧化性(xing)鹽(yan)(yan),例如銅、鐵、汞鹽(yan)(yan)時(shi),0Mo28Ni65Fe5 合金(jin)的耐(nai)蝕性(xing)要下降,而且(qie)酸的溫度越高越明顯。在10%鹽(yan)(yan)酸中(zhong),不同(tong)溫度所(suo)允許(xu)的FeCl3的濃度限為:室溫1290ppm; 65℃ 330ppm; 沸騰溫度26ppm.
③. 在氫氟酸中
在(zai)氫氟(fu)(fu)酸(suan)(suan)(suan)中進行(xing)有限的(de)試驗表(biao)明(ming),0Mo28Ni65Fe5、Hastelloy B 合金可(ke)耐≤100℃,不含空氣的(de)HF酸(suan)(suan)(suan)的(de)腐(fu)蝕(shi)(shi)。但(dan)在(zai)恒沸(fei)點濃(nong)度38%~40%HF、沸(fei)騰為115℃的(de)氫氟(fu)(fu)酸(suan)(suan)(suan)中會使0Mo28Ni65Fe5合金受到腐(fu)蝕(shi)(shi),結果見(jian)表(biao)3-4-10。高于恒沸(fei)點濃(nong)度的(de)HF酸(suan)(suan)(suan),可(ke)通(tong)過無(wu)水HF溶于水而(er)得(de)到。對于濃(nong)度≥70%的(de)HF酸(suan)(suan)(suan),0Mo28Ni65Fe5、Hastelloy B 合金的(de)耐蝕(shi)(shi)性反而(er)較耐低濃(nong)度HF酸(suan)(suan)(suan)的(de)性能要好。0Mo28N165Fe5合金在(zai)HF酸(suan)(suan)(suan)再生條件下的(de)腐(fu)蝕(shi)(shi)情況見(jian)表(biao)3-4-11,顯然,此合金的(de)耐蝕(shi)(shi)性良好。

④. 在磷(lin)酸(suan)中
0Mo28Ni65Fe5、Hastelloy B 合金耐H3PO4腐蝕,一些試驗結果見圖3-4-14及表3-4-12和表3-4-13.由圖表可知除充入空氣時和加壓高溫下,0Mo28Ni65Fe5耐蝕性稍有降低外,其耐H3OP4性能是良好的。但是,0Mo28Ni65Fe5 合金不耐濕法H3PO4的腐蝕,因為,酸中含有氫氟酸、氫氟硅酸、殘余的硫酸以及鐵鹽和鋁鹽,此種酸在本質上呈氧化性,使0Mo28Ni65Fe5合金的腐蝕速率可高達25mm/a以上。


⑤. 在醋(cu)酸中
在(zai)(zai)苛刻的腐(fu)(fu)蝕(shi)條件下(xia),即在(zai)(zai)未充(chong)空氣的沸(fei)騰溫(wen)度(du)下(xia),在(zai)(zai)10%~50%濃(nong)度(du)的醋(cu)(cu)(cu)酸(suan)(suan)中,0Mo28Ni65Fe5合(he)(he)金(jin)(jin)的腐(fu)(fu)蝕(shi)速率不(bu)超(chao)過0.125~0.150mm/a。當然,醋(cu)(cu)(cu)酸(suan)(suan)中有空氣存在(zai)(zai),同樣加(jia)速此合(he)(he)金(jin)(jin)的腐(fu)(fu)蝕(shi)。但是在(zai)(zai)純(chun)的高濃(nong)度(du)醋(cu)(cu)(cu)酸(suan)(suan)或者冰醋(cu)(cu)(cu)酸(suan)(suan)中,充(chong)人空氣對0Mo28Ni65Fe5 合(he)(he)金(jin)(jin)的耐蝕(shi)性影(ying)響(xiang)則很小。向醋(cu)(cu)(cu)酸(suan)(suan)中加(jia)入(ru)NaCl時,將(jiang)有少量HC1酸(suan)(suan)形成。雖然稍提高0Mo28Ni65Fe5合(he)(he)金(jin)(jin)的腐(fu)(fu)蝕(shi)速率,但由于0Mo28Ni65Fe5合(he)(he)金(jin)(jin)的耐鹽酸(suan)(suan)性能良(liang)好(hao),故(gu)影(ying)響(xiang)并(bing)不(bu)顯著。表3-4-14系0Mo28Ni65Fe5 合(he)(he)金(jin)(jin)在(zai)(zai)醋(cu)(cu)(cu)酸(suan)(suan)中的耐蝕(shi)性。

⑥. 在甲酸中
此種算對(dui) 0Mo28Ni65Fe5、Hastelloy B 合(he)金的腐(fu)蝕較醋酸(suan)嚴(yan)重。通(tong)入空氣和(he)酸(suan)中(zhong)有(you)氧(yang)化劑存(cun)在(zai)同樣加速 0Mo28Ni65Fe5、Hastelloy B 合(he)金的腐(fu)蝕。在(zai)甲酸(suan)中(zhong)的試(shi)(shi)驗結果見圖3-4-15。在(zai)其他有(you)機酸(suan)中(zhong):試(shi)(shi)驗結果見表 3-4-15。

⑦. 在堿和鹽中(zhong)
試驗表明,0Mo28Ni65Fe5、Hastelloy B 合金在濃度≤70%NaOH、溫度≤120℃條件下,其腐蝕速率僅為0.050mm/a;在沸點為165℃的60%NaOH和沸點為191℃的70%NaOH中,其腐蝕速率≤0.50mm/a;在100~180℃,濃度為60%的Na2S溶液中,腐蝕速率為0.55mm/a。
在一些中(zhong)性和(he)堿性非氧化(hua)(hua)性鹽(yan)中(zhong),0Mo28Ni65Fe5 合(he)金的耐蝕(shi)(shi)(shi)性良(liang)好(hao)。在非氧化(hua)(hua)性酸(suan)性鹽(yan)中(zhong)(氯化(hua)(hua)物、硫酸(suan)鹽(yan)和(he)氟化(hua)(hua)物鹽(yan))的試驗(yan)結(jie)果見表3-4-16,顯(xian)然,0Mo28Ni65Fe5 合(he)金也是耐蝕(shi)(shi)(shi)的。但是,在氧化(hua)(hua)性酸(suan)性鹽(yan)中(zhong),例如氯化(hua)(hua)鐵、氯化(hua)(hua)銅、硫酸(suan)鐵、硫酸(suan)銅等(deng)溶液中(zhong),0Mo28Ni65Fe5僅在非常稀的溶液中(zhong)才(cai)耐蝕(shi)(shi)(shi);濃度稍高(gao),便會受(shou)到嚴重腐(fu)蝕(shi)(shi)(shi),一些試驗(yan)結(jie)果見表3-4-17。

⑧. 在鹵素(su)(su)元素(su)(su)及其氫化(hua)物氣體中
氟、氯、溴等鹵素元素中,在(zai)氯化氫(qing)、氟化氫(qing)等高(gao)溫(wen)氣(qi)體中,0Mo28Ni65Fe5合金的(de)試(shi)驗結果見表3-4-18和圖3-4-16。由(you)表可知,在(zai)干氯、干溴和高(gao)溫(wen)碘氣(qi)體中,0Mo28Ni65Fe5合金是極耐(nai)(nai)蝕(shi)的(de),但在(zai)濕態下則腐蝕(shi)嚴(yan)重(zhong),不能選用(yong)。試(shi)驗表明,在(zai)CCl4 和 CoCl2 高(gao)溫(wen)氣(qi)體中,0Mo28Ni65Fe5、Hastelloy B 合金的(de)耐(nai)(nai)蝕(shi)性相對好(hao),而且即使介質中含(han)有水分,此合金也(ye)同樣耐(nai)(nai)腐蝕(shi),見表 3-4-19。

0Mo28Ni65Fe5、Hastelloy B 合(he)金由(you)于鉬(mu)含(han)量高(gao)(gao)(gao),且(qie)鉬(mu)的(de)氟(fu)(fu)化(hua)物易揮發(fa),因(yin)此在(zai)高(gao)(gao)(gao)溫(wen)氟(fu)(fu)氣(qi)中(zhong),0Mo28Ni65Fe5是不耐蝕(shi)(shi)的(de)。例(li)如,在(zai)600℃,氟(fu)(fu)氣(qi)流量為75~100ml/min條件下,0Mo28Ni65Fe5合(he)金厚0.95mm的(de)試樣,經95h試驗后受到了嚴重腐蝕(shi)(shi)。然而,在(zai)高(gao)(gao)(gao)溫(wen)HF氣(qi)中(zhong),0Mo28Ni65Fe5合(he)金則(ze)是耐蝕(shi)(shi)的(de)(在(zai)500~600℃ HF氣(qi)中(zhong),經36小時試驗,其腐蝕(shi)(shi)速(su)率僅為0.050mm/a).
⑨. 在(zai)氧(空氣)、硫、氣體中(zhong)
由于0Mo28Ni65Fe5、Hastelloy B 合金不含鉻,而且鉬的氧化膜(例如,在此合金表面形成NiMoO4)在750℃條件下極易脫落。因而,0Mo28Ni65Fe5的高溫抗氧化性很差,也由于此合金不含鉻且鎳含量高,因而在含硫和硫化物的高溫氣體中耐蝕性不良。
2. 晶間腐蝕
0Mo28Ni65Fe5、Hastelloy B 合金雖然固溶(rong)態耐(nai)(nai)蝕(shi)(shi),特別是(shi)耐(nai)(nai)鹽酸(suan)(suan)、硫(liu)酸(suan)(suan)等(deng)的性能很好,但是(shi)一(yi)(yi)(yi)旦經(jing)過焊(han)接,再在(zai)鹽酸(suan)(suan)、硫(liu)酸(suan)(suan)中使用,則在(zai)焊(han)縫(feng)處易出現(xian)刀口腐(fu)蝕(shi)(shi),在(zai)熱(re)影響區出現(xian)晶間腐(fu)蝕(shi)(shi)。圖(tu)3-4-17 和圖(tu)3-4-18 系(xi)一(yi)(yi)(yi)些(xie)試驗(yan)(yan)結果。由圖(tu)可知,0Mo28Ni65Fe5 合金有兩個(ge)敏(min)(min)(min)化(hua)區:1200~1300℃的高溫敏(min)(min)(min)化(hua)區和600~900℃的中溫敏(min)(min)(min)化(hua)區。經(jing)過兩個(ge)敏(min)(min)(min)化(hua)區時,0Mo28Ni65Fe5合金產生(sheng)(sheng)晶間腐(fu)蝕(shi)(shi),不僅使耐(nai)(nai)蝕(shi)(shi)性顯著下降(jiang),而且還伴隨有硬度增(zeng)加。0Mo28Ni65Fe5合金的晶間腐(fu)蝕(shi)(shi)不同于一(yi)(yi)(yi)般的奧氏體不銹鋼(gang),即使是(shi)固溶(rong)處理且迅(xun)速冷卻也無法防止它的產生(sheng)(sheng)。表3-4-20系(xi)一(yi)(yi)(yi)些(xie)試驗(yan)(yan)結果。

研究表明,0Mo28Ni65Fe5 合金的晶間腐蝕與合金中析出相的成分、結構之間有著密切的關系。在≥1250℃高溫區,合金中的析出相有含量較高的M6C、M2C等碳化物以及。相:在550~900℃的中溫區,則有Ni-Mo金屬間相(高于850℃ 為Ni3Mo型,較低溫度則為Ni4Mo型)和M6C、M2C等碳化物。這些金屬間相和碳化物均含有較高的鉬,它們沿晶界的沉淀可引起鋁的嚴重貧化,從而導致0Mo28Ni65Fe5、Hastelloy B 合金的晶間腐蝕。同時,由于析出相的強化作用,合金的強度、硬度亦有所提高。

為了(le)解決0Mo28Ni65Fe5合(he)金(jin)(jin)的(de)(de)晶間腐蝕問題,曾(ceng)研制(zhi)(zhi)出超低(di)(di)碳和(he)低(di)(di)硅(gui)、低(di)(di)鐵(tie)的(de)(de)新(xin)合(he)金(jin)(jin) 00Mo28Ni68 和(he) 含(han)釩(fan)(1.4%~2.2%)的(de)(de)新(xin)合(he)金(jin)(jin) 00Mo28Ni68V (Corronel 220,am814).除00Mo28Ni68(Hastelloy B2)獲(huo)得大(da)量應用(yong)外,前述1990年以來控(kong)制(zhi)(zhi)或調整合(he)金(jin)(jin)中(zhong)鐵(tie)、鉻量而開發的(de)(de) Hastelloy B3、B4和(he)B10等引起了(le)人(ren)們的(de)(de)廣泛關注。
三(san)、力學性能
0Mo28Ni65Fe5 合金的(de)室溫和高溫瞬時(shi)力(li)學性能見(jian)表(biao)3-4-21和表(biao)3-4-22。

四、物理性能
此合金(jin)物(wu)理常(chang)數見表3-4-23。0Mo28Ni65Fc5合金(jin)除作為(wei)(wei)耐(nai)蝕材料(liao)外,還可(ke)作為(wei)(wei)電(dian)子(zi)管陰極材料(liao),它具(ju)有中(zhong)等激(ji)活性能和較高的發(fa)射能力。

五、焊接性能(neng)
0Mo28Ni65Fe5、Hastelloy B 合(he)金可(ke)焊(han)性好,與一般奧氏(shi)體不銹鋼相近,可(ke)以(yi)(yi)采(cai)用(yong)工(gong)業上通(tong)用(yong)的方法,例如TIG、MIG、手(shou)工(gong)電弧焊(han)、電阻焊(han)等進行焊(han)接(jie)。但是能(neng)夠導致焊(han)接(jie)過程(cheng)中增碳(tan)的焊(han)接(jie)方法則(ze)不宜采(cai)用(yong)。焊(han)接(jie)用(yong)的填絲(si)其成分(fen)可(ke)與母材(cai)相同。由于此(ci)合(he)金熱(re)膨(peng)脹系數(shu)、電阻溫度(du)系數(shu)較普通(tong)碳(tan)鋼低(di),且(qie)導熱(re)系數(shu)僅為普通(tong)碳(tan)鋼的1/4,因此(ci),當與碳(tan)鋼進行異材(cai)焊(han)接(jie)時(shi)要予以(yi)(yi)考慮。
六、冷(leng)熱加工及成型性能
0Mo28Ni65Fe5 系變(bian)形(xing)合金(jin),有較好的(de)冷(leng)(leng)(leng)熱加工和(he)成(cheng)型(xing)性能。此(ci)(ci)合金(jin)的(de)熱加工以(yi)1000~1200℃為宜。經固溶處(chu)理(li)后,0Mo28Ni65Fe5合金(jin)具有良好的(de)冷(leng)(leng)(leng)加工塑性和(he)冷(leng)(leng)(leng)成(cheng)型(xing)性。當進行冷(leng)(leng)(leng)軋時,每(mei)個(ge)冷(leng)(leng)(leng)軋過程(cheng)總壓下量可高達80%。隨(sui)冷(leng)(leng)(leng)軋變(bian)形(xing)量的(de)增(zeng)(zeng)加,此(ci)(ci)合金(jin)的(de)硬度增(zeng)(zeng)加,它(ta)們之間的(de)關系見圖3-4-19。此(ci)(ci)合金(jin)的(de)冷(leng)(leng)(leng)成(cheng)型(xing)較一般Cr-Ni奧氏體不(bu)銹(xiu)鋼需更(geng)多次的(de)中間退火,以(yi)使(shi)此(ci)(ci)合金(jin)的(de)塑性得以(yi)回(hui)復。冷(leng)(leng)(leng)成(cheng)型(xing)后均需要(yao)熱處(chu)理(li)。

七、熱處理工藝
無論是(shi)變(bian)形(xing)材還是(shi)鑄件(jian),對(dui)于(yu)(yu)0Mo28Ni65Fe5合(he)金(jin)(jin)(jin)的(de)使(shi)用(yong)狀(zhuang)態(tai)一(yi)般是(shi)固溶態(tai)。因(yin)為此時合(he)金(jin)(jin)(jin)具(ju)有最佳(jia)的(de)耐(nai)蝕(shi)性、強(qiang)韌(ren)性的(de)良好配(pei)合(he)。當然(ran),冷(leng)加工或冷(leng)成(cheng)型的(de)中(zhong)間退(tui)(tui)火(huo)也可(ke)在(zai)低于(yu)(yu)固溶溫(wen)(wen)度(du)下進行(xing)(xing),一(yi)般0Mo28Ni65Fe5合(he)金(jin)(jin)(jin)適宜的(de)固溶處(chu)理溫(wen)(wen)度(du)為1150~1170℃,加熱保溫(wen)(wen)后(hou)進行(xing)(xing)快冷(leng)(水冷(leng)或快速空冷(leng));中(zhong)間退(tui)(tui)火(huo)溫(wen)(wen)度(du)可(ke)在(zai)1000~1100℃下進行(xing)(xing)。此合(he)金(jin)(jin)(jin)的(de)再結(jie)晶溫(wen)(wen)度(du)為950~1100℃。圖3-4-20系(xi)0Mo28Ni65Fe5合(he)金(jin)(jin)(jin)的(de)冷(leng)軋變(bian)形(xing)量、硬(ying)度(du)和(he)中(zhong)間退(tui)(tui)火(huo)溫(wen)(wen)度(du)的(de)關系(xi)。圖3-4-21系(xi)此合(he)金(jin)(jin)(jin)退(tui)(tui)火(huo)溫(wen)(wen)度(du)和(he)硬(ying)度(du)的(de)關系(xi)。為了保證此合(he)金(jin)(jin)(jin)焊后(hou)在(zai)鹽(yan)酸(suan)、硫酸(suan)等苛刻(ke)介質中(zhong)的(de)耐(nai)蝕(shi)性,建議(yi)焊后(hou)再進行(xing)(xing)一(yi)次固溶處(chu)理。

八、應(ying)用
0Mo28Ni65Fe5、Hastelloy B 合金(jin)可生產板材、管(guan)材(焊管(guan))、絲材、帶材、鍛件和鑄件。主(zhu)要用(yong)途是耐(nai)(nai)(nai)鹽酸(suan)腐蝕。同(tong)時,耐(nai)(nai)(nai)濕HC1氣體,耐(nai)(nai)(nai)硫酸(suan)、磷酸(suan)的性能也(ye)是很好的。因此,0Mo28Ni65Fe5 合金(jin)多用(yong)于制(zhi)造(zao)耐(nai)(nai)(nai)上(shang)述介質的容器(qi)及其襯里(li)、管(guan)道、塔槽、泵(beng)、閥等。此外,0Mo28Ni65Fe5 合金(jin)的超薄(bo)帶和極細(xi)絲制(zhi)造(zao)電子管(guan)的陰極材料也(ye)取得滿意結果。
