高鉻鎳不銹鋼中的主要合金元素為鉻和鎳,其含量與配比對材料的綜合耐蝕性能至關重要。高鉻鎳不銹(xiu)鋼常被用在濕法磷酸的生產設備上,在濕法磷酸生產工藝中,介質中含有磷礦石、硫酸、氯離子、氟離子等,工作溫度為80℃,因此,材料的腐蝕變得復雜和苛刻。該材料在這類介質中具有良好的耐蝕性能主要源于鉻和鎳的適當配合。林凡等人就高鉻鎳不銹鋼中鉻、鎳含量對腐蝕電化學特性的影響進行研究。結果表明,隨著鉻含量的增加,合金更容易鈍化;隨著鎳含量的提高,合金鈍態越穩定。高鉻鎳含量有利于合金鈍化膜的形成。
1. 高鉻鎳不銹(xiu)鋼材料的(de)制(zhi)備
將原材料:微(wei)碳鉻鐵(tie)、鉬(mu)鐵(tie)、錳鐵(tie)、鈦鐵(tie)、結晶硅(gui)、電解鎳、電解銅、工業純鐵(tie)按(an)一定比例在中頻感應爐(lu)內熔煉澆(jiao)鑄成(cheng)試樣,出爐(lu)溫(wen)度1530℃,澆(jiao)注溫(wen)度約(yue)1450℃。三種試樣的化學成(cheng)分見表6-17。

2. 高鉻鎳不銹(xiu)鋼(gang)實驗方法
對(dui)1號(hao)(hao)、2號(hao)(hao)、3號(hao)(hao)材(cai)料(liao)進(jin)行陽極極化測(ce)試,測(ce)定材(cai)料(liao)在腐(fu)蝕(shi)介質中的致鈍電位(wei)、維(wei)鈍電位(wei)、維(wei)鈍電流、點蝕(shi)電位(wei)和(he)鈍化電位(wei)范圍(wei)。
實驗介質:
磷酸(H3PO4) 54% 、氟離子(F-) 1% 、硫酸(H2SO4) 4% 、介質溫度 76℃ 、氯離子(Cl-) 600mg/L
測(ce)定2號、3號材料在氯離子分(fen)別為200mg/L、600mg/L、1000mg/L、2000mg/L的上述(shu)介質中的致鈍電位、維(wei)鈍電位和點蝕電位。
采用俄歇電(dian)子(zi)能(neng)譜(AES)技術測定(ding)鈍化(hua)膜中各(ge)元素的深度(du)分(fen)布(bu)。運用X射線光電(dian)子(zi)能(neng)譜(XPS)對膜中各(ge)元素的氧化(hua)物組(zu)態進行分(fen)析。
3. 高鉻鎳不銹鋼(gang)中鉻、鎳含量對(dui)合金鈍化(hua)的影響
a. 鉻(ge)含量(liang)的影響
圖6-10表示合金(jin)致(zhi)鈍(dun)(dun)(dun)電(dian)位(wei)(wei)(wei)、維(wei)鈍(dun)(dun)(dun)電(dian)位(wei)(wei)(wei)與含鉻量(liang)(liang)(liang)的(de)關系(xi)。由圖6-10可見,當鉻含量(liang)(liang)(liang)增(zeng)加(jia)時,陽極(ji)(ji)極(ji)(ji)化(hua)(hua)曲(qu)線的(de)致(zhi)鈍(dun)(dun)(dun)電(dian)位(wei)(wei)(wei)和(he)維(wei)鈍(dun)(dun)(dun)電(dian)位(wei)(wei)(wei)負移,使系(xi)統得到的(de)腐蝕電(dian)位(wei)(wei)(wei)高于該金(jin)屬的(de)致(zhi)鈍(dun)(dun)(dun)電(dian)位(wei)(wei)(wei),促(cu)進了合金(jin)更(geng)快地進入鈍(dun)(dun)(dun)態。或(huo)者說鉻量(liang)(liang)(liang)的(de)增(zeng)加(jia),能使合金(jin)在更(geng)低(di)的(de)電(dian)位(wei)(wei)(wei)就能鈍(dun)(dun)(dun)化(hua)(hua)。

b. 鎳(nie)含量(liang)的影(ying)響
圖6-11為合(he)金致(zhi)鈍電流(liu)(liu)密(mi)度、維(wei)鈍電流(liu)(liu)密(mi)度與鎳含量(liang)的關系(xi)。由圖可見,合(he)金在介質中的致(zhi)鈍電流(liu)(liu)密(mi)度與維(wei)鈍電流(liu)(liu)密(mi)度隨鎳量(liang)的增加(jia)而變小(xiao)。

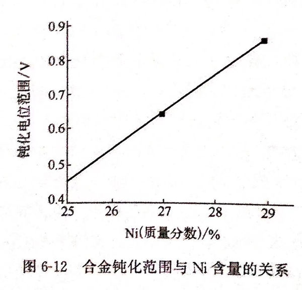
圖6-12為合金(jin)鈍化(hua)范圍(wei)與(yu)鎳含(han)量(liang)的(de)(de)關(guan)系。由圖6-12可見,合金(jin)在介質中(zhong)的(de)(de)鈍化(hua)準(zhun)圍(wei)隨鎳量(liang)的(de)(de)增加逐漸變寬。
電化學反應(ying)的(de)(de)陰極過(guo)程受阻滯的(de)(de)步驟通常認為是氫(qing)原子在(zai)(zai)(zai)電極上的(de)(de)還原過(guo)程,氫(qing)在(zai)(zai)(zai)鎳(nie)表面反應(ying)交(jiao)換電流(liu)密度(du)較(jiao)(jiao)少(shao),因(yin)而隨著(zhu)極化電位的(de)(de)增加(jia),合(he)金的(de)(de)維鈍(dun)電流(liu)仍能維持在(zai)(zai)(zai)較(jiao)(jiao)低(di)的(de)(de)水平(ping),使鈍(dun)化狀(zhuang)態保(bao)持在(zai)(zai)(zai)較(jiao)(jiao)寬的(de)(de)范圍內。同時鎳(nie)固溶于鈍(dun)化膜(mo)中(zhong),而且(qie)被氧化的(de)(de)較(jiao)(jiao)少(shao),從而增加(jia)鈍(dun)化膜(mo)和金屬表層的(de)(de)熱力學穩定(ding)性。
4. 介質(zhi)中氯離(li)子和氟離(li)子的影響
圖6-13為氯(lv)離(li)子含量對合金(jin)(jin)致鈍(dun)電(dian)位(wei)(wei)、維鈍(dun)電(dian)位(wei)(wei)的(de)影響(xiang),圖6-14為氯(lv)離(li)子對合金(jin)(jin)過鈍(dun)化(hua)電(dian)位(wei)(wei)的(de)影響(xiang)。由圖6-13可見,在不(bu)同氯(lv)離(li)子含量的(de)介質中(zhong),2號(hao)合金(jin)(jin)的(de)致鈍(dun)電(dian)位(wei)(wei)和維鈍(dun)電(dian)位(wei)(wei)基本上(shang)低(di)于3號(hao)合金(jin)(jin)。隨著鉻量的(de)增加,合金(jin)(jin)更容易鈍(dun)化(hua),說明在耐氯(lv)離(li)子腐蝕中(zhong),有足(zu)夠鉻含量的(de)重要(yao)性。

由圖6-14可(ke)見,在不同氯離子含量的(de)介質中,3號合(he)金(jin)的(de)過鈍化電位更正些表(biao)明合(he)金(jin)的(de)鈍化穩定性更強些。
反應介質中含(han)有(you)氯離(li)子和氟(fu)(fu)離(li)子,使(shi)(shi)已經鈍(dun)化(hua)(hua)(hua)的(de)(de)合(he)(he)金(jin)(jin)(jin)重新活(huo)化(hua)(hua)(hua),除(chu)氫外,氯離(li)子的(de)(de)活(huo)化(hua)(hua)(hua)能(neng)力大(da)于氟(fu)(fu)離(li)子,而氟(fu)(fu)離(li)子又明顯增加(jia)了氯離(li)子對(dui)活(huo)化(hua)(hua)(hua)區陽極溶解的(de)(de)去(qu)極化(hua)(hua)(hua)作用。因此,圖(tu)6-13、圖(tu)6-14所(suo)示(shi)的(de)(de)應是(shi)氯離(li)子和氟(fu)(fu)離(li)子共(gong)同作用的(de)(de)結(jie)果。研(yan)究表明,增加(jia)合(he)(he)金(jin)(jin)(jin)中的(de)(de)鉻含(han)量有(you)利于合(he)(he)金(jin)(jin)(jin)在(zai)較(jiao)(jiao)(jiao)低(di)的(de)(de)電(dian)位就進入鈍(dun)化(hua)(hua)(hua)狀(zhuang)態(tai)(tai),更快地使(shi)(shi)合(he)(he)金(jin)(jin)(jin)表層形成較(jiao)(jiao)(jiao)完整的(de)(de)氧化(hua)(hua)(hua)膜,并在(zai)較(jiao)(jiao)(jiao)低(di)的(de)(de)電(dian)位維持鈍(dun)態(tai)(tai)。從圖(tu)6-12、圖(tu)6-14的(de)(de)結(jie)果可以看出,增加(jia)合(he)(he)金(jin)(jin)(jin)的(de)(de)鎳含(han)量,可使(shi)(shi)3號合(he)(he)金(jin)(jin)(jin)的(de)(de)鈍(dun)化(hua)(hua)(hua)范圍更寬,過鈍(dun)化(hua)(hua)(hua)電(dian)位更正。這表明鎳在(zai)合(he)(he)金(jin)(jin)(jin)中可以起(qi)到穩定合(he)(he)金(jin)(jin)(jin)表層鈍(dun)化(hua)(hua)(hua)狀(zhuang)態(tai)(tai)的(de)(de)作用,并有(you)助于延長(chang)發生(sheng)孔蝕核的(de)(de)誘導(dao)時間(jian)。
5. 合金鈍化膜的表層結構(gou)分(fen)析(xi)
圖(tu)6-15為合(he)金(jin)鈍(dun)化膜中各元素(su)的深度分布曲線(AES),圖(tu)6-16為合(he)金(jin)鈍(dun)化膜表層的俄歇電子能譜(pu)圖(tu)(AES)。

對(dui)鈍(dun)(dun)化(hua)膜中(zhong)(zhong)各(ge)元(yuan)素氧化(hua)物的(de)(de)組態進(jin)(jin)行(xing)了XPS分析,并將濺射前后(hou)鈍(dun)(dun)化(hua)膜表層和基體中(zhong)(zhong)氧、鐵(tie)、鉻(ge)、鎳、鉬(mu)各(ge)元(yuan)素的(de)(de)氧化(hua)峰及金屬峰結(jie)合(he)能與(yu)標(biao)準手冊上的(de)(de)結(jie)合(he)能進(jin)(jin)行(xing)對(dui)比。所(suo)測試到(dao)的(de)(de)各(ge)元(yuan)素的(de)(de)結(jie)能均(jun)采用 OIs 峰進(jin)(jin)行(xing)標(biao)定,見(jian)表 6-18。

從AES和XPS的分析結果可知,鈍化膜表層氧富集較多,其次是鉻和鐵。同時,在合金的鈍化膜表層中,鉻基本上全部氧化,以三氧化二鉻(Cr2O3)的形式存在。鐵有部分被氧化成氧化亞鐵(FeO)和三氧化二鐵(Fe2O3),鉬有部分被氧化成三氧化鉬(MoO3),而鎳只有少量被氧化成氧化鎳(NiO)。從氧的結合能可看到,鈍化膜主要是O-M-O鍵。這就使金屬與溶液界面上形成了一道屏障層。這種由O-M-O鍵組成的屏障,決定鈍化膜表面的活性點少,鈍化膜有高效的化學穩定性,不易受到破壞,而這些都與恰當的鉻、鎳匹配分不開。

