
馬氏體(ti)(ti)(ti)不(bu)銹(xiu)(xiu)鋼(gang)(gang)是一類(lei)可通(tong)過(guo)熱處理(淬火(huo)回(hui)火(huo))對其性(xing)(xing)能(neng)進行調整的(de)不(bu)銹(xiu)(xiu)鋼(gang)(gang),通(tong)俗(su)地講是一類(lei)可硬化的(de)不(bu)銹(xiu)(xiu)鋼(gang)(gang),此(ci)類(lei)鋼(gang)(gang)具有(you)(you)(you)高(gao)的(de)硬度、良好的(de)力學性(xing)(xing)能(neng)和不(bu)銹(xiu)(xiu)性(xing)(xing),這些特性(xing)(xing)決定了此(ci)類(lei)鋼(gang)(gang)必須(xu)(xu)具備兩個基本條件(jian):其一,在平衡相(xiang)圖中必須(xu)(xu)有(you)(you)(you)奧(ao)氏體(ti)(ti)(ti)相(xiang)區(qu)存在;其二,為(wei)使鋼(gang)(gang)形成耐腐蝕(shi)的(de)鈍(dun)化膜,鉻(ge)含量必須(xu)(xu)在10.5%以上(shang)。馬氏體(ti)(ti)(ti)不(bu)銹(xiu)(xiu)鋼(gang)(gang)在淬火(huo)狀態下(xia)具有(you)(you)(you)體(ti)(ti)(ti)心四方(fang)晶體(ti)(ti)(ti)結構(馬氏體(ti)(ti)(ti)),具有(you)(you)(you)鐵磁性(xing)(xing),在較弱腐蝕(shi)環境中具有(you)(you)(you)耐蝕(shi)性(xing)(xing)。鋼(gang)(gang)中的(de)鉻(ge)含量可達18%,碳(tan)可以超過(guo)1.2%。
2Cr13、20Cr13、420 不銹鋼是香蕉app免費視頻在線觀看:馬氏體不銹鋼,其(qi)主要性能(neng)類似1Cr13不銹鋼。由(you)于含碳量較高,其(qi)強度、硬(ying)度高于香蕉app免費視頻在線觀看:1Cr13,而(er)韌性(xing)和耐蝕(shi)(shi)性(xing)略低。熱處理后(hou)經拋光,在(zai)弱(ruo)腐蝕(shi)(shi)介質(zhi)(如鹽水溶(rong)液、硝酸(suan)及某些(xie)濃(nong)度不高的(de)(de)有機(ji)酸(suan)食品生(sheng)產介質(zhi))中,溫度不高(大(da)約30℃以下(xia))的(de)(de)條件下(xia),具有良好的(de)(de)耐蝕(shi)(shi)性(xing)。在(zai)淡水、海(hai)水、蒸(zheng)汽(qi)、潮濕大(da)氣(qi)條件下(xia)亦(yi)表現出良好的(de)(de)可用的(de)(de)耐蝕(shi)(shi)性(xing)。在(zai)硫(liu)酸(suan)、鹽酸(suan)、熱硝酸(suan)、熔融(rong)堿等介質(zhi)中耐蝕(shi)(shi)性(xing)較差。此外,2Cr13、20Cr13、420 香蕉app免費視頻在線觀看:不銹鋼在700℃以(yi)下具(ju)有足(zu)夠的(de)(de)強度、熱穩定(ding)性和良好的(de)(de)減振性。2Cr13、20Cr13、420 不銹(xiu)鋼主要用(yong)(yong)于(yu)制造承(cheng)受高應力負荷的(de)(de)零件,如汽輪機(ji)葉(xie)片、熱油泵軸和軸套(tao)、葉(xie)輪、水壓機(ji)閥(fa)片等,亦可用(yong)(yong)于(yu)造紙工業和醫療器械以(yi)及日用(yong)(yong)消(xiao)費領(ling)域的(de)(de)刀具(ju)、餐具(ju)等。
一、化(hua)學(xue)成分(fen)
2Cr13、20Cr13、420 不銹鋼(gang)的(de)化學成分見表3-19。

二、室溫力(li)學性(xing)能
2Cr13、20Cr13、420 不銹鋼(gang)的(de)室溫(wen)力學性能(neng)見(jian)表3-20。熱處理與室溫(wen)力學性能(neng)的(de)關系見(jian)圖3-8至圖3-10。



三、疲勞和斷裂韌性
2Cr13、20Cr13、420 不銹鋼的室溫(wen)旋(xuan)轉彎曲疲勞(lao)性能(neng)見表3-21和(he)圖3-11和(he)圖3-12。

2Cr13、20Cr13、420 不銹鋼(1000℃油淬(cui),700℃回火)的高溫疲(pi)勞和腐蝕疲(pi)勞行為分別(bie)見(jian)(jian)圖(tu)3-13和圖(tu)3-14。2Cr13鋼光(guang)滑和缺口試(shi)樣彎(wan)曲(qu)疲(pi)勞極限見(jian)(jian)表3-22。


2Cr13、20Cr13、420 不銹鋼的(de)疲勞裂紋擴展(zhan)速率和疲勞裂紋擴展(zhan)門(men)檻(jian)值的(de)測室(shi)結果見表3-23和表3-24。試樣(yang)為11mm×44mm緊湊(cou)拉伸試樣(yang)。

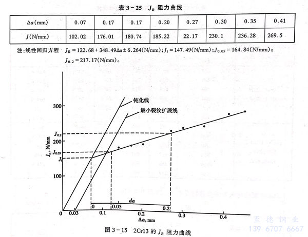
2Cr13、20Cr13、420 不銹(xiu)鋼的JR阻力曲線的測(ce)試結果見(jian)表3-25和圖3-15,試樣(yang)為(wei)20mm×24mm×96mm三點彎曲試樣(yang)。

不(bu)同熱(re)處(chu)理狀態的(de)2Cr13鋼的(de)斷(duan)裂韌性和SCC的(de)門檻值見表(biao)3-26。

四(si)、高溫力學性能
2Cr13、20Cr13、420 不銹(xiu)鋼的高溫(wen)瞬時拉伸性能見表3-27。

2Cr13、20Cr13、420 不銹鋼的(de)持久和(he)(he)蠕變性能(neng)見表3-28和(he)(he)表3-29。

五、耐蝕性
2Cr13、20Cr13、420 不(bu)銹鋼的耐蝕(shi)性(xing)能見表3-30。鋼的腐蝕(shi)疲勞性(xing)能見圖(tu)3-16。

六、工藝(yi)性能(neng)
a. 熱加工
不銹鋼的(de)(de)熱(re)加(jia)工(gong)性能良好,適(shi)宜的(de)(de)熱(re)加(jia)工(gong)溫度(du)區間為850~1200℃,熱(re)變形終了應(ying)采用砂冷或及時退火,熱(re)加(jia)工(gong)的(de)(de)升溫操作應(ying)緩(huan)慢,在(zai)低于850℃時應(ying)緩(huan)慢加(jia)熱(re),冷裝爐(lu)溫度(du)≤800℃。
b. 冷(leng)加工
冷(leng)(leng)加(jia)工性能良好,可進行冷(leng)(leng)軋、冷(leng)(leng)沖壓(ya)、深拉等加(jia)工操作(zuo),消除(chu)應力退火(huo)可采用730~780℃回火(huo)。
c. 熱(re)處理
2Cr13、20Cr13、420 不銹鋼的(de)熱處理工藝見表3-31。

d. 焊接
2Cr13、20Cr13、420 不銹鋼焊(han)(han)后硬化傾向大,易出現裂紋(wen),若用Cr202、Cr207焊(han)(han)條(tiao)焊(han)(han)接(jie)時,焊(han)(han)前需經(jing)250~350℃預熱,焊(han)(han)后需經(jing)700~750℃回火;若用奧107、奧207焊(han)(han)條(tiao)焊(han)(han)接(jie),可不進行焊(han)(han)后熱處(chu)理。
七、物理性能
2Cr13、20Cr13、420 不銹鋼(gang)的物理(li)性能和衰(shuai)減性能見表3-32。

八、應用
經熱處理(li)后的2Cr13、20Cr13、420 不銹(xiu)鋼,可用于(yu)承(cheng)受較高應力的零部(bu)件,如(ru)透平后幾級(ji)及低(di)溫段(duan)長葉(xie)片、閥、閥件、熱裂設備,緊固件等。亦大量(liang)應用于(yu)造紙工業(ye)刀具(ju),食品(pin)加工機械及餐具(ju)。
