
沉(chen)(chen)淀硬(ying)(ying)化(hua)(hua)(hua)(hua)不(bu)銹(xiu)(xiu)鋼(gang)是一(yi)類(lei)含沉(chen)(chen)淀硬(ying)(ying)化(hua)(hua)(hua)(hua)元(yuan)素(Cu、Al、Ti、Nb)的鐵鉻鎳合金,可以通過熱處(chu)理強(qiang)(qiang)化(hua)(hua)(hua)(hua),此類(lei)鋼(gang)具有高強(qiang)(qiang)度、足夠的韌性(xing)和適宜的耐蝕性(xing)。主要應用于(yu)(yu)宇航工(gong)業(ye)和一(yi)些高技術產(chan)業(ye)。 沉(chen)(chen)淀硬(ying)(ying)化(hua)(hua)(hua)(hua)不(bu)銹(xiu)(xiu)鋼(gang)可區分(fen)為馬(ma)氏(shi)體(ti)(ti)、半奧氏(shi)體(ti)(ti)和奧氏(shi)體(ti)(ti)沉(chen)(chen)淀硬(ying)(ying)化(hua)(hua)(hua)(hua)不(bu)銹(xiu)(xiu)鋼(gang)三種主要類(lei)型,近年來(lai)又(you)出(chu)現了鐵素體(ti)(ti)沉(chen)(chen)淀硬(ying)(ying)化(hua)(hua)(hua)(hua)不(bu)銹(xiu)(xiu)鋼(gang)。在(zai)馬(ma)氏(shi)體(ti)(ti)沉(chen)(chen)淀不(bu)銹(xiu)(xiu)鋼(gang)中,基(ji)于(yu)(yu)馬(ma)氏(shi)體(ti)(ti)時(shi)效(xiao)鋼(gang)的經驗,近年來(lai)出(chu)現了馬(ma)氏(shi)體(ti)(ti)時(shi)效(xiao)不(bu)銹(xiu)(xiu)鋼(gang),與前者(zhe)比(bi)較,后者(zhe)碳含量較低(di),其(qi)強(qiang)(qiang)化(hua)(hua)(hua)(hua)手段主要是靠金屬(shu)間化(hua)(hua)(hua)(hua)合物析(xi)出(chu),且熱處(chu)理簡單。
0Cr15Ni25MoTiA1VB、A-286 不銹鋼是一種采用生成金屬間化合物Ni3(Al、Ti)、Ni3(TiAl)強化的奧氏體沉(chen)淀硬化(hua)不銹鋼。此鋼主要用于小于705℃的工作環境下,要求具有高強度和優良耐蝕性的部件或設備。0Cr15Ni25MoTiA1VB鋼具有高的缺口強度,超過與之可比的任何商業合金。在溫度低于980℃的抗氧化性能相當于310S不銹鋼。在時效條件下,此鋼的屈服強度水平可達600MPa。
一、化學(xue)成分
0Cr15Ni25MoTiA1VB、A-286 不銹鋼的化(hua)學成分見表5-115。

二、室(shi)溫力學(xue)性能
標準所規定(ding)的室(shi)溫力學(xue)性能指標見(jian)表5-116。

不同熱處理狀態的0Cr15Ni25MoTiA1VB、 A-286 不銹鋼(gang)的典型室(shi)溫力學性能見表5-117。

淬火(huo)的(de)冷卻速度對(dui)經時效的(de)0Cr15Ni25MoTiA1VB、A-286 不銹(xiu)鋼(gang)的(de)室溫(wen)力(li)學(xue)性能的(de)影響見表5-118。

鋼(gang)的沖擊性能和(he)溫(wen)度之(zhi)間(jian)的關系見(jian)表5-119。

三、疲勞和斷裂(lie)韌(ren)性
0Cr15Ni25MoTiA1VB、A-286 不銹鋼的疲勞裂紋(wen)擴展速率見(jian)圖5-32。

用J- 積分方(fang)法獲得的斷裂(lie)韌性(xing)見(jian)表 5-120 。
四、高溫力學性能(neng)
Φ22mm棒(bang)材,經980℃×1h油淬后,再(zai)經718℃時效16小時后空冷的0Cr15-Ni25MoTiA1VB的高溫(wen)瞬時拉(la)伸(shen)性(xing)(xing)能見(jian)表5-121。薄板的高溫(wen)拉(la)伸(shen)性(xing)(xing)能見(jian)圖5-33。淬火(huo)冷卻速度對鋼的高溫(wen)拉(la)伸(shen)性(xing)(xing)能的影響(xiang)見(jian)表5-122。

0Cr15Ni25MoTiA1VB、A-286 不銹(xiu)鋼的高(gao)溫缺(que)口強度見圖5-34。

0Cr15Ni25MoTiA1VB、A-286 不(bu)銹鋼的(de)高溫承載(bearing)強度(du)以及高溫時效對承載(bearing)強度(du)的(de)影響見圖(tu)5-35和圖(tu)5-36。
0Cr15Ni25MoTiA1VB、 A-286 不銹鋼(gang)的高溫疲勞性能見表 5-123 。裂紋擴展速率見圖 5-32 和 圖 5-37 。

0Cr15Ni25MoTiA1VB、A-286 不銹鋼的持久強度見圖 5-38 。

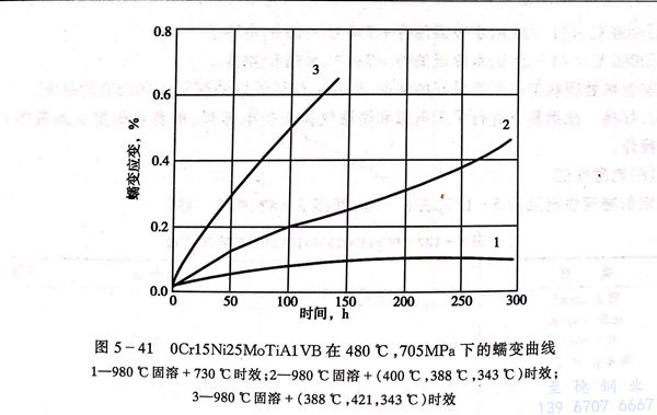
0Cr15Ni25MoTiA1VB、A-286 不(bu)銹鋼不(bu)銹鋼的蠕變行為見(jian)表 5-124 和 圖 5-39至(zhi)圖 5-41 。


不同熱處理狀態的0Cr15Ni25MoTiA1VB、A-286 不銹鋼的高溫硬度見(jian)表(biao)(biao) 5-125 和 表(biao)(biao) 5-126 。

五、耐蝕性
0Cr15Ni25MoTiA1VB、 A-286 不銹鋼鋼的耐蝕性優于0Cr15Ni17Mo2A1,在還原性酸性介質中接近于316不銹(xiu)鋼。在航空發動機的服役環境,在直到704℃的條件均具有優異的耐蝕性。其抗氧性能相當于310S不銹鋼。
六、工藝性能
a. 熱加工
鋼的熱加工溫度范圍為927~1121℃,最佳熱變形溫度為1038~1120℃,其變形抗力稍大于18-8型奧氏體不銹鋼。
b. 冷加工
在(zai)固溶(rong)處理(li)狀(zhuang)態下,0Cr15Ni25MoTiA1VB、A-286 不銹鋼(gang)可以進行滿意的冷加(jia)工(gong)和冷成形,但較(jiao)316不銹鋼(gang) 和310S不銹鋼(gang)硬(ying),加(jia)工(gong)硬(ying)化速度亦較(jiao)快。
c. 熱處理
此(ci)鋼可采用兩種(zhong)固溶處(chu)理(li)制度,時效(xiao)處(chu)理(li)溫度為704~730℃時效(xiao)時間為12~18h。
①. 900℃×(1-2)h,水冷(leng)或油冷(leng)+730℃×16h,空冷(leng)。
②. 980℃×(1-2)h,水冷(leng)或(huo)油冷(leng)+730℃×16h,空冷(leng)。
前者熱處理狀態可獲(huo)得最好的強度,后者可獲(huo)得最好的塑韌性和較高的硬度。
d. 焊接(jie)
此鋼易于進(jin)行(xing)手(shou)工電弧(hu)和惰性(xing)氣體保護電弧(hu)焊,推薦在(zai)固(gu)溶處理條件下(xia)進(jin)行(xing)焊接操作。
七、物理性能
0Cr15Ni25MoTiA1VB、A-286 不(bu)銹鋼的物(wu)理性能見表(biao)5-127,表(biao)5-128和圖5-42、圖5-43。


八(ba)、應用(yong)
0Cr15Ni25MoTiA1VB、A-286 不(bu)銹鋼注意(yi)應用(yong)于宇航工業高(gao)溫耐蝕部件,如(ru)發動機轉輪、葉(xie)片、骨架、加力燃燒(shao)室(shi)部件和(he)螺栓等。
