
沉淀硬(ying)(ying)化(hua)(hua)不(bu)銹(xiu)鋼(gang)是(shi)一類含(han)沉淀硬(ying)(ying)化(hua)(hua)元素(Cu、Al、Ti、Nb)的(de)鐵鉻鎳(nie)合(he)金,可(ke)以通過(guo)熱處理強(qiang)化(hua)(hua),此類鋼(gang)具有高強(qiang)度、足夠的(de)韌性(xing)和適宜的(de)耐(nai)蝕性(xing)。主(zhu)要(yao)應用于宇(yu)航工業(ye)和一些高技(ji)術產(chan)業(ye)。 沉淀硬(ying)(ying)化(hua)(hua)不(bu)銹(xiu)鋼(gang)可(ke)區分為馬(ma)氏(shi)體、半奧氏(shi)體和奧氏(shi)體沉淀硬(ying)(ying)化(hua)(hua)不(bu)銹(xiu)鋼(gang)三種(zhong)主(zhu)要(yao)類型(xing),近(jin)(jin)年來(lai)(lai)又出現了(le)鐵素體沉淀硬(ying)(ying)化(hua)(hua)不(bu)銹(xiu)鋼(gang)。在馬(ma)氏(shi)體沉淀不(bu)銹(xiu)鋼(gang)中,基于馬(ma)氏(shi)體時效鋼(gang)的(de)經驗(yan),近(jin)(jin)年來(lai)(lai)出現了(le)馬(ma)氏(shi)體時效不(bu)銹(xiu)鋼(gang),與前(qian)者(zhe)比較,后者(zhe)碳含(han)量較低,其(qi)強(qiang)化(hua)(hua)手段主(zhu)要(yao)是(shi)靠(kao)金屬間化(hua)(hua)合(he)物(wu)析出,且熱處理簡單(dan)。
07Cr17Ni7Al、17-7PH 不銹鋼是一種半(ban)奧氏體(ti)香蕉app免費視頻在線觀看:沉淀硬化不銹鋼。此鋼具有良好(hao)冶金和制造(zao)加工工藝性能。由于(yu)鋼的成分接近于(yu)18-8型香蕉app免費視頻在線觀看:奧氏體不銹鋼,因此在(zai)固(gu)溶(rong)狀(zhuang)(zhuang)態下仍保留奧氏(shi)體組(zu)織,便(bian)于加工成(cheng)形,此時的組(zu)織處于亞穩(wen)定狀(zhuang)(zhuang)態,隨后經調整處理和時效可(ke)獲得(de)所需強(qiang)度和韌性(xing),其強(qiang)度水平可(ke)達1600MPa。鋼中含有17%Cr并含有大量的Ni,使其具有足夠的耐(nai)蝕性(xing)和不銹性(xing),大體上相當(dang)和接(jie)近于18-8型香蕉app免費視頻在線觀看:不銹鋼的水平。(0Cr17Ni7Al) 17-7PH 不(bu)銹鋼可(ke)用于(yu)350℃以下長期工作的不(bu)銹鋼結構件(jian)、容器、管道(dao)、彈簧、膜片等(deng)。鑒(jian)于(yu)該鋼熱處理(li)工藝復雜,在全世界(jie)范(fan)圍內有被馬氏體時(shi)效不(bu)銹鋼取代(dai)的趨(qu)勢(shi),但目前仍具有廣(guang)泛(fan)應用的領(ling)域(yu)。
舊國標(biao):0Cr17Ni7Al 新(xin)國標:07Cr17Ni7Al 美標:S17700、631、17-7PH
一、化學成(cheng)分(fen)
07Cr17Ni7Al、17-7PH 不銹鋼的(de)化(hua)學成分見表(biao)5-66。

二、室溫力學性能
不同標(biao)準所規(gui)定(ding)的 07Cr17Ni7Al、17-7PH 不銹(xiu)鋼的室(shi)溫(wen)力學性(xing)能(neng)標(biao)準見表5-67。

07Cr17Ni7Al、17-7PH 不銹鋼(gang)的(de)室溫力學(xue)性能見(jian)表 5-68,熱處理(li)制度對其室溫力學(xue)性能的(de)影響見(jian)圖 5-15至5-18 。


三、疲勞(lao)和(he)斷裂韌(ren)性
07Cr17Ni7Al、17-7PH 不銹(xiu)鋼的疲勞性能見(jian)(jian)表5-69。斷裂韌性和應力(li)腐蝕門檻值見(jian)(jian)表5-70。

四(si)、高(gao)溫力(li)學(xue)性能
07Cr17Ni7Al、17-7PH 不銹鋼高溫瞬(shun)時拉(la)伸性能(neng)見表 5-71 。

鋼的持久強(qiang)度(du)和(he)蠕變(bian)強(qiang)度(du)見(jian)表 5-72 。

五、低(di)溫力學(xue)性能
07Cr17Ni7Al、17-7PH 不銹鋼的(de)低溫沖擊和(he)拉(la)伸性能見圖(tu)5-19和(he)圖(tu)5-20。

六、耐蝕性
07Cr17Ni7Al、17-7PH 不銹鋼(gang)的(de)耐蝕性介于18-8鋼(gang)和馬氏體不銹鋼(gang)之間,一些耐蝕性數據(ju)見(jian)表5-73,耐應力(li)腐(fu)蝕性能(neng)見(jian)表5-70。

七、工藝性(xing)能(neng)
a. 熱加工(gong)
最高加熱(re)溫度1150℃,鋼坯或(huo)鋼錠裝爐溫度不(bu)應高于600℃,開始熱(re)加工(gong)溫度1100℃,終加工(gong)溫度≥950℃,冷卻方式為空冷。
b. 冷加工
07Cr17Ni7Al、17-7PH 不銹鋼的加(jia)工硬化(hua)傾(qing)向(xiang)較大,在(zai)冷(leng)軋、冷(leng)拉拔或沖壓時,宜采用少道次(ci)大變形量并增加(jia)固溶(rong)處理道次(ci)。
c. 熱處(chu)理
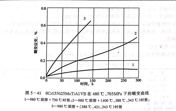
此(ci)鋼熱處理(li)工藝(yi)較(jiao)復雜,可(ke)(ke)參照圖5-41執(zhi)行。根(gen)據實際需求,可(ke)(ke)靈活選擇(ze)熱處理(li)工藝(yi),以達(da)到對(dui)強度和韌(ren)性的要求。

對于(yu)薄壁零(ling)件,如(ru)殼體、筒體等(deng)宜采用TH1050工藝,因(yin)為這種工藝不需(xu)要(yao)將已成形的零(ling)部件進(jin)行高溫調整處理,從而避(bi)免了部件的氧化(hua)和(he)變形。
對于棒(bang)材宜選用RH950工(gong)藝,使(shi)其可獲得強度和韌性(xing)的最(zui)佳配合(he)。
彈性(xing)元件采用CH900為宜,此工藝比較(jiao)簡單(dan),利用冷拔或冷扎產(chan)品進(jin)行(xing)成形加工,而后進(jin)行(xing)低溫時(shi)效(xiao),即可獲得滿意的產(chan)品性(xing)能水平。
為了降低缺口敏(min)感性(xing)和改善鋼的耐應(ying)力腐蝕性(xing)能(neng),可采用(yong)過時效處理工藝(yi),盡管強(qiang)度水(shui)平有所(suo)降低,但綜合性(xing)能(neng)得到提(ti)高。
d. 焊接
07Cr17Ni7Al、17-7PH 不(bu)(bu)銹(xiu)鋼可(ke)進行(xing)電弧焊(han)(han)或電阻焊(han)(han),惰性氣(qi)體(ti)保護焊(han)(han)是最佳工藝方法,可(ke)避免氧化和減少鋁(lv)的(de)(de)燒(shao)損(sun),以利提高接(jie)頭(tou)效率(lv)。該(gai)鋼通常在固溶狀態下焊(han)(han)接(jie),焊(han)(han)前不(bu)(bu)必預熱,但焊(han)(han)后最好固溶處理,而后按實際需求進行(xing)處理。焊(han)(han)縫強度可(ke)達到基體(ti)強度的(de)(de)94%~100%(見(jian)表5-74),充填金(jin)屬同(tong)母材。此鋼亦(yi)可(ke)進行(xing)釬焊(han)(han),焊(han)(han)料為銀一鋰,在900~940℃氬氣(qi)下進行(xing)焊(han)(han)接(jie),焊(han)(han)后進行(xing)時(shi)效處理。

八、物理性能
07Cr17Ni7Al、17-7PH 不(bu)銹鋼的物理性能見表 5-75 。

九(jiu)、應用
在航空工業中(zhong)用(yong)(yong)于中(zhong)溫承力件,發(fa)動(dong)機反(fan)推裝置構件,閥膜及不銹彈(dan)性元件。此外在國(guo)外廣泛應用(yong)(yong)航空薄壁結構件、各種容器、導管、閥膜、船軸(zhou)(zhou)及壓氣機盤。在其他領域主要用(yong)(yong)于不銹、耐蝕高強(qiang)度結構件,容器,軸(zhou)(zhou)類,彈(dan)簧等(deng)。
